实亿国际

实亿国际

国家高新企业

cn

新闻中心

实亿国际简单电路图入门-电路原理图入门知识-三分钟看懂电路图-KIA MOS管

实亿国际信息来源:本站 日期:2019-08-20 

分享到:

简单电路图入门-电路原理图入门知识-三分钟看懂电路图

电路图的分类

简单电路图入门,常遇到的电子电路图有原理图、方框图、装配图和印版图等。


1、原理图

原理图就是用来体现电子电路的工作原理的一种电路图,又被叫做“电原理图”。这种图由于它直接体现了电子电路的结构和工作原理,所以一般用在设计、分析电路中。分析电路时,通过识别图纸上所画的各种电路元件符号以及它们之间的连接方式,就可以了解电路的实际工作情况。下图所示就是一个收音机电路的原理图。


2、方框图(框图)

方框图是一种用方框和连线来表示电路工作原理和构成概况的电路图。从根本上说,这也是一种原理图。不过在这种图纸中,除了方框和连线几乎没有别的符号了。它和上面的原理图主要的区别就在于原理图上详细地绘制了电路的全部的元器件和它们连接方式,而方框图只是简单地将电路安装功能划分为几个部分,将每一个部分描绘成一个方框,在方框中加上简单的文字说明,在方框间用连线(有时用带箭头的连线)说明各个方框之间的关系。所以方框图只能用来体现电路的大致工作原理,而原理图除了详细地表明电路的工作原理外,还可以用来作为采集元件、制作电路的依据。下图所示的就是上述收音机电路的方框图。


简单电路图入门


3、装配图

它是为了进行电路装配而采用的一种图纸,图上的符号往往是电路元件的实物的外形图。我们只要照着图上画的样子,依样画葫芦地把一些电路元器件连接起来就能够完成电路的装配。这种电路图一般是供初学者使用的。


装配图根据装配模板的不同而各不一样,大多数作为电子产品的场合,用的都是下面要介绍的印刷线路板,所以印板图是装配图的主要形式。


在初学电子知识时,为了能早一点接触电子技术,我们选用了螺孔板作为基本的安装模板,因此安装图也就变成另一种模式。


4、印板图

印板图的全名是“印刷电路板图”或“印刷线路板图”,它和装配图其实属于同一类的电路图,都是供装配实际电路使用的。


印刷电路板是在一块绝缘板上先覆上一层金属箔,再将电路不需要的金属箔腐蚀掉,剩下的部分金属箔作为电路元器件之间的连接线,然后将电路中的元器件安装在这块绝缘板上,利用板上剩余的金属箔作为元器件之间导电的连线,完成电路的连接。由于这种电路板的一面或两面覆的金属是铜皮,所以印刷电路板又叫“覆铜板”。印板图的元件分布往往和原理图中大不一样。这主要是因为,在印刷电路板的设计中,主要考虑所有元件的分布和连接是否合理,要考虑元件体积、散热、抗干扰、抗耦合等等诸多因素,综合这些因素设计出来的印刷电路板,从外观看很难和原理图完全一致;而实际上却能更好地实现电路的功能。


随着科技发展,现在印刷线路板的制作技术已经有了很大的发展;除了单面板、双面板外,还有多面板,已经大量运用到日常生活、工业生产、国防建设、航天事业等许多领域。


简单电路图入门之电路图的组成

电路图主要由元件符号、连线、结点、注释四大部分组成。


元件符号表示实际电路中的元件,它的形状与实际的元件不一定相似,甚至完全不一样。但是它一般都表示出了元件的特点,而且引脚的数目都和实际元件保持一致。


连线表示的是实际电路中的导线,在原理图中虽然是一根线,但在常用的印刷电路板中往往不是线而是各种形状的铜箔块,就像收音机原理图中的许多连线在印刷电路板图中并不一定都是线形的,也可以是一定形状的铜膜。

结点表示几个元件引脚或几条导线之间相互的连接关系。所有和结点相连的元件引脚、导线,不论数目多少,都是导通的。


注释在电路图中是十分重要的,电路图中所有的文字都可以归入注释—类。细看以上各图就会发现,在电路图的各个地方都有注释存在,它们被用来说明元件的型号、名称等等。


若不知电路的作用,可先分析电路的输入和输出信号之间的关系。如信号变化规律及它们之间的关系、相位问题是同相位,或反相位。电路和组成形式,是放大电路,振荡电路,脉冲电路,还是解调电路。 电器修理、电路设计的工作人员都是要通过分析电路原理图,了解电器的功能和工作原理,才能得心应手开展工作的。


作为从事此项工作的技术人员,首先要有过硬的基本功,要能对有技术参数的电路原理图进行总体了解,能进行划分功能模块,找出信号流向,确定元件作用。要学会维修电器设备和设计电路,就必须熟练掌握各单元电路的原理。会划分功能块,能按照不同的功能把整机电路的元件进行分组,让每个功能块形成一个具体功能的元件组合,如基本放大电路,开关电路,波形变换电路等。


分析常用电路的几种方法与步骤

1、交流等效电路分析法首先画出交流等效电路,再分析电路的交流状态,即:电路有信号输入时,电路中各环节的电压和电流是否按输入信号的规律变化、是放大、振荡,还是限幅削波、整形、鉴相等。


2、直流等效电路分析法画出直流等效电路图,分析电路的直流系统参数,搞清晶体管静态工作点和偏置性质,级间耦合方式等。分析有关元器件在电路中所处状态及起的作用。例如:三极管的工作状态,如饱和、放大、截止区,二极管处于导通或截止等。


3、频率特性分析法主要看电路本身所具有的频率是否与它所处理信号的频谱相适应。粗略估算一下它的中心频率,上、下限频率和频带宽度等,例如:各种滤波、陷波、谐振、选频等电路。


4、时间常数分析法主要分析由R、L、C及二极管组成的电路、性质。时间常数是反映储能元件上能量积累和消耗快慢的一个参数。若时间常数不同,尽管它的形式和接法相似,但所起的作用还是不同,常见的有耦合电路、微分电路、积分电路、退耦电路、峰值检波电路等。


简单电路图入门-电路图图解分析

有初学电工的朋友说,始终看不懂电路图,那么今天咱们用图解的方式分析电路图,以自保电路为例。


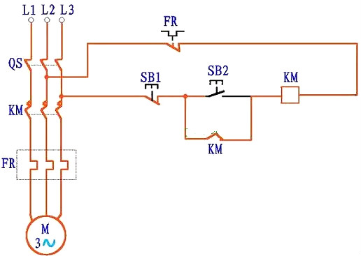
简单电路图入门

图1


如图1,即为自保电路,左侧为主回路,右侧为控制回路。先介绍一下图中元器件,QS为断路器,KM为接触器(380V线圈),FR为热继电器,M为电机。SB1是停止按钮,SB2是启动按钮。如果给带电的部分标上红色。如下图2。


简单电路图入门

图2


图2中可看出,没合上断路器QS时,只有QS上火带电。


当合上QS以后,如下图3。


简单电路图入门

图3


右侧控制回路当中可以看出,不按启动按钮SB2时,SB2常开点和KM常开点都没闭合,所以前端电流无法通到接触器KM线圈。KM只有后端一根线接通,形不成回路,所以不能吸合。左侧主回路当中KM三个主触点也就无法闭合,电机无法通电,所以停止。


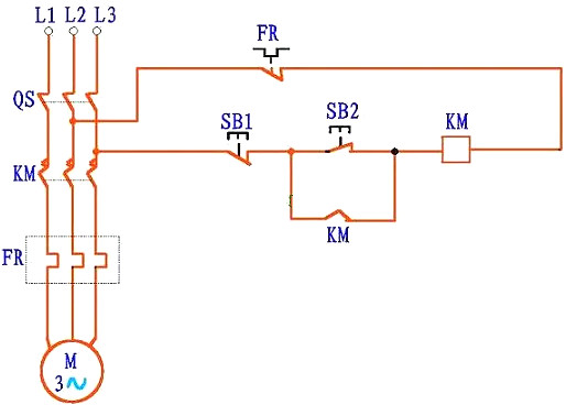
当按下SB2以后,如下图4:


简单电路图入门

图4


图4中看出,由于SB2常开闭合,电流通入KM线圈,KM吸合,主触点闭合,电机转动,同时KM常开辅助触点闭合。


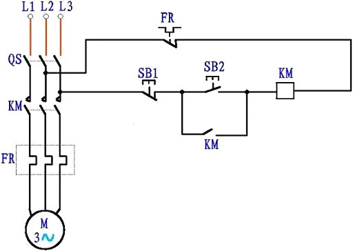
简单电路图入门

图5


图5中看出,即使松开SB2按钮,SB2常开触点断开,但仍有电流通过KM常开点流入KM线圈,保持KM继续吸合,电机继续转动,这就是自保,也叫自锁。


简单电路图入门

图6


如图6,要停止时,按下停止按钮SB1,常闭点断开,切断电流,KM释放,电机停止,KM常开辅助触点断开。即使松开停止按钮SB1,常闭点闭合,但SB2和KM常开点都是断开状态,所以KM仍然不吸合。


简单电路图入门

图7


图7中,如热继电器FR动作,FR常闭辅助触点断开,切断接触器线圈另一条线路,KM线圈形不成回路,释放。


电路图是人们为了研究和工程的需要,用约定的符号绘制的一种表示电路结构的图形。通过电路图可以知道实际电路的情况。这样,我们在分析电路时,就不必把实物翻来覆去地琢磨,而只要拿着一张图纸就可以了。在设计电路时,也可以从容地纸上或电脑上进行,确认完善后再进行实际安装,通过调试、改进,直至成功。我们更可以应用先进的计算机软件来进行电路的辅助设计,甚至进行虚拟的电路实验,大大提高工作效率。

联系方式:邹先生

联系电话:0755-83888366-8022

手机:18123972950

QQ:2880195519

联系地址:深圳市福田区车公庙天安数码城天吉大厦CD座5C1


请搜微信公众号:“KIA半导体”或扫一扫下图“关注”官方微信公众号

请“关注”官方微信公众号:提供 MOS管 技术帮助