实亿国际

实亿国际

国家高新企业

cn

新闻中心

实亿国际三相异步电动机接线图及正反转接线实图讲解-KIA MOS管

信息来源:本站 日期:2019-09-18 

分享到:

三相异步电动机接线图及正反转接线实图讲解

三相异步电动机

三相异步电动机接线图及正反转接线实图讲解,三相异步电机,是感应电动机的一种,是靠同时接入380V三相交流电流(相位差120度)供电的一类电动机,由于三相异步电动机的转子与定子旋转磁场以相同的方向、不同的转速成旋转,存在转差率,所以叫三相异步电动机。三相异步电动机转子的转速低于旋转磁场的转速,转子绕组因与磁场间存在着相对运动而产生电动势和电流,并与磁场相互作用产生电磁转矩,实现能量变换。


三相异步电动机接线图


与单相异步电动机相比,三相异步电动机运行性能好,并可节省各种材料。按转子结构的不同,三相异步电动机可分为笼式和绕线式两种。笼式转子的异步电动机结构简单、运行可靠、重量轻、价格便宜,得到了广泛的应用,其主要缺点是调速困难。绕线式三相异步电动机的转子和定子一样也设置了三相绕组并通过滑环、电刷与外部变阻器连接。调节变阻器电阻可以改善电动机的起动性能和调节电动机的转速。


三相异步电动机的工作原理

当向三相定子绕组中通入对称的三相交流电时,就产生了一个以同步转速n1沿定子和转子内圆空间作顺时针方向旋转的旋转磁场。由于旋转磁场以n1转速旋转,转子导体开始时是静止的,故转子导体将切割定子旋转磁场而产生感应电动势(感应电动势的方向用右手定则判定)。由于转子导体两端被短路环短接,在感应电动势的作用下,转子导体中将产生与感应电动势方向基本一致的感生电流。转子的载流导体在定子磁场中受到电磁力的作用(力的方向用左手定则判定)。电磁力对转子轴产生电磁转矩,驱动转子沿着旋转磁场方向旋转。


通过上述分析可以总结出电动机工作原理为:当电动机的三相定子绕组(各相差120度电角度),通入三相对称交流电后,将产生一个旋转磁场,该旋转磁场切割转子绕组,从而在转子绕组中产生感应电流(转子绕组是闭合通路),载流的转子导体在定子旋转磁场作用下将产生电磁力,从而在电机转轴上形成电磁转矩,驱动电动机旋转,并且电机旋转方向与旋转磁场方向相同。


三相异步电动机接线图-三相异步电动机的基本接线

三相异步电动机绕组出来的六根线可以分为两种最基本的接法:三角形△接法和星形接法。


六根线=三个电机绕组=三个首端+三个尾端,万用表测量同绕组首尾端相通,即:U1—U2,V1—V2,W1—W2。


三相异步电动机接线图


1、三相异步电机三角形△接法。

三角形△接法就是将三个绕组首尾端依次相连,构成三角形,如图所示:


三相异步电动机接线图


2、三相异步电动机的星形接法

星形接法就是将三个绕组的尾端或者首端相连,另外三根线作为电源接线。如图所示接法:


三相异步电动机接线图


3、三相异步电动机既可以做星形接法,也可以做三角形△接法,电机端盖接线图或者电机铭牌会有说明。


三相异步电动机接线图之图文讲解

相电动机接线盒 三相异步电动机y接时,接线盒里,连接片的连接方式 三相异步电动机角接时,接线盒连接片的连接方式 学习三相异步电动机的两种接法。。


三相电动机接线盒


三相异步电动机接线图


三相异步电动机y接时,接线盒里,连接片的连接方式


三相异步电动机接线图


三相异步电动机角接时,接线盒连接片的连接方式


三相异步电动机接线图


三相异步电动机的两种解法:星型接法和三角解法。


三相异步电动机接线图


三角接法

在承受相同电压及相同线径的绕组线圈中,星型接法比三角型接法每相匝数少根号3倍(1.732倍),功率也小根号3倍。成品电机的接法已固定为承受电压380V,一般不适宜更改。只有三相电压级别与正常380V不同时才改变接法,如三相电压220V级别时,原三相电压380V星型接法改为三角型接法就能适用;如三相电压660V级别时,原三相电压380V三角型接法改为星型接法就能适用,其功率不变。一般小功率电机是星型接法,大功率的是三角接法。


额定电压下,应该使用三角形连接的电动机,如果改成星形连接,则属于降压运行,电动机功率减小,启动电流也减少。额定电压下,应该使用星形连接的电动机,是不允许的。大功率电机(三角型接法)起动时的电流很大,为了减少起动电流对线路的冲击,一般采用降压起动,原三角型接法运行改为星型接法起动就是其中一种方法,星型接法起动后转换回三角型接法运行。


三相异步电动机接线图


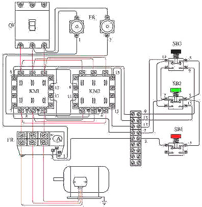
三相异步电动机接线图-正反转接线实图

三相异步电动机正反转接线实物图:


三相异步电动机接线图


电机要实现正反转控制,将其电源的相序中任意两相对调即可(我们称为换相),通常是V相不变,将U相与W相对调节器,为了保证两个接触器动作时能够可靠调换电动机的相序,接线时应使接触器的上口接线保持一致,在接触器的下口调相。由于将两相相序对调,故须确保二个KM线圈不能同时得电,否则会发生严重的相间短路故障,因此必须采取联锁。


为安全起见,常采用按钮联锁(机械)与接触器联锁(电气)的双重联锁正反转控制线路(如下图所示);使用了按钮联锁,即使同时按下正反转按钮,调相用的两接触器也不可能同时得电,机械上避免了相间短路。另外,由于应用的接触器联锁,所以只要其中一个接触器得电,其长闭触点就不会闭合,这样在机械、电气双重联锁的应用下,电机的供电系统不可能相间短路,有效地保护了电机,同时也避免在调相时相间短路造成事故,烧坏接触器。


三相异步电动机接线图


图中主回路采用两个接触器,即正转接触器KM1和反转接触器KM2。当接触器KM1的三对主触头接通时,三相电源的相序按U―V―W接入电动机。当接触器KM1的三对主触头断开,接触器KM2的三对主触头接通时,三相电源的相序按W―V―U接入电动机,电动机就向相反方向转动。电路要求接触器KM1和接触器KM2不能同时接通电源,否则它们的主触头将同时闭合,造成U、W两相电源短路。为此在KM1和KM2线圈各自支路中相互串联对方的一对辅助常闭触头,以保证接触器KM1和KM2不会同时接通电源,KM1和KM2的这两对辅助常闭触头在线路中所起的作用称为联锁或互锁作用,这两正向启动过程对辅助常闭触头就叫联锁或互锁触头。


联系方式:邹先生

联系电话:0755-83888366-8022

手机:18123972950

QQ:2880195519

联系地址:深圳市福田区车公庙天安数码城天吉大厦CD座5C1


请搜微信公众号:“KIA半导体”或扫一扫下图“关注”官方微信公众号

请“关注”官方微信公众号:提供 MOS管 技术帮助