UPS电源 UPS四种不同接线图详解 UPS与ATS配合应用详解-KIA MOS管
信息来源:本站 日期:2018-05-15

1)正常运行方式
不断电系统的供电原理是当市电正常时,机器会将市电的交流电转换为直流电,而后对电池充电,以备电力中断时使用;这里跟各位强调的是不断电系统并不是停电时才会动作,像是遇到电压过低或过高、瞬间突波等,足以影响设备正常运转的电力品质时,不断电系统均会动作,提供设备稳定且干净的电力。当市电正常供电时,市电经滤波回路后,分为两个回路同时动作,其一是经由充电回路对电池组充电,另一个则是经整流回路,作为逆变器的输入,再经过逆变器的转换提供电力给负载使用;由此可知,在线式不断电系统的输出完全由逆变器来供应,因此不论市电电力品质如何,其输出均是稳定而不受任何影响。
2)电池工作方式
一旦市电发生异常时,将储存于电池中的直流电转换为交流电,此时逆变器的输入改由电池组来供应,逆变器持续提供电力,供给负载继续使用,达到不断电的功能。UPS不间断电源系统的电力来源是电池,而电池的容量是有限的,因此不断电系统不会像市电一般无限制的供应,所以不论多大容量的不断电系统,在其满载的的状态下,其所供电的时间必定有限,若要延长放电时间,须购买长时间型不断电系统。
3)旁路运行方式
当在线式UPS超载、旁路命令(手动或自动)、逆变器过热或机器故障,UPS一般将逆变输出转为旁路输出,即由市电直接供电。由于旁路时,UPS输出频率相位需与市电频率相位相同,因而采用锁相同步技术确保UPS输出与市电同步。旁路开关双向可控硅并联工作方式,解决了旁路切换时间问题,真正做到了不间断切换,控制电路复杂,一般应用在中大功率UPS上。如果在过载时,必须人为减少负载,否则旁路短路器会自动切断输出。
4)旁路维护方式
当UPS进行检修时,通过手动旁路保证负载设备的正常供电,当维修操作完成后,重新启动UPS, UPS 转为正常运行。极低的维护率,MTTR为15万小时,极大地提高UPS不间断电源可用性。
从应用的角度看,UPS功能的变化经历了三个阶段。第一阶段是硬件保护,保护负载设备的硬件系统不会因为电力异常或供电突然中断而损坏;第二阶段是数据保护,当市电中断时,保护负载设备的数据资料不会因为突然停电而损毁或丢失;第三阶段是系统可用性保护,在市电正常、异常,甚至中断情况下,都要保证后面的关键负载有高品质的电力供应。这三个阶段的变化都是随着社会发展和技术进步,人们对生产系统的需求不断提升而促进的。第一阶段凸显在UPS诞生不久的上世纪七、八十年代,第二阶段盛行于上世纪九十年代中期,第三阶段从上世纪九十年代后期开始变得越来越重要,直至今天系统可用性仍然是数据中心、工厂、医院、轨道交通等用电场所对UPS供电系统要求的最重要指标之一。
为了提升系统可用性,人们提出并实行了多种改善方案,比如在UPS组合方案方面由单机到串联热备份,再到并联冗余、双总线、分布式冗余等等;在UPS选型方面,由塔式一体机到各部分可热插拔更换的模块机;在配套的外围设备方面,选配更高性能的蓄电池,增加更加智能和人性化的监控管理系统,引入多路电源并配置ATS(Automatic Transfer Switching Equipment自动转换开关)等等。其中UPS跟ATS装置的配合应用目前比较普遍,并且也出现过不少问题,本文主要针对这一应用进行论述。
电源割接中,对于双电源设备,可以采用断电割接方法;但是遇到单电源设备,而且该设备非常重要,不容许中断割接,往往需要采用不断电割接流程,割接流程和步骤演示如下图:
参考步骤:
1.新建UPS新系统,新系统调试和蓄电池容量测试完成。
2.布放临时电缆,从新UPS输出屏布放电缆至待割接电源头柜及老输入屏旁路开关,确认无误后,对该电缆送电。
3.测试电源正常后,关闭老UPS系统逆变器,确认老UPS工作在旁路模式,这时老UPS系统供电和新UPS系统供电同源(输出均来自新UPS系统)。
4.合新UPS主路输出,测试头柜主路备用空开上下端电压,进行核相操作(测量主用侧备用开关上下桩头电压差,原则小于1V),确认后可先合5.5.主用侧备用开关,进行电流确认,再断主用侧主用开关。
6.拆除老UPS到头柜的主路电缆。
7.相同方法,割接备用电源。
8.割接完成,拆除临时电缆和旧电缆。
9.做好空开和电缆的标记标示。
*注意:考虑不同UPS系统间蓄电池配置不同,考虑UPS系统中的蓄电池更新周期短,一般情况下UPS更新均与蓄电池更新同步进行,故UPS割接过程中一般不考虑蓄电池割接步骤。
在线电源系统割接工程必须要以确保在网设备安全运行、整个网络安全畅通为原则,任何危及通信网络安全的操作,必须无条件终止。
在实施在线电源系统割接工程之前和工程期间,必须保证新、旧设备完好无故障,若出现任何可能危及安全供电的因素,必须无条件终止,待故障排除后方可继续。
在业务不允许中断供电的前提下,应采用在线不断电的割接方案,否则应采用断电割接方案;
工程割接时间应该避让业务高峰,重大割接安排在夜间进行;
工程割接日期应该避让重大节日、重大通信保障任务时期以及其他专业安排进行的网络调整和版本升级时间;
实施在线电源系统割接工程的工程人员必须精通电源设备操作和工程施工操作、熟悉通信电源系统割接流程、牢记应急方案。
实施割接的施工队伍,必须具备相应工程级别资质的施工证;
维护部门在割接过程中应安排专人全程督导,协助割接工程的设计勘察、审核割接方案和应急方案,监督割接的实施。
在割接工程期间,维护部门对发现的重大方案缺陷、重大施工安全隐患等,有权对割接工作行使“一票否决”,终止割接工程。
1.新UPS系统完成开机调试、蓄电池全容量测试,监控到位。
2.提前布放电缆,并粘贴标准电缆标签;需要使用临时线缆时,必须选择合适线径,可靠连接,并有明显的标识
3.根据原电源设备电缆的接线位置,编写电缆编号标记,确保电缆拆装过程中不会错乱。
4.确认所有双电源设备主备用电源模块均工作正常,且主备用电源分开。
5.提前发布割接工程公告。
6.确认相关各专业已对相关业务做好数据备份,且已准备应急方案。
7.消防器材、安全救护设备准备到位。
8.正确穿戴和使用个人防护用品,不携带任何金属物品并去掉可能导致不安全的随身饰物(手表、脖子上戴的工作牌等)。
根据《供配电系统设计规范》(GB50052-2009)规定,符合下列情况之一时,应视为一级负荷:
1、中断供电将造成人身伤害时;
2、中断供电将在经济上造成重大损失时;
3、中断供电将影响重要用电单位的正常工作时[1]。
一级负荷应由双重电源供电,当一电源发生故障时,另一电源不应同时受到损坏[2]。
所以数据中心、轨道交通、工厂、医院等一些重要的用电场所通常都具有一路市电和一路油机或者两路市电和一路油机供电,这时就出现了UPS与ATS配合应用的情况。
目前UPS与ATS配合应用的方案(或者说是UPS接入两路输入电源的方案)主要包括三大类:
图1中两路电源一路接UPS的主输入,另一路接UPS的旁路输入,这种方案在市场上的应用还比较多,但有逐渐减少的趋势。它的本质是将UPS内部的静态开关作为外部的ATS使用,优点是节省了ATS成本,但缺点也非常明显。若主输入电源中断时,UPS就只能转电池工作,此时即便另一路电源正常也不能使用,只有当电池放完或者异常时才能转到另一路电源供电,但此时是走的UPS旁路,没有经过UPS的整流和逆变处理,若输入电源异常可能会导致负载不能正常工作甚至中断。若旁路输入电源中断,UPS将工作在没有旁路的告警状态下,一旦UPS自身出现异常可能会直接导致负载中断。同时,还必须考虑两路电源的零线处理问题,处理不好可能会导致UPS或负载莫名其妙地出现告警或故障。总之这种方案没有充分发挥两路电源的效用,并且改变了UPS设备自身的设计初衷,不建议使用。
图2中两路电源分别进入UPS双总线供电系统的一条总线,彼此没有关联。这种方案虽然不存在零线处理和改变UPS设计初衷的问题,但也仅限于应用在后端没有通过STS(StaticTransferSwitch静态转换开关)供电的单电源设备状况下,并且当任一路输入电源中断时,系统都将运行于单总线供电状态,使系统工作可靠性大受影响,除非电池配置的足够多。
该方案是指将两路电源经ATS转换成一路供给后面的UPS设备或者系统(如图3所示)。对于UPS单机或者并机系统来说该方案是合理的,也比较常用,对于双总线系统来说该方案就显得比较单薄,存在ATS单点故障风险,此时最好采用ATS组合方案。
采用ATS组合的方案有多种,不同的组合方案最终的工作可靠性和成本可能会有很大的差异。图4是传统的ATS组合UPS双总线接线示意图,图中有三路电源输入,经过两个ATS组合转化成一路供给UPS系统,因为后面有经过STS供电的单电源负载,所以在两条总线的UPS之间加装了LBS(Load Bus Synchronizer负载同步控制器)。初步看来这个方案是比较合理的,但跟图5比较就会发现其明显的不足,最主要的就是图4具有太多的单点故障点和相依性,工作可靠性明显不如图5。图5增加了ATS3和输入配电柜2,并将集中STS设备更改为分散的机架式ATS,根据机架式ATS的特性取消了LBS控制器,从而成为一套完全隔离的双总线系统,一条总线跟另一条总线相互冗余,并且完全隔离,工作可靠性得到了极大的提升。在成本投资上,图5中的设备量虽然增加了,但增加的设备相对比较便宜,与取消的集中式STS设备和LBS设备相比,总体成本未必会有增加。
在上述的UPS与ATS配合应用的方案中,其实还存在一个问题,那就是ATS型号的选用,主要是指3极ATS和4极ATS的选用问题。具体来分4极ATS的转换又包括三种:
1、零线与相线同时断开和同时导通型;
2、零线比相线后断开,比相线先导通型;
3、零线先通后断,始终不中断型。
对于3极ATS来说,零线始终是接牢的,不会断开,选用这类ATS只要处理好两路电源的零线连接问题即可,不能强制短接,也不能形成不规范的多点接地。
零线与相线同时断开和同时导通型的4极ATS不存在将两路电源的零线直接短接问题,但会存在零线中断的现象,甚至在转换过程中出现零线电压扰动,将问题甩给后面的UPS和负载。同时也很难保证四路触点完全同步,如果零线在相线之前断开,可能会在零线上产生瞬变高压和电弧,腐蚀触点。
零线比相线后断开,先导通型的4极ATS不存在零线触点拉弧现象,但仍存在零线闪断,甚至零线扰动的情况。
零线先通后断型的ATS需要处理好两路电源的零线间不要存在压差,在接通瞬间不会产生电流即可。
从上面的比较可以看出,各类型ATS的差异就在于零线要不要一起转换,怎么转换!对于3P3W+PE不需要接零线的UPS系统自然没有影响,但对于3P4W+PE,需要采取TN-S接线系统的UPS系统来说,这个问题就非常关键,有的用户没有处理好这一点就发生了问题。
在UPS设备内部,零线的作用会随UPS的结构不同而有所差异。
图6是工频UPS的架构示意图,从中可以看出,零线只是在旁路和输出变压器的次级才会有,在整个UPS的内部主线路中都不会用到零线,输入输出的零线是直通的。这是因为工频UPS的整流器用的是三相SCR自然换相整流,即相控整流,不需要零线,整流后的直流母排电压只有一组,也没有中间抽头,逆变器是全桥逆变,仍然不需要零线。在UPS旁路和输出变压器的次级引入零线的作用就是为了给后面的负载提供工作零线,否则单相负载将无法工作。
其实在工频UPS内部还是有用到零线的地方的,那就是辅助电源的取电及逻辑电路的基准点。UPS通常是取自单相电源(L和N),经转换后形成辅助电源提供给整流、逆变、静态开关的控制电路,以及DSP(或者CPU)、风扇等用电。同时UPS的逻辑电路也是以零线电位为参考点的,以确保检测电路的准确无误。
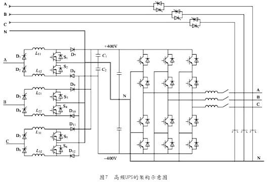
图7是一种高频UPS的架构示意图,从中可以看出,高频UPS中零线的用途会比工频UPS多很多。这是因为高频UPS的整流器多是采用IGBT整流,并且加装PFC电路,该工作方式是将输入交流电源的正半周和负半周分别处理,所以会用到零线。整流后的直流母排电压也是有正负两组,在零线和正负极之间分别跨接直流电容,作为滤波和续流之用。高频UPS的逆变器采用的是半桥逆变器,将正负两组直流电压分别逆变成交流输出的正负半周。高频UPS内部从前到后始终离不开零线,但输入输出间的零线也只是经过了高频滤波器的电感线圈后直通的。
对于三相电源来讲,零线中断将使电压重新分配,如图8所示,如果三相电源中每两相之间的电压是380V,单相负载1和负载2分别接在三相电源的单相上,正常情况下如图8(a),每路负载的输入电压都是交流220V,互不影响,负载能够正常工作。如果零线中断,将会形成图8(b)的情况,380V的交流电压同时加在负载1和负载2上,负载1和负载2分别分担的电压是:
此时如果负载1和负载2的阻抗相等,则每路负载分担的电压是:380V/2=190V。
如果负载1的阻抗是5Ω,负载2的阻抗是1Ω,那么负载1上分得的电压将是317V,负载2上分得的电压将是63V,二者都不能正常工作,甚至还有可能会烧毁!
在UPS供电系统中,UPS是下游负载的电源,也是上游电源的负载,当上游电源系统的零线中断时,UPS同样面临380V电压重新分配的问题,虽然不像UPS后面的负载那样可能存在严重的三相不平衡,但也会对UPS产生一定的影响,毕竟上游的电源不会像UPS输出的电源那样稳定和标准。
输入电源的零线中断或扰动会直接威胁到UPS的EMI电路中X电容和MOV,使其失去功效甚至炸裂,同时也可能会影响到UPS整流、逆变、PFC等电路的控制异常,以及逻辑电路的基准点偏离,从而产生误侦测、误告警。
输入电源的零线中断或扰动也会对UPS后面的负载产生影响,因为不论是传统的工频机还是高频机,输入输出零线都是相通的,UPS和其后面的负载都是以上游电源的零线作为参考基准点。当输入电源的零线中断或扰动时UPS可以转电池工作,继续给后面的负载供电,但此时的零地电压可能会很高或者产生波动,有些负载对零地电压很敏感,可能会因为参考基准点的偏离而告警、误动作、不能正常工作,甚至烧毁,这些后果的产生都是由上游的电源零线异常导致的,不是UPS力所能及改善的!
IEC62040-1-2和GB7260.4中有明确说明:UPS的输出中性线依赖于输入电源或供电系统的中性线时,如果电源的外部隔离/转换等会引起危险,则安装说明书中应给出足够信息,防止该中性线缺失[3]。
CEMEP(欧洲电机和电力电子制造商委员会)European UPS Guide也明确提出:许多UPS系统采用输入电源的中性线作为UPS输出中性线的基准,当对UPS上游电源采用多电源隔离或转换时,应特别注意要确保输入电源中性线基准在UPS运行期间不会断开[4]。
由上述两条可知,UPS输出零线依赖于输入电源或供电系统的零线是有标准依据的,并且市面上常用的UPS也都是这样设计的。同时这类UPS对其上游所选用的ATS的要求也是非常明确,那就是零线不能中断!能满足这种要求的ATS类型只有两种:3极ATS和零线先通后断、始终不会中断的4极ATS。
对于少数3P3W+PE不需要接零线的UPS来说,选用3极ATS自然也可以满足。
由前面的《2.UPS与ATS配合应用的方案及分析》可知,在UPS与ATS配合应用的方案上,单机或并机系统适合采用单一ATS方案(如图3所示)。该方案结构简单,成本较低,配置和维护比较方便,可靠性也能满足要求,万一ATS故障可以人为打到旁路或者让UPS运行于电池状态下进行维护。
对于双总线或者更复杂的UPS供电系统建议采用ATS组合方案(如图5所示)。因为复杂的供电系统预示着更高的工作可靠性要求和更多的成本投入,增加一台ATS能够消除系统单点故障点从而提升整个系统的可靠性是非常值得的!(注意:ATS是不能直接并联的,否则切换不同步时会导致两路电源直接短路!)
针对上述两种方案的ATS选型,一定要选择3极ATS或者零线先通后断的4极ATS。这两种ATS的零线都是可以直接相连接的,一个是始终连在一起,一个是用到时连在一起,但是在连接之前一定要创造可连接的条件,连接时不能有零线环流产生。具体方法可以有两种。
第一种方法是净化零线系统
主要从下面几个方面入手。
1、保证上游变压器到ATS端的两条零线都是给UPS系统专用的,没有另外接不平衡负载或者易产生3次谐波的设备;
2、变压器到ATS的两条零线线径够粗,接地电阻足够小;
3、ATS后面的零线不做重复接地。
保证了这几点在ATS端测量到两路电源的零地电压通常会接近于零,尤其是ATS离上游两台变压器比较近的情况下,这样在ATS前端的两条零线可以随时连接到一起。这种方法既适用于3极ATS也适用于零线先通后断的4极ATS。
第二种方法是加装隔离变压器
如果第一种方法无法满足,就需要加装离变压器来实现。对于3极ATS来说,可以在靠近ATS端给其中一路输入电源加装隔离变压器,并将隔离变压器二次侧的零线跟另一路输入电源的零线接到一起,这样就解决了两路输入电源的零线短接问题(如图9所示,灰色线为N线)。对于零线先通后断的4极ATS来说,需要在靠近ATS端给两路输入电源分别加装隔离变压器,并将隔离变压器二次侧的零线独立接地,从而满足第一种方法的条件(如图10所示,灰色线为N线)。
结束语
系统工作可用性是当今UPS供电系统追踪的重要指标之一,为此很多单位都具备了两路电源甚至三路电源,如何把这些输入电源跟UPS供电系统很好地结合起来,主要就体现在UPS与ATS配合应用的方案上面,处理不好就会出现这样或者那样的问题。单机或并机系统适合采用单一ATS方案,对于双总线或者更复杂的供电系统适合采用ATS组合方案,但是对应的ATS型号如何选用,零线如何处理也都是关系到方案成败的关键!
联系方式:邹先生(mos管专家)
联系电话:0755-83888366-8022
手机:18123972950
QQ:2880195519
联系地址:深圳市福田区车公庙天安数码城天吉大厦CD座5C1
请搜微信公众号:“KIA半导体”或扫一扫下图“关注”官方微信公众号
请“关注”官方微信公众号:提供 MOS管 技术帮助
