实亿国际车载电源转换器-车载电源转换器电路图及转换设计方案-KIA MOS管
信息来源:本站 日期:2018-05-16
由于电子元件提供了更高的可靠性,使OEM能够实现绿色能源目标,汽车电气化持续增加。最显著的变化是在传统的12V平台上增加了高压、高功率电池,这些高电压、高功率电池在300V 上,堆积物测试成本和风险也变得更高的,因此需要一个新的测试范例来解决这些车辆的高压、高功率环境。
电池是电动汽车的心脏。它的电压和功率必须是高的,以提供给电动汽车更长的续航时间所需的持久能量。电源转换器是必要的,从电池中获取高压直流,并将其转换成不同的电压和电流,以驱动的不同系统,如图所示。
然而,并不是所有的系统都与电池的电压相同。汽车前灯、信息娱乐和驾驶辅助系统可以在12V直流电压下运行,而加热、电动/液压动力转向(EPS/EHPS)和轧辊的稳定运行需要48V直流电压。
车载充电器(OBC)是一种交流/直流系统,可以在高压电网中对电池进行充电,它能将交流电从电网转换为电池所需要的直流电源。车辆中也有交流元件和负载,如电机和发电机,电池的直流电源被转换成交流电来驱动电机。同样,再生制动产生的交流电源转换成直流电源,储存在电池中。
功率转换效率评估一种电力形式向另一种形式转换的效果如何。效率的测量方法是将瓦特的输出功率除以瓦特的输入功率,并以百分数表示,功率转换器的效率通常超过90%。
功率转换过程效率越高,浪费的功率就越小。使功率转换效率最大化是重要的,因为浪费的电力的成本是高昂的。高功率的转换效率使电动汽车能源消耗的更少,不需要频繁的充电,能行驶更长的距离,变得更环保。
随着汽车电气化技术的普及,电动汽车市场的快速发展正驱动着对更高效率功率转换技术的需求。这些开发有助于正确地度量和管理电动汽车的功耗。准确的功率转换测量是降低能耗、提高功率转换效率的关键。
先进的宽带隙半导体,如碳化硅(SiC)和氮化镓(GaN),能够以进行高电压和高功率操作。与任何新技术一样,电源转化器也有新的挑战要解决。工程师需要考虑高压、高功率设计和测试的影响,以使成本最小化,符合安全规则,避免电路故障、电磁干扰(EMI)、热问题等等。
适用于高电压和高功率的测试设备比低功率设备贵很多倍,运营费用将会增加,因为一个10kW的电源消耗的电量是1kW的10倍。所有这些能量将产生大量的热量,需要被消耗掉。冷却系统有助于减少热量,但增加了排放的成本。为了遵守高电压安全规则,需要考虑安全断开系统。如果要在全世界部署这些系统,支持和维护计划将变得更加复杂,所有这些都导致了高成本。
HEV/EV中的功率转换器具有双向能量流。测试双向和再生能源系统和设备需要一个两象限的解决方案,就像电池一样。在设计和测试环境中,电池不是一种有效的测试工具,因为你不能将电压或其他特性设置为你需要的来做特定测试。
测试电力转换器的新方法应该解决测试的挑战和消除通用测试方法的缺点。一个例子是1003A电源转换器测试解决方案,它是测试HEV/EV电源转换器(如OBC)的理想方案,如图2所示。EV1003A由三种仪器组成:RP7900系列再生电力系统,它取代了电池在测试装置中的位置;PA2200系列集成功率分析仪,进行功率测量;SD1000安全断开解决方案,处理故障和确保输出安全。
EV1003A扩展了功率曲线,使用户在一个电源中有更多的电压和电流组合。当需要更多的能量时,可以通过简单的并行连接创建一个高达150kW的系统。EV1003A解决方案的核心是RP7900。它为汽车电气化测试提供了电池仿真能力,如两象限操作和可编程输出电阻。例如,RP7900可以作为一种源动力来测试车辆的系统和接收器功率,以测试车辆的车载充电系统和再生制动。与一般方法相比,直流精度和动态性能得到了优化。所有电流都有一个测量系统,大大提高了测量性能。
RP7900的再生能力也使消耗的能量返回到电网中,电力的成本降低了85%以上。该集成功率分析仪使测试的交流和直流功率测量变得更简单,它可以测量任何车辆的功率转换器,例如车载充电器的交直流功率转换效率。
安全断开系统的设计专门用于RP7900系列。在对故障的响应中,安全断开将在不到15毫秒内消除输出电压。故障可由RP7900或用户通过紧急开关产生,它也符合EMC和安全法规。
设计了一个解决方案,专门解决市场面临的安全、监管和环境问题。这个解决方案是唯一的商业的再生电力系统,具有高度集成的安全特性,保护测试人员和测试设备。再生能力使消耗的能量能够干净利落地返回到电网中,节省能源消耗和冷却的成本,同时不影响电网。解决方案和全球范围的支持让用户有信心部署高电压、高功率的解决方案,以满足市场的快速、高速增长的需求。
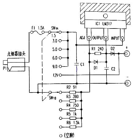
汽车点烟器获取的电压是12的直流电压,一般的12V低压电器可直接使用。但有些CD、MP3、MP4等却需要不同的电源电压,如3V、6V等等。下面简单转换器可解决这一问题。
电路图如上所示,12V电源从车载点烟器插孔取出,经二刀六位波段开关之一SW1A送入可调三端稳压器LM317的输入脚,LM317的调整脚(ADJ)经SW1B接入不同阻值的电阻到电源负端。当SW1在不同档位时,就可在输出端获得1.5V、3.0V、5.0V、6.0V、9.0V、12V几种电压,供相应的低压电器使用。LM317应安装在铝散热器(100×100×25mm)上,主要是因为在1.5V档时发热量较大。整个电路装入适当的小盒中,面板上只设波段开关即可。
图中R2~R6是输出电压设定电阻,若需其它等级电压,可按下式计算:
VOUT=(1+R2/R1)VREF+IADJ≌(1+R2/R1)VREF
式中VREF为基准电压,典型值1.25V,IADJ为ADJ脚流出电流,典型值50μA,R2代表图中R2~R6之一。
图中C1、C2为防振电容,C3可提高纹波除去率和电路稳定性,D1为输出短路保护二极管,D2防止输出端出现高于输入端电位时对稳压器的损害。
联系方式:邹先生
联系电话:0755-83888366-8022
手机:18123972950
QQ:2880195519
联系地址:深圳市福田区车公庙天安数码城天吉大厦CD座5C1
请搜微信公众号:“KIA半导体”或扫一扫下图“关注”官方微信公众号
请“关注”官方微信公众号:提供 MOS管 技术帮助
