直流降压原理-简单直流降压电路图与降压变换器电路图解析-KIA MOS管
信息来源:本站 日期:2019-05-09
斩波电路的典型用途之一是拖动直流电动机,也可带蓄电池负载,两种情况下负载中均会出现反电动势,如下图中Em所示
工作原理,两个阶段
如下图所示,LM317输出电流为1.5A,输出电压可在1.25-37V之间连续调节,其输出电压由两只外接电阻R1、RP1决定,输出端和调整端之间的电压差为1.25V,这个电压将产生几毫安的电流,经R1、RP1到地,在RP1上分得的电压加到调整端,通过改变RP1就能改变输出电压。
注意,为了得到稳定的输出电压,流经R1的电流小于3.5mA。LM317在不加散热器时最大功耗为2W,200×200×4mm3散热板时其最大功耗可达15W。VD1(IN4002)为保护二极管,防止稳压器输出端短路而损坏IC,VD2(IN4002)用于防止输入短路而损坏集成电路。
简单直流降压电路图-48V输入12V输出直流降压电路
48V输入12V输出的直流降压电路如下图所示:

直流稳压电源是一种将220V工频交流电转换成稳压输出的直流电的装置,它需要变压、整流、滤波、稳压四个环节才能完成。一般由电源变压器、整流滤波电路及稳压电路所组成,基本框图如下:
直流稳压电源的原理框图和波形变换图
1、降压部分
电源变压器是降压变压器,它的作用是将220V的交流电压变换成整流滤波电路所需要的交流电压Ui。变压器的变比由变压器的副边按比例确定,变压器副边与原边的功率比为P2/P1=n,式中n是变压器的效率。
2、整流部分
该设计采用单相桥式整流电路。其由四只二极管组成,其构成原则就是保证在变压器副边电压u的整个周期内,负载上的电压和电流方向始终不变。为达到这一目的,需要在Uz的正、负半周内正确引导流向负载的电流,使其方向不变,设变压器副边两端分别为a和
b,则a为“+”b为“一”时应有电流流出a点,a为“一”b为“+”时应有电流流入a点;相反,a为“+”b为“一”时应有电流流入b点,因而a和b点均应接两只二极管,以引导电流,具体电路原理如下图所示。
单相桥式整流电路
如果桥式整流电路变压器副边中点接地,就应将两个负载电阻相连接且连接中点接地。根据桥式整流电路的工作原理,当a点为“+”b点为“一”时,Dl、D3导通,D2、D4截止,U01=U2,U02=一U2;而当b点为“+”a点为“一”时,D2、D4导通,D1、D3截止,U01=一U2,U02=U2,这样两个负载上就分别获得正、负电压。
若设变压器副边电压u2=U2sinwt,U2为其有效值。当u2为正半周时,电流由a点流出,经Dl、RL、D3流入b点,因而负载电阻RL上的电压等于变压器副边电压,即uo=u2,D2和D4管承受的反向电压为一u2。当u2为负半周时,电流由b点流出,经D2、RL、D4流入a点,负载电阻RL上的电压等于一u2,即uo=一u2,D1、D3承受的反向电压为u2。这样,由于D1、D3和D2、D4两对二极管交替导通,致使负载电阻RL上在u2的整个周期内都有电流通过,而且方向不变,则输出电压uo=|U2sinwt|。
3、滤波电路
经过整流后的直流电幅值变化很大,会影响电路的工作性能。可利用电容的“通交流,隔直流”的特性,在电路中并人两个并联电容作为电容滤波器,滤去其中的交流成分。
电容滤波电路是最常见也是最简单的滤波电路,在整流电路的输出端(即负载电阻两端)并联一个电容即构成电容滤波电路。滤波电容容量较大,因此一般均采用电解电容,在接线时要注意电解电容的正负极。电容滤波电路利用电容的充、放电作用,使输出电压趋于平滑。如果将两个滤波电容相连接,且连接点接地,就可同时得到输出电压平滑的正负电源。
在理想情况下,变压器副边无损耗,二极管导通电压为零,所以电容两端电压相等。而当其上升到峰值后开始下降,电容便通过负载电阻放电,其电压也开始下降,趋势与电容两端电压基本相同。但是由于电容按指数规律放电,所以当其下降到一定数值后,电容将继续通过负载放电,电容两端电压按指数规律缓慢下降。
将220V交流电转换为低压直流的常规方法是采用变压器降压后再整流滤波,但是当产品受体积和成本等因素的限制时,最简单实用的方法就是采用电容降压方式。
一、电路原理
电容降压式简易电源的基本电路如图1,C1为降压电容器,VD2为半波整流二极管,VD1在市电的负半周时给C1提供放电回路,VD3是稳压二极管,R1为关断电源后C1的电荷泄放电阻。在实际应用时常常采用的是图2的所示的电路。当需要向负载提供较大的电流时,可采用图3所示的桥式整流电路。
整流后未经稳压的直流电压一般会高于30伏,并且会随负载电流的变化发生很大的波动,这是因为此类电源内阻很大的缘故所致,故不适合大电流供电的应用场合。
二、器件选择
1.电路设计时,应先测定负载电流的准确值,然后参考示例来选择降压电容器的容量。因为通过降压电容C1向负载提供的电流Io,实际上是流过C1的充放电电流Ic。C1容量越大,容抗Xc越小,则流经C1的充、放电电流越大。当负载电流Io小于C1的充放电电流时,多余的电流就会流过稳压管,若稳压管的最大允许电流Idmax小于Ic-Io时易造成稳压管烧毁。
2.为保证C1可靠工作,其耐压选择应大于两倍的电源电压。
3.泄放电阻R1的选择必须保证在要求的时间内泄放掉C1上的电荷。
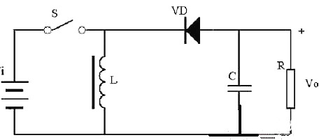
DC-DC变换器的基本电路有升压变换器、降压变换器、升降压变换器三种。
降压变换器原理图如图1所示,当开关闭合时,加在电感两端的电压为(Vi-Vo),此时电感由电压(Vi-Vo)励磁,电感增加的磁通为:(Vi-Vo)*Ton。
当开关断开时,由于输出电流的连续,二极管VD变为导通,电感削磁,电感减少的磁通为:(Vo)*Toff。
当开关闭合与开关断开的状态达到平衡时,(Vi-Vo)*Ton=(Vo)*Toff,由于占空比D《1,所以Vi》Vo,实现降压功能。
降压变换器原理图
升压变换器原理图如下图所示,当开关闭合时,输入电压加在电感上,此时电感由电压(Vi)励磁,电感增加的磁通为:(Vi)*Ton。
当开关断开时,由于输出电流的连续,二极管VD变为导通,电感削磁,电感减少的磁通为:(Vo-Vi)*Toff。
当开关闭合与开关断开的状态达到平衡时,(Vi)*Ton=(Vo-Vi)*Toff,由于占空比D《1,所以Vi。
升压变换器原理图
升降压变换器、入出极性相反原理如下图,当开关闭合时,此时电感由电压(Vi)励磁,电感增加的磁通为:(Vi)*Ton;当开关断开时,电感削磁,电感减少的磁通为:(Vo)*Toff。当开关闭合与开关断开的状态达到平衡时,增加的磁通等于减少的磁通,(Vi)*Ton=(Vo)*Toff,根据Ton比Toff值不同,可能Vi《Vo,也可能Vi》Vo。
联系方式:邹先生
联系电话:0755-83888366-8022
手机:18123972950
QQ:2880195519
联系地址:深圳市福田区车公庙天安数码城天吉大厦CD座5C1
请搜微信公众号:“KIA半导体”或扫一扫下图“关注”官方微信公众号
请“关注”官方微信公众号:提供 MOS管 技术帮助