实亿国际

实亿国际

国家高新企业

cn

新闻中心

实亿国际开关电源mos管型号表大全-5种常用开关电源MOSFET驱动电路-KIA MOS管

实亿国际信息来源:本站 日期:2019-04-18 

分享到:

开关电源mos管型号

开关电源概述

开关模式电源(Switch Mode Power Supply,简称SMPS),又称交换式电源、开关变换器,是一种高频化电能转换装置,是电源供应器的一种。其功能是将一个位准的电压,透过不同形式的架构转换为用户端所需求的电压或电流。开关电源的输入多半是交流电源(例如市电)或是直流电源,而输出多半是需要直流电源的设备,例如个人电脑,而开关电源就进行两者之间电压及电流的转换。


开关电源mos管型号


开关电源mos管型号原厂

开关电源mos管型号供应商概述,深圳市可易亚半导体科技有限公司(简称KIA半导体).是一家专业从事中、大、功率场效应管(MOSFET)、快速恢复二极管、三端稳压管开发设计,集研发、生产和销售为一体的国家高新技术企业。


开关电源mos管型号


KIA半导体,已经拥有了独立的研发中心,研发人员以来自韩国(台湾)超一流团队,可以快速根据客户应用领域的个性来设计方案,同时引进多台国外先进设备,业务含括功率器件的直流参数检测、雪崩能量检测、可靠性实验、系统分析、失效分析等领域。


开关电源mos管型号


强大的研发平台,使得KIA在工艺制造、产品设计方面拥有知识产权35项,并掌握多项场效应管核心制造技术。自主研发已经成为了企业的核心竞争力。


开关电源mos管型号


KIA半导体的产品涵盖工业、新能源、交通运输、绿色照明四大领域,不仅包括光伏逆变及无人机、充电桩、这类新兴能源,也涉及汽车配件、LED照明等家庭用品。KIA专注于产品的精细化与革新,力求为客户提供最具行业领先、品质上乘的科技产品。


开关电源mos管型号


开关电源mos管型号表大全

以下是KIA半导体开关电源mos管型号表大全:


Part Number

IDA

BVDSSv

Typical

RDS(ON)@60%

ID(Ω)

MAX

RDS(ON)@60%

ID(Ω)

ciss

Package

pF

KNX4360A

4

600

1.9

2.3

511

TO-252、220F、262

KNX4365A

4

650

2

2.5

523

TO-252、TO-220F

KIA4750S

9

500

0.7

0.9

960

TO-252

KNX6165A

10

650

0.6

0.9

1554

TO-220F

KNX4665B

7

650

1.1

1.4

1048

TO-252

KNX4665A

7.5

650

1.1

1.4

970

TO-220F

KIA12N60H

12

600

0.53

0.65

1850

TO-220、220F

KNX4660A

7

600

1

1.25

1120

TO-220F、262、263、220

KNX6650A

15

500

0.33

0.45

2148

TO-220F

KIA18N50H

18

500

0.25

0.32

2500

TO-220F、3P、247

KIA20N50H

20

500

0.21

0.26

2700

TO-220F、3P、247

KNX7650A

25

500

0.17

0.21

4280

TO-220F


5种常用开关电源MOSFET驱动电路解析

在使用MOSFET设计开关电源时,大部分人都会考虑MOSFET的导通电阻、最大电压、最大电流。但很多时候也仅仅考虑了这些因素,这样的电路也许可以正常工作,但并不是一个好的设计方案。更细致的,MOSFET还应考虑本身寄生的参数。对一个确定的MOSFET,其驱动电路,驱动脚输出的峰值电流,上升速率等,都会影响MOSFET的开关性能。


当电源IC与MOS管选定之后, 选择合适的驱动电路来连接电源IC与MOS管就显得尤其重要了。


一个好的MOSFET驱动电路有以下几点要求:

(1)开关管开通瞬时,驱动电路应能提供足够大的充电电流使MOSFET栅源极间电压迅速上升到所需值,保证开关管能快速开通且不存在上升沿的高频振荡。


(2)开关导通期间驱动电路能保证MOSFET栅源极间电压保持稳定且可靠导通。


(3)关断瞬间驱动电路能提供一个尽可能低阻抗的通路供MOSFET栅源极间电容电压的快速泄放,保证开关管能快速关断。


(4)驱动电路结构简单可靠、损耗小。


(5)根据情况施加隔离。


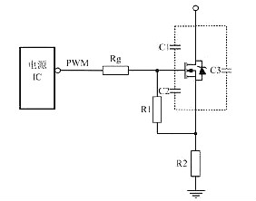
(一)电源IC直接驱动MOSFET

开关电源mos管型号

图1 IC直接驱动MOSFET


电源IC直接驱动是我们最常用的驱动方式,同时也是最简单的驱动方式,使用这种驱动方式,应该注意几个参数以及这些参数的影响。第一,查看一下电源IC手册,其最大驱动峰值电流,因为不同芯片,驱动能力很多时候是不一样的。第二,了解一下MOSFET的寄生电容,如图 1中C1、C2的值。如果C1、C2的值比较大,MOS管导通的需要的能量就比较大,如果电源IC没有比较大的驱动峰值电流,那么管子导通的速度就比较慢。如果驱动能力不足,上升沿可能出现高频振荡,即使把图 1中Rg减小,也不能解决问题! IC驱动能力、MOS寄生电容大小、MOS管开关速度等因素,都影响驱动电阻阻值的选择,所以Rg并不能无限减小。


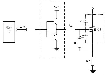
(二)电源IC驱动能力不足时

如果选择MOS管寄生电容比较大,电源IC内部的驱动能力又不足时,需要在驱动电路上增强驱动能力,常使用图腾柱电路增加电源IC驱动能力,其电路如下图虚线框所示。


开关电源mos管型号

图2 图腾柱驱动MOS



这种驱动电路作用在于,提升电流提供能力,迅速完成对于栅极输入电容电荷的充电过程。这种拓扑增加了导通所需要的时间,但是减少了关断时间,开关管能快速开通且避免上升沿的高频振荡。


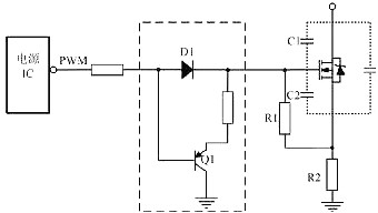
(三)驱动电路加速MOS管关断时间

开关电源mos管型号

图3 加速MOS关断


关断瞬间驱动电路能提供一个尽可能低阻抗的通路供MOSFET栅源极间电容电压快速泄放,保证开关管能快速关断。为使栅源极间电容电压的快速泄放,常在驱动电阻上并联一个电阻和一个二极管,如图2所示,其中D1常用的是快恢复二极管。这使关断时间减小,同时减小关断时的损耗。Rg2是防止关断的时电流过大,把电源IC给烧掉。


开关电源mos管型号

图4 改进型加速MOS关断


在第二点介绍的图腾柱电路也有加快关断作用。当电源IC的驱动能力足够时,对图 2中电路改进可以加速MOS管关断时间,得到如图 4所示电路。用三极管来泄放栅源极间电容电压是比较常见的。如果Q1的发射极没有电阻,当PNP三极管导通时,栅源极间电容短接,达到最短时间内把电荷放完,最大限度减小关断时的交叉损耗。与图 3拓扑相比较,还有一个好处,就是栅源极间电容上的电荷泄放时电流不经过电源IC,提高了可靠性。


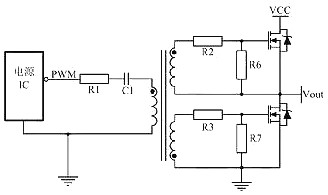
(四)驱动电路加速MOS管关断时间


开关电源mos管型号

图5 隔离驱动


为了满足如图所示高端MOS管的驱动,经常会采用变压器驱动,有时为了满足安全隔离也使用变压器驱动。其中R1目的是抑制PCB板上寄生的电感与C1形成LC振荡,C1的目的是隔开直流,通过交流,同时也能防止磁芯饱和。


(五)当源极输出为高电压时的驱动

当源极输出为高电压的情况时,我们需要采用偏置电路达到电路工作的目的,既我们以源极为参考点,搭建偏置电路,驱动电压在两个电压之间波动,驱动电压偏差由低电压提供,如下图


开关电源mos管型号

图6 源极输出为高电压时的驱动电路


除了以上驱动电路之外,还有很多其它形式的驱动电路。对于各种各样的驱动电路并没有一种驱动电路是最好的,只有结合具体应用,选择最合适的驱动。


联系方式:邹先生

联系电话:0755-83888366-8022

手机:18123972950

QQ:2880195519

联系地址:深圳市福田区车公庙天安数码城天吉大厦CD座5C1


请搜微信公众号:“KIA半导体”或扫一扫下图“关注”官方微信公众号

请“关注”官方微信公众号:提供 MOS管 技术帮助