实亿国际

实亿国际

国家高新企业

cn

新闻中心

反激电源工作原理-反激电源高压MOS管尖峰电流来源与减小方法-KIA MOS管

信息来源:本站 日期:2019-06-28 

分享到:

反激电源工作原理-反激电源高压MOS管尖峰电流来源与减小方法

反激式开关电源是指使用反激高频变压器隔离输入输出回路的开关电源,与之对应的有正激式开关电源。“反激”(FLY BACK)具体所指当开关管接通时,输出变压器充当电感,电能转化为磁能,此时输出回路无电流;相反,当开关管关断时,输出变压器释放能量, 磁能转化为电能,输出回路中有电流。


反激式开关电源中,输出变压器同时充当储能电感,整个电源体积小、结构简单,所以得到广泛应用。应用最多的是单端反激式开关电源。


优点:元器件少,电路简单,成本低,体积小,可同时输出多路互相隔离的电压


缺点:开关管承受电压高,输出变压器利用率低,不适合作大功率电源 EMI比较大


一般而言,100W以内的开关电源通常采用单端反激式,超过100W-300W的开关电源通常采用正激式或半桥式,300W以上电源通常采用全桥式。


反激电源高压MOS管尖峰电流解析

做电源的都测试过流过高压MOS的电流波形,总会发现电流线性上升之前会冒出一个尖峰电流,并且有个时候甚至比正常的峰值电流还要高。看起来很不爽。那这尖峰怎么来的,如何减小它呢?


MOS管,电源,MOS管尖峰电流


电流尖峰的来源

1、MOS管开启时驱动电流由G流到S到地这条路径是有电流的(驱动电路上有驱动电阻限制驱动电流的这个电流不大);


2、另外一条通路从MOS下来的,从表面上看这条通路连接电感,电感上的这个电流实际上就是主电流是从0缓慢(相对于尖峰电流)上升的,但别忘了还有一个隐藏的通路就是变压器原边绕组是有寄生电容的(层间电容和匝间电容),这个寄生电容里面存储的电量瞬间由MOS到地放出,会产生一个较大尖峰电流。


3、还有一个就是从副边耦合过来的电流,我们都知道副边整流二极管从导通(正偏)到反偏的这个过程中二极管有一个反向恢复电流。这个反向恢复电流是通过二极管和变压器副边绕组的,它会通过耦合折射到原边绕组上的(注意:在DCM下没有反向恢复电流)。


MOS管,电源,MOS管尖峰电流


MOS管尖峰电流对电源的害处

1、就是由于这个尖峰的存在,开关电源芯片为了防止误触发加入了前沿消隐,如果太高还是有可能误触发。


2、这个尖峰(di/dt很大)对开关电源EMI影响不小。


3、这个尖峰电流会增大MOS开关管开通时的交越损耗,降低效率


减小电流尖峰对策

① 变压器使用三明治绕法使原边绕组分开

② 减小原边绕组的匝数(比如可以用Ae值比较大的磁芯(PQ等)可以减少变压器匝数)

③ 尽量绕成单层绕组


2、减少副边反向恢复电流

① 如果是功率很小的开关电源把变压器设计在DCM模式下运行(DCM无反向电流)。

② 使用准谐振芯片(准谐振也是在DCM)

③ 使用反向恢复特性好的二极管,比如肖特基,当然还有碳化硅二极管,注意碳化硅二极管成本非常高。


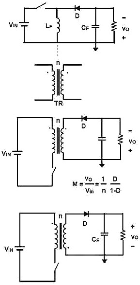
反激式开关电源的工作原理

反激式:反激式开关电源是指使用反激高频变压器隔离输入输出回路的开关电源。“反激”指的是在开关管接通的情况下,当输入为高电平时输出线路中串联的电感为放电状态;相反,在开关管断开的情况下,当输入为高电平时输出线路中的串联的电感为充电状态。


MOS管,电源,MOS管尖峰电流


工作原理: 变压器的一次和二次绕组的极性相反,这大概也是Flyback名字的由来: a.当开关管导通时,变压器原边电感电流开始上升,此时由于次级同名端的关系,输出二极管截止,变压器储存能量,负载由输出电容提供能量。 b.当开关管截止时,变压器原边电感感应电压反向,此时输出二极管导通,变压器中的能量经由输出二极管向负载供电,同时对电容充电,补充刚刚损失的能量。 反激电路的演变: 可以看作是隔离的Buck/Boost电路:


MOS管,电源,MOS管尖峰电流


在反激电路中,输出变压器T除了实现电隔离和电压匹配之外,还有储存能量的作用,前者是变压器的属性,后者是电感的属性,因此有人称其为电感变压器,有时我也叫他异步电感。


联系方式:邹先生

联系电话:0755-83888366-8022

手机:18123972950

QQ:2880195519

联系地址:深圳市福田区车公庙天安数码城天吉大厦CD座5C1


请搜微信公众号:“KIA半导体”或扫一扫下图“关注”官方微信公众号

请“关注”官方微信公众号:提供 MOS管 技术帮助