实亿国际

实亿国际

国家高新企业

cn

新闻中心

实亿国际解析一种简单实用的双向电平转换电路3.3V-5V工作状态-KIA MOS管

实亿国际信息来源:本站 日期:2020-07-13 

分享到:

解析一种简单实用的双向电平转换电路3.3V-5V工作状态

所谓电平,是指两功率或电压之比的对数,有时也可用来表示两电流之比的对数。电平的单位分贝用dB表示。常用的电平有功率电平和电压电平两类,它们各自又可分为绝对电平和相对电平两种。


当你使用3.3V的单片机的时候,电平转换就在所难免了,经常会遇到3.3转5V或者5V转3.3V的情况,这里介绍一个简单的电路,他可以实现两个电平的相互转换(注意是相互哦,双向的,不是单向的!).电路十分简单,仅由3个电阻加一个MOS管构成。


电路图如下:

转换电路,双向电平


上图中,S1,S2为两个信号端,VCC_S1和VCC_S2为这两个信号的高电平电压.另外限制条件为:


1,VCC_S1<=VCC_S2.

2,S1的低电平门限大于0.7V左右(视NMOS内的二极管压降而定).

3,Vgs<=VCC_S1.

4,Vds<=VCC_S2


对于3.3V和5V/12V等电路的相互转换,NMOS管选择AP2306即可.原理比较简单,大家自行分析吧!此电路我已在多处应用,效果很好。

转换电路,双向电平


I2C,类似这种吧,只是不知道这种电路的速率能达到多少。


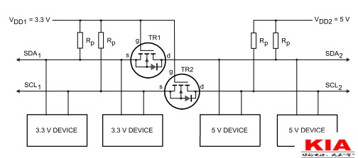
电平转换器的操作

在电平转换器的操作中要考虑下面的三种状态:


1、没有器件下拉总线线路。“低电压”部分的总线线路通过上拉电阻Rp 上拉至3.3V。 MOS-FET 管的门极和源极都是3.3V, 所以它的VGS 低于阀值电压,MOS-FET 管不导通。这就允许“高电压”部分的总线线路通过它的上拉电阻Rp 拉到5V。 此时两部分的总线线路都是高电平,只是电压电平不同。


2、一个3.3V器件下拉总线线路到低电平。MOS-FET管的源极也变成低电平,而门极是3.3V。VGS上升高于阀值,MOS-FET管开始导通。然后“高电压”部分的总线线路通过导通的MOS-FET管被3.3V器件下拉到低电平。此时,两部分的总线线路都是低电平,而且电压电平相同。


3、一个5V的器件下拉总线线路到低电平。MOS-FET管的漏极基底二极管“低电压”部分被下拉直到VGS超过阀值,MOS-FET管开始导通。“低电压”部分的总线线路通过导通的MOS-FET管被5V的器件进一步下拉到低电平。此时,两部分的总线线路都是低电平,而且电压电平相同。


这三种状态显示了逻辑电平在总线系统的两个方向上传输,与驱动的部分无关。状态1执行了电平转换功能。状态2和3按照I2C总线规范的要求在两部分的总线线路之间实现“线与”的功能。


除了3.3V VDD1和5V VDD2的电源电压外,还可以是例如:2V VDD1和10V VDD2。在正常操作中,VDD2必须等于或高于VDD1(在开关电源时允许VDD2低于VDD1)。


MOS-N场效应管双向电平转换电路--适用于低频信号电平转换的简单应用

转换电路,双向电平


如上图所示,是MOS-N场效应管双向电平转换电路。


双向传输原理:

为了方便讲述,定义 3.3V 为 A 端,5.0V 为 B 端。

A端输出低电平时(0V),MOS管导通,B端输出是低电平(0V)

A端输出高电平时(3.3V),MOS管截至,B端输出是高电平(5V)

A端输出高阻时(OC) ,MOS管截至,B端输出是高电平(5V)

B端输出低电平时(0V),MOS管内的二极管导通,从而使MOS管导通,A端输出是低电平(0V)

B端输出高电平时(5V),MOS管截至,A端输出是高电平(3.3V)

B端输出高阻时(OC) ,MOS管截至,A端输出是高电平(3.3V)


优点:

1、适用于低频信号电平转换,价格低廉。

2、导通后,压降比三极管小。

3、正反向双向导通,相当于机械开关。

4、电压型驱动,当然也需要一定的驱动电流,而且有的应用也许比三极管大。


电平与电压的关系

从电压电平的定义就可以看出电平与电压之间的关系,电平的测量实际上也是电压的测量,只是刻度不同而已,任何电压表都可以成为一个测量电压电平的电平表,只要表盘按电平刻度标志即可,在此要注意的是电平刻度是以1 mW功率消耗于600 Ω电阻为零分贝进行计算的,即0dB=0.775V。电平量程的扩大实质上也是电压量程的扩大,只不过由于电平与电压之间是对数关系,因而电压量程扩大N倍时,由电平定义可知,即电平增加20lgN(dB)。


由此可知,电平量程的扩大可以通过相应的交流电压表量程的扩大来实现,其测量值应为表头指针示数再加一个附加分贝值(或量程分贝值)。附加分贝值的大小由电压量程的扩大倍数来决定。


联系方式:邹先生

联系电话:0755-83888366-8022

手机:18123972950

QQ:2880195519

联系地址:深圳市福田区车公庙天安数码城天吉大厦CD座5C1


请搜微信公众号:“KIA半导体”或扫一扫下图“关注”官方微信公众号

请“关注”官方微信公众号:提供  MOS管  技术帮助