实亿国际各种场效应管放大电路图原理-场效应管放大电路识图方法详解-KIA MOS管
信息来源:本站 日期:2018-10-09
图3-26所示是一种超小型收音机电路,它采用两只晶体管,这种电路具有较高的灵敏度。
该电路中,电池作为直流电源通过负载电阻器R1为场效应管漏极提供偏置电压,使其工作在放大状态。由外接天线接收天空中的各种信号,交流信号通过C1,进入LC谐振电路。LC谐振电路是由磁棒线圈和电容器组成的,谐振电路选频后,经C4耦合至场效应管VT的栅极,与栅极负偏压叠加,加到场效应管栅极上,使场效应管的漏极电流ID相应变化,并在负载电阻器R1上产生压降,经C5隔离直流后输出,在输出端即得到放大了的信号电压。放大后的信号送入三极管的基极,由三极管放大后输出较纯净的音频信号送到耳机。
图3-27所示是FM收音机调谐电路,它是由高频放大器VT1、混频器VT3和本机振荡器VT2等部分构成的。天线感应的FM调频广播信号,经输入变压器L1加到VT1晶体管的栅极,VT1为高频放大器主要器件,它将FM高频信号放大后经变压器L2加到混频电路VT3的栅极,VT2和LC谐振电路构成本机振荡器,振荡信号由振荡变压器的次级送往混频电路VT3的源极。混频电路VT3由漏极输出,经中频变压器IFT(L4)输出10.7MHz中频信号。
与双极型晶体管一样,场效AM29LV017D-70EC应管也有三种基本接法:共源、共漏和共栅极接法,其中,共源相当于共发射极接法;共漏相当于共集电极接法;共栅相当于共基极接法。
共源极电路,如图4-19(a)所示,相当于双极晶体管的共发射极电路。当交流信号Ui经C,加到栅一源极时,使栅极偏压随信号而变,于是控制了ID的变化,在RL上产生压降,通过C2将放大了的信号电压输出。
如果用Rc;表示场效应管的栅极偏置电阻,用R喁表示场效应管的栅一源间电阻,则共源电路的输入电阻R,=Rc//Rcs≈Rc(因Rcs》Rc)。
如果用rDS来表示场效应管的漏一源间电阻,用RL来表示共源电路的负载电阻,则共源电路的输出电阻R。=RDS//RL~RL(因RDS》RL)。
共源电路的电压放大倍数:K一-gmRL,式中,gm为场效应管的跨导,相当于晶体管的放大系数口,RL为负载电阻。
由于共源极电路输入电阻高,电压增益大,故应用最广,但它的截止频率较低,在高频工作时受到一些限制。
共漏极电路,如图4-19(b)所示,与晶体管共集电路相似。同共源极电路一样,其输入电阻也取决于外加偏置电阻,即R,=Ri∥R2,电压放大倍数K≈1,且输入、输出电压同相,故也叫傲源极跟随器。由于这种电路输入电阻高、输出电阻低,且有良好的电压跟随特性,因而常用作缓冲放大器,起到隔离、阻抗变换的作用。
共栅极电路,如图4-19(c)所示,它与晶体管共基电路相近。其输入电阻极低(Ri≈l/gm),输出电阻较高R。≈R。,有良好的电压放大特性,因而常用于高频电压放大。
场效应管单管甲类前级放大器见图1。Tn源极电位实测为0.5V,漏极电位为5.0V,漏极电流IDSS等于1.25mA。根据2SK30AMT出厂说明书载明的相关内容,该工作点的线性最好。
该级放大器放大倍数依据公式Au=-gmRf3计算,式中gm——场效应管的跨导。2SK30AMT在VDs=10V,VGS=0V时的最小跨导gm=1.2ms。那么该级放大器放大倍数为6.72。音量调节通过进阶开关加11个固定电阻进行,每个电阻10k。这样做的好处是既经济,质量又好。音量调节实为10级,听音效果十分理想。
第二级放大电路作源极输出器,旨在匹配电路,提高前级的负载能力,放大倍数近似为1。静态工作点仍然十分重要,Tf2源极电位实测为5.5V,位于电源电压的中值附近,很好。在该级上,同样可算出漏极电流2.75mA,也要满足甲类放大器对静态的要求。隔直电容C17,C18对音质的好坏影响较大,选用进口名牌WIMA电容。后级放大电路仍采用推挽式、甲乙类放大器对称放大电路所用元件要检测其静态特性。功率放大电路如图2所示。
以Tm1和Tm3为例,其检测参数主要是IDDS,即当VGS=0时的漏极电流。在VGS=0时,测出IDDS,其值相近为宜。同样地,Tm2和Tm4也要与Tm1或Tm3静态值相差无几,或相近。只有这4个场效应管静态值大致相同,才有可能做出优质的放大器来。成批生产的放大器价格很高,正是这些电路中使用的元件匹配困难,造成制造成本高,制约了该技术的推广应用。
场效应管与晶体管一样,也具有放大作用,但与普通晶体管是电流控制型器件相反,场效应管是电压控制型器件。它具有输入阻抗高、噪声低的特点。
场效应管的3个电极,即栅极、源极和漏极分别相当于晶体管的基极、发射极和集电极。图5-21所示是场效应管的3种组态电路,即共源极、共漏极和共栅极放大器。图5-21(a)所示是共源极放大器,它相当于晶体管共发射极放大器,是一种最常用的电路。图5-21(b)所示是共漏极放大器,相当于晶体管共集电极放大器,输入信号从漏极与栅极之间输入,输出信号从源极与漏极之间输出,这种电路又称为源极输出器或源极跟随器。图5-21(c)所示是共栅极放大器,它相当于晶体管共基极放大器,输入信号从栅极与源极之间输入,输出信号从漏极与栅极之间输出,这种放大器的高频特性比较好。
(1)固定式偏置电路
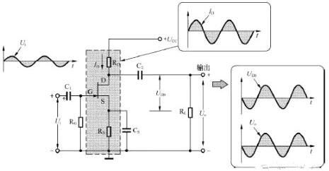
在场效应管放大器中,有时需要外加栅极直流偏置电源,这种方式被称为固定式偏置电路,如图5-22所示。
C1和C2分别是输入端耦合电容和输出端耦合电容。+UCC通过漏极负载电阻R2加到VT的漏极,VT的源极接地。-UCC是栅极专用偏置直流电源,为负极性电源,它通过栅极偏置电阻R1加到VT1的栅极,使栅极电压低于源极电压,这样就建立了VT的正常偏置电压。
在电路中,输入信号Ui经C1耦合至场效应管VT的栅极,与原来的栅极负偏压叠加。场效应管受到栅极的作用,其漏极电流I2相应变化,并在负载电阻R2上产生压降,经C2隔离直流后输出,在输出端即得到放大了的信号电压Uo。I2与Ui同相,Uo与Ui反相。
这种偏置电路的优点是VT的工作点可以任意选择,不受其他因素的制约,也充分利用了漏极直流电源+UCC,所以可以用于低压供电放大器。其缺点是需要两个直流电源。
图5-23所示是典型的自给偏压共源极放大电路。图中C1和C2分别是输入、输出耦合电容,起通交流、隔直流的作用;+UCC为漏极直流电压源,为放大电路提供能源;RD是漏极电阻,它能把漏极电流的变化转变为电压的变化,以便输出信号电压;RS是源极电阻,其作用是产生一个源极到地的电压降,以提供源极偏压,建立静态偏置,同时具有电流负反馈的作用;CS是源极旁路电容,给源极交流信号提供一条通路,以免交流信号在RS上产生负反馈。
由于场效应管在漏极电流较大时,具有温度上升、漏极电流就减小的特点,因而热稳定性好,故源极仅需设置自偏压电路就十分稳定了。
“自给偏压”指的是由场效应管自身的电流产生偏置电压。N沟道结型场效应管正常工作时,栅极、源极之间需要加一个负偏置电压,这一点与晶体管的发射结需要正偏置电压是相反的。为了使栅极、源极之间获得所需负偏压,设置了自生偏压电阻RS。当源极电流流过RS时,将会在RS两端产生上正下负的电压降US。由于栅极通过RG接地,所以栅极为零电位。这样,RS产生的US就能使栅极、源极之间获得所需的负偏压UGS,这就是自给偏压共源极放大电路的工作原理。
图5-24所示为分压式自偏压电路,又称栅极接正电位偏置电路。它是在自给偏压共源极放大电路的基础上,加上分压电阻Rf1和Rf2构成的。
图中,电源+UDD、输入耦合电容C1、输出耦合电容C2、漏极电阻RD、源极电阻RS、源极旁路电容CS的作用均与自给偏压共源极放大电路相同。Rf1和Rf2是分压偏置电阻,Rf1与Rf2的接点通过大电阻RG与场效应管的栅极相连。由于栅极绝缘无电流,所以Rf1与Rf2的分压点A与场效应管的栅极同电位。由于该电路既有“分压偏置”又有“自给偏置”,所以又称为组合偏置电路。这种偏置电路既可用于耗尽型场效应管,也可用于增强型场效应管。
(1)源极接地放大器
源极接地放大器是场效应管放大器最重要的电路形式,其工作原理如图5-25所示。图中,交流输入电压Ui在1/4周期内处于增大的趋势,因此在这段时间内漏极电流ID增大。ID的增大使负载上的压降增大,UDS就下降;当Ui在2/4周期内时,处于减小状态,UGS增大,ID则减小,而ID的减小使负载上的压降减小,UDS就上升。以此类推,其输入与输出信号的波形如图中所示。Ui和ID的相位相同,与输出信号电压UDS的相位相反。
(2)栅极接地放大器
栅极接地放大器适用于高频宽带放大器,其基本连接方式如图5-26所示。
(3)漏极接地放大器
漏极接地放大器也称为源极跟随器或源极输出器,相当于双极型晶体管的集电极接地电路。图5-27为其基本连接图。源极跟随器最主要的特点是输出阻抗低。由于场效应管的输入阻抗非常高,也就是输入电流极小,它常用于收音机电路中作为微弱信号的放大器。
① 源极接地放大器与射极跟随器(共集电极晶体管放大器)的组合。
如图5-28所示,VT1为源极接地场效应管放大器,VT2为共集电极晶体管放大器。若电路中没有设置VT2,而是将数千欧的负载RL直接作为VT1的负载,其电压增益就相当小。通过源极接地放大器与低输出阻抗的射极跟随器进行组合,就可获得较高的电压增益,这是该电路的主要特征。

② 源极接地放大器与共发射极放大器的组合。
共发射极放大器的输入阻抗在103Ω的范围内,很难由场效应管直接驱动,但是,若通过一级射极跟随器,将其作为图5-25中的负载RL接在共发射极放大器之前,就很容易驱动了,如图5-29所示。该电路在输出级的前面加入了一级射极跟随器,以获得大电流增益,这是典型的低输出阻抗实例。
③ 将源极接地放大器与共基极放大器组合成级联式放大器。
图5-30所示是将场效应管的低噪声性与共基极放大器对高频放大的适应性相结合而产生的级联式放大器,常作为宽频带低噪声的前置放大器。
联系方式:邹先生
联系电话:0755-83888366-8022
手机:18123972950
QQ:2880195519
联系地址:深圳市福田区车公庙天安数码城天吉大厦CD座5C1
请搜微信公众号:“KIA半导体”或扫一扫下图“关注”官方微信公众号
请“关注”官方微信公众号:提供 MOS管 技术帮助