实亿国际

实亿国际

国家高新企业

cn

新闻中心

电路识别分析-10种复杂的电路深析方法-KIA MOS管

实亿国际信息来源:本站 日期:2019-06-26 

分享到:

电路识别分析-10种复杂的电路深析方法

电路

分析电路的方法,电路:由金属导线和电气、电子部件组成的导电回路,称为电路。在电路输入端加上电源使输入端产生电势差,电路连通时即可工作。电流的存在可以通过一些仪器测试出来,如电压表或电流表偏转、灯泡发光等;按照流过的电流性质,一般把它分为两种:直流电通过的电路称为“直流电路”,交流电通过的电路称为“交流电路”。


电路问题计算的先决条件是正确识别电路,搞清楚各部分之间的连接关系。对较复杂的电路应先将原电路简化为等效电路,以便分析和计算。识别分析电路的方法很多,现结合具体实例介绍十种方法。


分析电路的方法详解-10大方法详解

1、特征识别法

串并联电路的特征是;串联电路中电流不分叉,各点电势逐次降低,并联电路中电流分叉,各支路两端分别是等电势,两端之间等电压。根据串并联电路的特征识别电路是简化电路的一种最基本的方法。

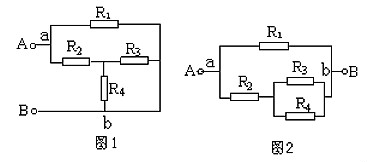
例1.试画出图1所示的等效电路。


分析电路的方法


解析:解:设电流由A端流入,在a点分叉,b点汇合,由B端流出。支路a—R1—b和a—R2—R3(R4)—b各点电势逐次降低,两条支路的a、b两点之间电压相等,故知R3和R4并联后与R2串联,再与R1并联,等效电路如图2所示。


2、伸缩翻转法

在实验室接电路时常常可以这样操作,无阻导线可以延长或缩短,也可以翻过来转过去,或将一支路翻到别处,翻转时支路的两端保持不动;导线也可以从其所在节点上沿其它导线滑动,但不能越过元件。这样就提供了简化电路的一种方法,我们把这种方法称为伸缩翻转法。


例2.画出图3的等效电路。


分析电路的方法


解析:解:先将连接a、c节点的导线缩短,并把连接b、d节点的导线伸长翻转到R3—C—R4支路外边去,如图4。

再把连接a、C节点的导线缩成一点,把连接b、d节点的导线也缩成一点,并把R5连到节点d的导线伸长线上(图5)。由此可看出R2、R3与R4并联,再与R1和R5串联,接到电源上。


3、电流走向法

电流是分析电路的核心。从电源正极出发(无源电路可假设电流由一端流入另一端流出)顺着电流的走向,经各电阻绕外电路巡行一周至电源的负极,凡是电流无分叉地依次流过的电阻均为串联,凡是电流有分叉地分别流过的电阻均为并联。

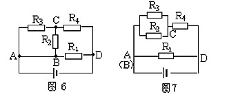
例3.试画出图6所示的等效电路。


分析电路的方法


解:电流从电源正极流出过A点分为三路(AB导线可缩为一点),经外电路巡行一周,由D点流入电源负极。第一路经R1直达D点,第二路经R2到达C点,第三路经R3也到达C点,显然R2和R3接联在AC两点之间为并联。二、三络电流同汇于c点经R4到达D点,可知R2、R3并联后与R4串联,再与R1并联,如图7所示。


4、等电势法

在较复杂的电路中往往能找到电势相等的点,把所有电势相等的点归结为一点,或画在一条线段上。当两等势点之间有非电源元件时,可将之去掉不考虑;当某条支路既无电源又无电流时,可取消这一支路。我们将这种简比电路的方法称为等电势法。

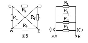
例4.如图8所示,已知R1=R2=R3=R4=2Ω,求A、B两点间的总电阻。


分析电路的方法


解析:设想把A、B两点分别接到电源的正负极上进行分析,A、D两点电势相等,B、C两点电势也相等,分别画成两条线段。电阻R1接在A、C两点,也即接在A、B两点;R2接在C、D两点,也即接在B、A两点;R3接在D、B两点,也即接在A、B两点,R4也接在A、B两点,可见四个电阻都接在A、B两点之间均为并联(图9)。所以,PAB=3Ω。


5、支路节点法

节点就是电路中几条支路的汇合点。所谓支路节点法就是将各节点编号(约定;电源正极为第1节点,从电源正极到负极,按先后次序经过的节点分别为1、2、3……),从第1节点开始的支路,向电源负极画。可能有多条支路(规定:不同支路不能重复通过同一电阻)能达到电源负极,画的原则是先画节点数少的支路,再画节点数多的支路。然后照此原则,画出第2节点开始的支路。余次类推,最后将剩余的电阻按其两端的位置补画出来。

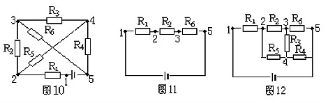
例5.画出图10所示的等效电路。


分析电路的方法


解析:图10中有1、2、3、4、5五个节点,按照支路节点法原则,从电源正极(第1节点)出来,节点数少的支路有两条:R1、R2、R5支路和R1、R5、R4支路。取其中一条R1、R2、R5支路,画出如图11。

再由第2节点开始,有两条支路可达负极,一条是R5、R4,节点数是3,另一条是R5、R3、R5,节点数是4,且已有R6重复不可取。所以应再画出R5、R4支路,最后把剩余电阻R3画出,如图12所示。


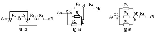
6、几何变形法

几何变形法就是根据电路中的导线可以任意伸长、缩短、旋转或平移等特点,将给定的电路进行几何变形,进一步确定电路元件的连接关系,画出等效电路图。

例6.画出图13的等效电路。


分析电路的方法


解析:使ac支路的导线缩短,电路进行几何变形可得图14,再使ac缩为一点,bd也缩为一点,明显地看出R1、R2和R5三者为并联,再与R4串联(图15)。


7、撤去电阻法

根据串并联电路特点知,在串联电路中,撤去任何一个电阻,其它电阻无电流通过,则这些电阻是串联连接;在并联电路中,撤去任何一个电阻,其它电阻仍有电流通过,则这些电阻是并联连接。


分析电路的方法


解析:仍以图13为例,设电流由A端流入,B端流出,先撤去R2,由图16可知R1、R3有电流通过。再撤去电阻R1,由图17可知R2、R3仍有电流通过。同理撤去电阻R3时,R1、R2也有电流通过由并联电路的特点可知,R1、R2和R3并联,再与R4串联。


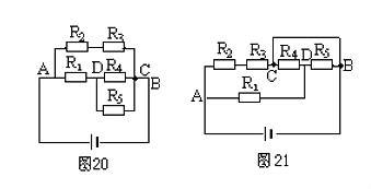
8、独立支路法

让电流从电源正极流出,在不重复经过同一元件的原则下,看其中有几条路流回电源的负极,则有几条独立支路。未包含在独立支路内的剩余电阻按其两端的位置补上。应用这种方法时,选取独立支路要将导线包含进去。

例7.画出图18的等效电路。


方案一:选取A—R2—R3—C—B为一条独立支路,A—R1—R5—B为另一条独立支路,剩余电阻R4接在D、C之间,如图19所示。


分析电路的方法


方案二:选取A—R1—D—R4—C—B为一条独立支路,再分别安排R2、R3和R5,的位置,构成等效电路图20。


方案三:选取A—R2—R3—C—R4—D—R5—B为一条独立支路,再把R1接到AD之间,导线接在C、B之间,如图21所示,结果仍无法直观判断电阻的串并联关系,所以选取独立支路时一定要将无阻导线包含进去。


分析电路的方法


9、节点跨接法

将已知电路中各节点编号,按电势由高到低的顺序依次用1、2、3……数码标出来(接于电源正极的节点电势最高,接于电源负极的节点电势最低,等电势的节点用同一数码,并合并为一点)。然后按电势的高低将各节点重新排布,再将各元件跨接到相对应的两节点之间,即可画出等效电路。

例8.画出图22所示的等效电路。


分析电路的方法


解析:节点编号:如图22中所示。


节点排列:将1、23节点依次间隔地排列在一条直线上,如图23。


元件归位:对照图22,将R1、R2、R3、R4分别跨接在排列好的1、2得等效电路如图24。


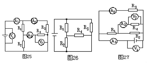
10、电表摘补法

若复杂的电路接有电表,在不计电流表A和电压表V的内阻影响时,由于电流表内阻为零,可摘去用一根无阻导线代替;由于电压表内阻极大,可摘去视为开路。用上述方法画出等效电 搞清连接关系后,再把电表补到电路对应的位置上。


分析电路的方法


例9.如图25的电路中,电表内阻的影响忽略不计,试画出它的等效电路。


解析:先将电流表去,用一根导线代摘替,再摘去电压表视为开路,得图26。然后根据图25把电流表和电压表补接到电路中的对应位置上,如图27所示。


驱动电路隔离措施

驱动电路为什么要采取隔离措施:

安规问题,驱动电路副边与主电路有耦合关系,而驱动原边是与控制电路连在一起, 主电路是一次电路,控制电路是ELV电路, 一次电路和ELV电路之间要做加强绝缘,实现绝缘要求一般就采取变压器光耦等隔离措施。


驱动电路采取隔离措施的条件:

控制参考地与驱动信号参考地(e极)同—驱动电路无需隔离;


分析电路的方法


控制参考地与驱动信号参考地(e极)不同—驱动电路应隔离。


分析电路的方法



联系方式:邹先生

联系电话:0755-83888366-8022

手机:18123972950

QQ:2880195519

联系地址:深圳市福田区车公庙天安数码城天吉大厦CD座5C1


请搜微信公众号:“KIA半导体”或扫一扫下图“关注”官方微信公众号

请“关注”官方微信公众号:提供 MOS管 技术帮助