实亿国际

实亿国际

国家高新企业

cn

新闻中心

实亿国际如何为MOS管选择最适合的驱动电路-MOS管作用与特性详解-KIA MOS管

信息来源:本站 日期:2020-03-26 

分享到:

如何为MOS管选择最适合的驱动电路-MOS管作用与特性详解

MOS管的作用

1.MOS管可应用于放大。由于场效应管放大器的输入阻抗很高,因此耦合电容可以容量较小,不必使用电解电容器。


2.MOS管很高的输入阻抗非常适合作阻抗变换。常用于多级放大器的输入级作阻抗变换。


3.MOS管可以用作可变电阻。


4.MOS管可以方便地用作恒流源。


5.MOS管可以用作电子开关。


如何为MOS管选择最适合的驱动电路?

在开关电源等电力系统设计中,设计人员关心最多的是MOS管的几个参数,如导通电阻、最大电压、最大电流。这些因素固然重要,考虑不妥会使电路无法正常工作,但实际上这只完成了第一步,MOS管本身的寄生参数才是影响电路西能的关键。


选择了一个适合的MOS管、电源IC,说明你是一个合格的采购工程师。如何用好这只管子,就需要对驱动电路进行优化,包括驱动脚输出的峰值电流、上升速率等,因为这些将直接影响MOS管的开关性能。


MOS管 ,MOS管驱动电路,MOS管厂家

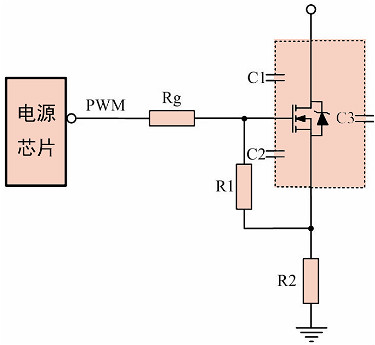
用电源IC直接驱动MOS管


一个好的MOS管驱动电路有以下几点要求:


(1)开关管开通瞬时,驱动电路应能提供足够大的充电电流,使MOS管栅源极间电压迅速上升到所需值,保证开关管能快速开通且不存在上升沿的高频振荡。


(2)开关导通期间,驱动电路能保证MOS管栅源极间电压保持稳定,且可靠导通。


(3)关断瞬间驱动电路,能提供一个尽可能低阻抗的通路,供MOS管栅源极间电容电压的快速泄放,保证开关管能快速关断。


(4)驱动电路结构简单可靠、损耗小。


(5)根据情况进行隔离。


在模块电源中,做常用的是电源IC直接驱动MOS管。使用中,应该注意最大驱动峰值电流、MOS管的寄生电容两个参数。这里,电源IC的驱动能力、MOS寄生电容大小、驱动电阻阻值都将影响MOS管开关速度。如果选择MOS管寄生电容比较大,电源IC内部的驱动能力又不足时,需要在驱动电路上增强驱动能力,常使用图腾柱电路增加电源IC驱动能力。


该电路虽然简单,可以此改进并发展出很多其它形式的驱动电路。目前,各种各样的MOS管驱动电路并没有一种驱动电路是最好的,需要用户根据具体应用,结合MOS管厂商提供的用户手册,不断对电路及参数进行优化,打磨出最合适自己应用的驱动方案来。


MOS管的特点

(1)场效应管是电压控制器件,它通过VGS(栅源电压)来控制ID(漏极电流);


(2)场效应管的控制输入端电流极小,因此它的输入电阻(107~1012Ω)很大。


(3)它是利用多数载流子导电,因此它的温度稳定性较好;


(4)它组成的放大电路的电压放大系数要小于三极管组成放大电路的电压放大系数;


(5)场效应管的抗辐射能力强;


(6)由于它不存在杂乱运动的电子扩散引起的散粒噪声,所以噪声低。


联系方式:邹先生

联系电话:0755-83888366-8022

手机:18123972950

QQ:2880195519

联系地址:深圳市福田区车公庙天安数码城天吉大厦CD座5C1


请搜微信公众号:“KIA半导体”或扫一扫下图“关注”官方微信公众号

请“关注”官方微信公众号:提供  MOS管  技术帮助