实亿国际

实亿国际

国家高新企业

cn

新闻中心

MOSFET管栅极检测方法-MOS管栅极电路作用与驱动电路解析-KIA MOS管

实亿国际信息来源:本站 日期:2019-04-11 

分享到:

MOSFET栅极,驱动电路,PNP

MOSFET栅极由金属细丝组成的筛网状或螺旋状电极。多极电子管中排列在阳极和阴极之间的一个或多个具有细丝网或螺旋线形状的电极,起控制阴极表面电场强度从而改变阴极发射电子或捕获二次放射电子的作用。


场效应管根据三极管的原理开发出的新一代放大元件,有3个极性,栅极,漏极,源极,它的特点是栅极的内阻极高,采用二氧化硅材料的可以达到几百兆欧,属于电压控制型器件。场效应晶体管(FieldEffectTransistor缩写(FET))简称场效应管。由多数载流子参与导电,也称为单极型晶体管。它属于电压控制型半导体器件。


MOSFET栅极电路常见的作用有以下几点。

1:去除电路耦合进去的噪音,提高系统的可靠性。


2:加速MOSFET的导通,降低导通损耗。


3:加速MOSFET的关断,降低关断损耗。


4:降低MOSFET DI/DT,保护MOSFET同时抑制EMI干扰。


5:保护栅极,防止异常高压条件下栅极击穿。


6:增加驱动能力,在较小的信号下,可以驱动MOSFET。


(一)直接驱动

首先说一下电源IC直接驱动,下图是我们最常用的直接驱动方式,在这类方式中,我们由于驱动电路未做过多处理,因此我们进行PCB LAYOUT时要尽量进行优化。如缩短IC至MOSFET的栅极走线长度,增加走线宽度,尽量将Rg放置在离MOSFET栅极较进的位置,从而达到减少寄生电感,消除噪音的目的.


MOSFET栅极,驱动电路,PNP


(二)IC内部驱动能力不足时

当然,对于IC内部驱动能力不足的问题我们也可以采用下面的方法来解决。


MOSFET栅极,驱动电路,PNP


这种增加驱动能力的方式不仅增加了导通时间,还可以加速关断时间,同时对控制毛刺及功率损耗由一定的效果。当然这个我们在LAYOUT时要尽量将这两个管子放的离MOSFET栅极较近的位置。这样做的好处还有减少了寄生电感,提高了电路的抗干扰性。


(三)增加MOSFET的关断速度

如果我们单单要增加MOSFET的关断速度,那么我们可以采用下面的方式来进行。


MOSFET栅极,驱动电路,PNP


关断电流比较大时,能使MOSFET输入电容放电速度更快,从而降低关断损耗。大的放电电流可以通过选择低输出阻抗的MOSFET或N沟道的负的截止的电压器件来实现,最常用的就是加加速二极管。

MOSFET栅极关断时,电流在电阻上产生的压降大于二极管导通压降时,这时二极管会导通,从而将电阻进行旁路,导通后,随着电流的减小,二极管在电路中的作用越来越小,该电路作用会显著的减小MOSFET关断的延迟时间。


(四)PNP加速关断驱动电路


MOSFET栅极,驱动电路,PNP


PNP加速关断电路是目前应用最多的电路,在加速三级管的作用下可以实现瞬间的栅源短路,从而达到最短的放电时间,之所以加二极管一方面是保护三级管基极,另一方面是为导通电流提供回路及偏置,该电路的优点为可以近似达到推拉的效果加速效果明显,缺点为栅极由于经过两个PN节,不能是栅极真正的达到0伏。


(五)当源极输出为高电压时的驱动

当源极输出为高电压的情况时,我们需要采用偏置电路达到电路工作的目的,既我们以源极为参考点,搭建偏置电路,驱动电压在两个电压之间波动,驱动电压偏差由低电压提供,如下图所示。


MOSFET栅极,驱动电路,PNP


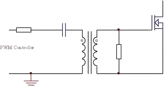
(六)满足隔离要求的驱动

为了满足安全隔离的要求或者提供高端浮动栅极驱动经常会采用变压器驱动。这种驱动将驱动控制和MOSFET进行了隔离,可以应用到低压及高压电路中去,如下图所示


MOSFET栅极,驱动电路,PNP


变压器驱动说白了就是隔离驱动,当然现在也有专门的驱动IC可以解决,但变压器驱动有自己的特点使得很多人一直在坚持用。


图中耦合电容的作用是为磁化的磁芯提供复位电压,如果没有这个电容,会出现磁饱和。


与电容串联的电阻的作用是为了防止占空比突然变化形成LC的震荡,因此加这个电阻进行缓解。


(七)自举逆变图

下面是一个实际的自举逆变图,供参考。


MOSFET栅极,驱动电路,PNP


MOSFET管栅极检测方法

1.准备工作测量之前,先把人体对地短路后,才能摸触MOSFET的管脚。最好在手腕上接一条导线与大地连通,使人体与大地保持等电位。再把管脚分开,然后拆掉导线。


2.判定电极将万用表拨于R×100档,首先确定栅极。若某脚与其它脚的电阻都是无穷大,证明此脚就是栅极G。交换表笔重测量,S-D之间的电阻值应为几百欧至几千欧,其中阻值较小的那一次,黑表笔接的为D极,红表笔接的是S极。日本生产的3SK系列产品,S极与管壳接通,据此很容易确定S极。


电子管栅极的检测:

1.以额定电压点亮灯丝并预热数十秒。


2.万用表置于Rx100档,以黑表笔接触栅极,红表笔接触阴极。如果出现一个稳定的示数,则证明电子管基本是正常的。相同条件下同新管测得的数值进行比较可以大致得出管子的老化程度。



联系方式:邹先生

联系电话:0755-83888366-8022

手机:18123972950

QQ:2880195519

联系地址:深圳市福田区车公庙天安数码城天吉大厦CD座5C1


请搜微信公众号:“KIA半导体”或扫一扫下图“关注”官方微信公众号

请“关注”官方微信公众号:提供 MOS管 技术帮助