实亿国际

实亿国际

国家高新企业

cn

新闻中心

实亿国际详细分析常见开关电源中的7种驱动电路(附有图片)-KIA MOS管

实亿国际信息来源:本站 日期:2019-11-27 

分享到:

详细分析常见开关电源中的7种驱动电路(附有图片)

驱动电路

驱动电路(Drive Circuit),位于主电路和控制电路之间,用来对控制电路的信号进行放大的中间电路(即放大控制电路的信号使其能够驱动功率晶体管),称为驱动电路。


驱动电路的作用:将控制电路输出的PWM脉冲放大到足以驱动功率晶体管—开关功率放大作用。


驱动电路,开关电源


(一)MOSFET的开关过程


驱动电路,开关电源


(二)栅极驱动电路的类型

1、直接耦合型驱动电路


驱动电路,开关电源


2、脉冲变压器耦合型驱动电路


驱动电路,开关电源


3、电容耦合型驱动电路


驱动电路,开关电源


4、电容耦合型驱动电路–改进型I


驱动电路,开关电源


5、电容耦合型驱动电路–改进型II


驱动电路,开关电源


6、用于双管正激的驱动电路


驱动电路,开关电源


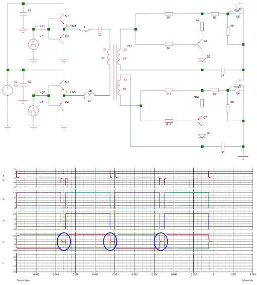
7、用于桥式变换器的驱动电路


驱动电路,开关电源


(三)驱动电路设计中的实际问题

1、电容耦合型驱动电路中的振荡


驱动电路,开关电源


2、桥式变换器中的驱动–常用电路


驱动电路,开关电源


3、桥式变换器中的驱动–改进电路


驱动电路,开关电源


驱动电路实质

驱动电路的实质是给栅极电容充放电


开通:

1.驱动电压足够高,一般>10V;(减小RDS(on))

2.足够的瞬态驱动电流,快的上升沿; (加速开通)

3.驱动电路内阻抗小。 (加速开通)


驱动电路,开关电源


关断:

1. 足够的瞬态驱动电流,快的下降沿; (加速关断)

2. 驱动电路内阻抗小。 (加速关断)

3. 驱动加负压。 (防止误导通)


联系方式:邹先生

联系电话:0755-83888366-8022

手机:18123972950

QQ:2880195519

联系地址:深圳市福田区车公庙天安数码城天吉大厦CD座5C1


请搜微信公众号:“KIA半导体”或扫一扫下图“关注”官方微信公众号

请“关注”官方微信公众号:提供 MOS管 技术帮助