实亿国际

实亿国际

国家高新企业

cn

新闻中心

实亿国际mosfet驱动电路哪几种知识分析-MOSFET驱动电路要求与注意事项-KIA MOS管

信息来源:本站 日期:2019-08-09 

分享到:

mosfet驱动电路哪几种知识分析-MOSFET驱动电路要求与注意事项

mosfet驱动

跟双极性晶体管相比,一般认为使MOS管导通不需要电流,只要GS电压高于一定的值,就可以了。这个很容易做到,但是,我们还需要速度。在MOS管的结构中可以看到,在GS,GD之间存在寄生电容,而MOS管的驱动,实际上就是对电容的充放电。对电容的充电需要一个电流,因为对电容充电瞬间可以把电容看成短路,所以瞬间电流会比较大。选择/设计MOS管驱动时第一要注意的是可提供瞬间短路电流的大小。


MOS管驱动电路第二注意的是,普遍用于高端驱动的NMOS,导通时需要是栅极电压大于源极电压。而高端驱动的MOS管导通时源极电压与漏极电压(VCC)相同,所以这时 栅极电压要比VCC大4V或10V。如果在同一个系统里,要得到比VCC大的电压,就要专门的升压电路了。很多马达驱动器都集成了电荷泵,要注意的是应该 选择合适的外接电容,以得到足够的短路电流去驱动MOS管。


上边说的4V或10V是常用的MOS管的导通电压,设计时当然需要有一定的余量。而且电压越高,导通速度越快,导通电阻也越小。现在也有导通电压更小的MOS管用在不同的领域里,但在12V汽车电子系统里,一般4V导通就够用了。


mosfet驱动电路哪几种

mosfet驱动电路哪几种,下文会体现出来。在使用MOS管设计开关电源或者马达驱动电路的时候,大部分人都会考虑MOS的导通电阻,最大电压等,最大电流等,也有很多人仅仅考虑这些因素。这样的电路也许是可以工作的,但并不是优秀的,作为正式的产品设计也是不允许的。


MOSFET因导通内阻低、开关速度快等优点被广泛应用于开关电源中。MOSFET的驱动常根据电源IC和MOSFET的参数选择合适的电路。下面一起探讨MOSFET用于开关电源的驱动电路。


在使用MOSFET设计开关电源时,大部分人都会考虑MOSFET的导通电阻、最大电压、最大电流。但很多时候也仅仅考虑了这些因素,这样的电路也许可以正常工作,但并不是一个好的设计方案。更细致的,MOSFET还应考虑本身寄生的参数。


对一个确定的MOSFET,其驱动电路,驱动脚输出的峰值电流,上升速率等,都会影响MOSFET的开关性能。当电源IC与MOS管选定之后, 选择合适的驱动电路来连接电源IC与MOS管就显得尤其重要了。


(一)mosfet驱动电路哪几种-电源IC直接驱动MOSFET


mosfet驱动电路哪几种

图1 IC直接驱动MOSFET


电源IC直接驱动是最常用的驱动方式,同时也是最简单的驱动方式,使用这种驱动方式,应该注意几个参数以及这些参数的影响。第一,查看一下电源IC手册,其最大驱动峰值电流,因为不同芯片,驱动能力很多时候是不一样的。


第二,了解一下MOSFET的寄生电容,如图 1中C1、C2的值。如果C1、C2的值比较大,MOS管导通的需要的能量就比较大,如果电源IC没有比较大的驱动峰值电流,那么管子导通的速度就比较慢。如果驱动能力不足,上升沿可能出现高频振荡,即使把图1中Rg减小,也不能解决问题! IC驱动能力、MOS寄生电容大小、MOS管开关速度等因素,都影响驱动电阻阻值的选择,所以Rg并不能无限减小。


(二)mosfet驱动电路哪几种-电源IC驱动能力不足时

如果选择MOS管寄生电容比较大,电源IC内部的驱动能力又不足时,需要在驱动电路上增强驱动能力,常使用图腾柱电路增加电源IC驱动能力,其电路如图 2虚线框所示。


mosfet驱动电路哪几种

图2 图腾柱驱动MOS


这种驱动电路作用在于,提升电流提供能力,迅速完成对于栅极输入电容电荷的充电过程。这种拓扑增加了导通所需要的时间,但是减少了关断时间,开关管能快速开通且避免上升沿的高频振荡。


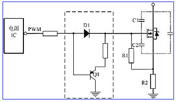
(三)mosfet驱动电路哪几种-驱动电路加速MOS管关断时间


mosfet驱动电路哪几种

图3 加速MOS关断


关断瞬间驱动电路能提供一个尽可能低阻抗的通路供MOSFET栅源极间电容电压快速泄放,保证开关管能快速关断。为使栅源极间电容电压的快速泄放,常在驱动电阻上并联一个电阻和一个二极管,如图 3所示,其中D1常用的是快恢复二极管。这使关断时间减小,同时减小关断时的损耗。Rg2是防止关断的时电流过大,把电源IC给烧掉。


mosfet驱动电路哪几种

图4 改进型加速MOS关断


在第二点介绍的图腾柱电路也有加快关断作用。当电源IC的驱动能力足够时,对图 2中电路改进可以加速MOS管关断时间,得到如图 4所示电路。用三极管来泄放栅源极间电容电压是比较常见的。如果Q1的发射极没有电阻,当PNP三极管导通时,栅源极间电容短接,达到最短时间内把电荷放完,最大限度减小关断时的交叉损耗。与图 3拓扑相比较,还有一个好处,就是栅源极间电容上的电荷泄放时电流不经过电源IC,提高了可靠性。


(四)mosfet驱动电路哪几种-驱动电路加速MOS管关断时间


mosfet驱动电路哪几种

图5 隔离驱动


为了满足如图5所示高端MOS管的驱动,经常会采用变压器驱动,有时为了满足安全隔离也使用变压器驱动。其中R1目的是抑制PCB板上寄生的电感与C1形成LC振荡,C1的目的是隔开直流,通过交流,同时也能防止磁芯饱和。


除了以上驱动电路之外,还有很多其它形式的驱动电路。对于各种各样的驱动电路并没有一种驱动电路是最好的,只有结合具体应用,选择最合适的驱动。


MOSFET驱动电路有以下几点要求

(1)开关管开通瞬时,驱动电路应能提供足够大的充电电流使MOSFET栅源极间电压迅速上升到所需值,保证开关管能快速开通且不存在上升沿的高频振荡。


(2)开关导通期间驱动电路能保证MOSFET栅源极间电压保持稳定且可靠导通。


(3)关断瞬间驱动电路能提供一个尽可能低阻抗的通路供MOSFET栅源极间电容电压的快速泄放,保证开关管能快速关断。


(4)驱动电路结构简单可靠、损耗小。


(5)根据情况施加隔离。


联系方式:邹先生

联系电话:0755-83888366-8022

手机:18123972950

QQ:2880195519

联系地址:深圳市福田区车公庙天安数码城天吉大厦CD座5C1


请搜微信公众号:“KIA半导体”或扫一扫下图“关注”官方微信公众号

请“关注”官方微信公众号:提供 MOS管 技术帮助