实亿国际

实亿国际

国家高新企业

cn

新闻中心

实亿国际三端稳压管型号对照表大全-三端稳压管选型的参数、封装及稳压值等详细资料-KIA MOS管

信息来源:本站 日期:2018-07-10 

分享到:

三端稳压管及判断技巧

三端稳压管是一种直到临界反向击穿电压前都具有很高电阻的半导体器件。稳压管在反向击穿时,在一定的电流范围内(或者说在一定功率损耗范围内),端电压几乎不变,表现出稳压特性,因而广泛应用于稳压电源与限幅电路之中。三端稳压管,主要有两种,一种输出电压是固定的,称为固定输出三端稳压管,另一种输出电压是可调的,称为可调输出三端稳压管。

电子产品一般三端稳压集成电路有一个正电压输出78xx系列79x系列和负电压输出。因此,公义,三端集成电路是指电压调整器和集成电路和三针输出,输入,接地端和输出端。它看起来像普通三极管、TO-220标准封装,有9013-92封装的。用78/79系列三端稳压集成电路形成几个外围组件所需的稳压电源,内部电路和过流、过热和调整管保护电路,而且价格便宜。这一系列的集成稳压集成电路模型在78或79的数字代表三端集成稳压电路的输出电压,如7806表示输出电压6v,79099v输出电压是负的。78/79系列的三端稳压IC有很多电子产品制造商,在80年代,通常一个前缀的代码,比如TA7805是东芝产品,AN7909是松下的产品。



三端稳压管型号对照表

有时在78或78L和M或数量,如78m12或79l24,用来区分输出电流和包装形式,等等,其中78L系列的最大输出电流100毫安,78系列最大输出电流是1、78系列,最大输出电流1.5a。它也有各种各样的封装,如图表所示。塑料封装的调节电路具有安装方便,价格低廉,所以更多。79系列除了输出电压是负的。导致安排不同的脚,命名方法,如形状是一样的78系列。因为三个固定集成稳压电路容易使用,常用于电子产品,可以用于修改的分立元件稳压电源,也经常用作电力电子器件的工作。电路图如图所示。注意三端集成稳压电路的输入,输出,和接地端必须不是错误的,不容易烧坏。一般三端集成稳压电路的最小输入和输出电压差的2v,否则不能稳定的输出电压,应该保持电压差一般在4到5v,即变压器变压器、二极管整流器,电容滤波后的电压应该高于调节值。

在实践中,应该在三个集成稳压电路安装散热器足够大(小功率条件下不,当然)。稳压管温度过高时,电压稳定性能将变得更糟,甚至伤害。当需要可以输出一个1。超过5电流稳压电源,通常需要几三端稳压电路并联为1.5n的最大输出电流,但在应用时必须注意到:并行的集成稳压电路应该使用相同的制造商,同一批次的产品,以确保参数的一致。额外津贴必须输出电流,为了避免单个集成稳压电路故障原因链燃烧在其他电路。在78,79**系列三端稳压器是最常用在-220,-202,两种包装。这两种包装图形和密码,密码函数如附图所示。销数图中标记方法是按照订单销潜在的高分。很容易记祝销(1)为最高潜力,(3)脚最低的潜力,(2)中心,从图可以看出,正压和负压,(2)脚输出。**78系列正压,输入是最高的潜力,自然是(1)脚,最低可能结束,或(3)脚,如附图所示。79**负压系列,输入最低的潜力,自然是3英尺,和结束最高的潜力,即(1),如附图所示。此外,还应注意,散热器总是第一个(3)连接到脚和最低的潜力。所以在78**系列、散热片和连接,并在79**系列、散热器和输入的连接。





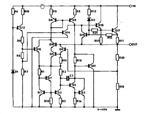
三端稳压管内部电路图





三端稳压管型号对照表

THREE TERMINAL REGULATORS

Part Number

Maximum Ratings

VoutV

Package

VINV

IOUTmA

Min

Typ

Max

KIA7805

30

1.5A

4.8

5

5.2

TO-92SOT-89

KIA78L05

30

100

4.8

5

5.2

SO-89

KIA78L05FS

30

200

4.82

5

5.17

TO-92SOT-89

KIA78L06

30

100

5.76

6

6.24

TO-92SOT-89

KIA78L08

30

100

7.68

8

8.32

TO-92SOT-89

KIA78L09

30

100

8.64

9

9.36

TO-92SOT-89

KIA78L10

30

100

9.6

10

10.4

TO-92SOT-89

KIA78L12

30

100

11.52

12

12.48

TO-92SOT-89

KIA78L15

30

100

14.4

15

15.6

TO-92SOT-89

KIA78L18

30

100

17.28

18

18.72

TO-92SOT-89

KIA78L24

40

100

23.04

24

24.96

TO-92SOT-89

KIA79L05

-35

100

-4.8

-5

-5.2

TO-92SOT-89

KIA79L06

-35

100

-5.76

-6

-6.24

TO-92SOT-89

KIA79L08

-35

100

-7.68

-8

-8.32

TO-92SOT-89

KAI79L09

-35

100

-8.64

-9

-9.36

TO-92SOT-89

KIA79L10

-35

100

-9.6

-10

-10.4

TO-92SOT-89

KIA79L12

-35

100

-11.52

-12

-12.48

TO-92SOT-89

KIA79L15

-35

100

-14.4

-15

-15.6

TO-92SOT-89

KIA79L18

-35

100

-17.28

-18

-18.72

TO-92SOT-89

KAI79L24

-40

100

-23.04

-24

-24.96

TO-92SOT-89




LOW DROPOUT POSITIVE REGULATORS


Part Number

Maximum Ratings

VoutV

Package

VINV

IOUTmA

Min

Typ

Max

KIA1117-ADJ

12

1000

-1.25

SOT223

KIA1117-1.8

12

1000

1.764

1.8

1.836

SOT223

KIA1117-2.5

12

1000

2.45

2.5

2.55

SOT223

KIA1117-3.3

12

1000

3.234

3.3

3.366

SOT223

KIA1117-5.0

12

1000

4.9

5

5.1

SOT223

KIA133

12

500

3.27

3.3

3.33

SOT89



ADJUSTABLE PRECISION SHUNT REGULATORS

Part Number

Maximum Ratings

VoutV

Package

VINV

IOUTmA

Min

Typ

Max

KIA431

36

350

2.487

2.5

2.513

TO-92SOT23

KIA431

36

750

2.487

2.5

2.513

SOT89








联系方式:邹先生

联系电话:0755-83888366-8022

手机:18123972950

QQ:2880195519

联系地址:深圳市福田区车公庙天安数码城天吉大厦CD座5C1



请搜微信公众号:“KIA半导体”或扫一扫下图“关注”官方微信公众号

请“关注”官方微信公众号:提供  MOS管  技术帮助