三端稳压管好坏测量-三端稳压管基本知识介绍及工作原理详解-KIA MOS管
信息来源:本站 日期:2018-08-27
三端稳压管是一种直到临界反向击穿电压前都具有很高电阻的半导体器件。稳压管在反向击穿时,在一定的电流范围内(或者说在一定功率损耗范围内),端电压几乎不变,表现出稳压特性,因而广泛应用于稳压电源与限幅电路之中。

三端稳压管,主要有两种,一种输出电压是固定的,称为固定输出三端稳压管,另一种输出电压是可调的,称为可调输出三端稳压管。
三端集成线性稳压器的电路原理及应用,1.三端固定式集成稳压器如果将前述的串联型稳压电源电路全部集成在一块硅片上,加以封装后引出三端引脚。
1.三端固定式集成稳压器
如果将前述的串联型稳压电源电路全部集成在一块硅片上,加以封装后引出三端引脚,就成了三端集成稳压电源了。
正电压输出的78××系列,负电压输出的79××系列。其中××表示固定电压输出的数值。如:7805、7806、7809、7812、7815、7818、7824等,指输出电压是+5V、+6V、+9V、+12V、+15V、+18V、+24V。79××系列也与之对应,只不过是负电压输出。这类稳压器的最大输出电流为1.5A,塑料封装(TO-220)最大功耗为10W(加散热器);金属壳封装(TO-3)外形,最大功耗为20W(加散热器)。
2. 78系列三端集成稳压器内部电路框图

3. 三端集成稳压器的典型应用
⑴固定输出连接

在使用时必须注意:(VI)和(Vo)之间的关系,以W7805为例,该三端稳压器的固定输出电压是5V,而输入电压至少大于8V,这样输入/输出之间有3V的压差。使调整管保证工作在放大区。但压差取得大时,又会增加集成块的功耗,所以,两者应兼顾,即既保证在最大负载电流时调整管不进入饱和,又不致于功耗偏大。
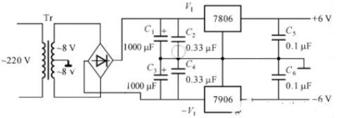
⑵固定双组输出连接

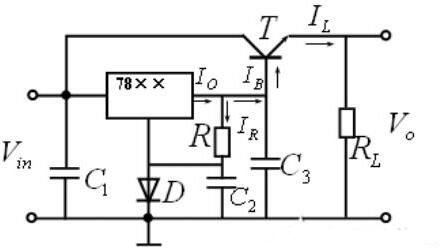
⑶扩大输出电流连接
二极管D以低消T管VBE压降而设置,扩大的输出电流为: ,原输出电流是Io,现可以近似扩大β倍。

7824是一个24V的三端稳压集成电路,用万用表只能大体测量一下它的好坏。7824外形和塑封三极管一样,也有3个引脚,面向有字的一面,引脚朝下,其引脚从左至右分别是输入端,接地端和稳压输出端。可以用万用表电阻档测量个引脚之间的电阻来判断好坏,最好找个好的7824对比着测量。可参考下图检测

如用万用表Rx1 档红表笔接中间脚,黑表笔接其余两脚,表针应该不动。如果表针偏转,说明7824坏了。再将黑表笔接中间脚,红表笔接其余两脚,表针应偏转表盘刻度的1/3或1/2,如果表针不偏转或满偏,都说明7824坏了。
三端稳压管是一种直到临界反向击穿电压前都具有很高电阻的半导体器件。稳压管在反向击穿时,在一定的电流范围内(或者说在一定功率损耗范围内),端电压几乎不变,表现出稳压特性,因而广泛应用于稳压电源与限幅电路之中。三端稳压系列集成电路检测方法,可通电测三端稳压的直流输出电压是否与标称值相同,如输出电压过高或过低,说明三端稳压块损坏。
或者用万用表测量各管脚之间电阻值来判断其是否正常,即用R×lk挡测量7800系列各管脚之间电阻值,测量结果如下表所示。
检测三端稳压块好坏的方法有两种:
(1)通电时测三端稳压块的直流输出电压是否与标称值相同,如输出电压过高或过低,说明三端稳压块损坏。(即输入电压、滤波电容、负载电阻正常。)
(2)用万用表测量各管脚之间电阻值来判断其是否正常,即用R×lk挡测量7800系列各管脚之间电阻值,测量结果如下表所示。
一般使用通电测量法。 比如测量供电端为5伏、输出端为3.3伏、接地端其实还有1伏左右,但通过一个电阻接地。 反正你测量他有输入,无输出就是坏了。
怎样用万用表检测三端稳压器的好坏?
测量方法有两种:
1、测量各引脚之间的电阻值
由于集成稳压器的品牌及型号众多,其电参数具有一定的离散性。通过测量集成稳压器各引脚之间的电阻值,也只能估测出集成稳压器是否损坏。若测得某两脚之间的正、反向电阻值均很小或接近0Ω则可判断该集成稳压器内部已击穿损坏。若测得鞭两脚之间的正、反向电阻值均为无穷大,则说明该集成稳压器已开路损坏。若测得集成稳压器的阻值不稳定,随温度的变化而改变,则说明该集成稳压器的热稳定性能不良。
2、测量稳压值
即使测量集成稳压器的电阻值正常,也不能确定该稳压器就是完好的,还应进一步测量其稳压值是否正常。测量时,可在被集成稳压器的电压输入端与接地端之间加上一个直流电压(正极接输入端)。 此电压应比被测稳压器的标称输出电压高3V以上(例如,被测集成稳压器是7806,加的直流电压就为+9V),但不能超过其最大输入电压。 若测得集成稳压器输出端与接地端之间的电压值输出稳定,且在集成稳压器标称稳压值的±5%范围内,则说明该集成稳压器性能良好。
联系方式:邹先生
联系电话:0755-83888366-8022
手机:18123972950
QQ:2880195519
联系地址:深圳市福田区车公庙天安数码城天吉大厦CD座5C1
请搜微信公众号:“KIA半导体”或扫一扫下图“关注”官方微信公众号
请“关注”官方微信公众号:提供 MOS管 技术帮助