实亿国际KNH3625A场效应管漏源击穿电压250V,漏极电流60A,采用专有新型平面技术,极...KNH3625A场效应管漏源击穿电压250V,漏极电流60A,采用专有新型平面技术,极低导通电阻RDS(开启) 45mΩ,低栅极电荷最小化开关损耗,性能优越;快速恢复体二极管...
以常见方案为例,高压低电流(如高通QC):通过提升电压缩短充电时间。低压大电...以常见方案为例,高压低电流(如高通QC):通过提升电压缩短充电时间。低压大电流(如OPPO VOOC):直接输送更大电流,减少发热。 关键点:快充全程由手机内置的...
手机充电器的输入端通过四个整流二极管构建成一个整流桥,通常现代手机充电器会...手机充电器的输入端通过四个整流二极管构建成一个整流桥,通常现代手机充电器会采用MB10S这类贴片整流桥,而较少使用1N4007整流桥。经过整流桥的整流和高压电容C1...
KNS8104A场效应管漏源击穿电压40V,漏极电流30A,极低导通电阻RDS(开启) 12mΩ...KNS8104A场效应管漏源击穿电压40V,漏极电流30A,极低导通电阻RDS(开启) 12mΩ,最大限度地减少导电损耗;低电流、低功耗、开关速度快,高效低耗;100%经雪崩测试...
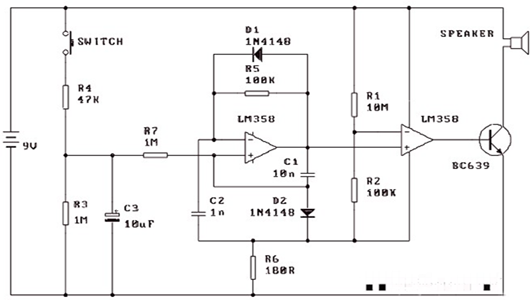
实亿国际当按下开关时,C3 通过 R4 充电,时间常数为 0.47 秒。当释放开关时,C3 开始通...当按下开关时,C3 通过 R4 充电,时间常数为 0.47 秒。当释放开关时,C3 开始通过 R7 和 R3 进行较慢的放电,时间常数约为 5 秒。运算放大器设置为压控振荡器。这...
该灯以220V电源供电。经过C1降压电容的降压,220V交流电被全桥整流,再经过C2滤...该灯以220V电源供电。经过C1降压电容的降压,220V交流电被全桥整流,再经过C2滤波,最终通过限流电阻R3为串联的38颗LED提供稳定的恒流电源。每颗LED的额定电流为2...