KNG3303C场效应管漏源击穿电压30V,漏极电流90A,极低导通电阻RDS(开启) 2.6mΩ...KNG3303C场效应管漏源击穿电压30V,漏极电流90A,极低导通电阻RDS(开启) 2.6mΩ,减少导通损耗、提高效率;低Crss、开关速度快,高效稳定;100%经雪崩测试、改进的...
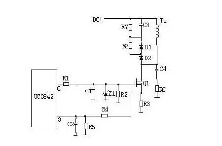
R4、C3、R5、R6、C4、D1、D2组成缓冲器,和开关MOS管并接,使开关管电压应力减...R4、C3、R5、R6、C4、D1、D2组成缓冲器,和开关MOS管并接,使开关管电压应力减少,EMI减少,不发生二次击穿。在开关管Q1关断时,变压器的原边线圈易产生尖峰电压和...
实亿国际在输入控制回路中,电阻R1串接在IC1光电耦合器输入端对其发光管进行限流保护,...在输入控制回路中,电阻R1串接在IC1光电耦合器输入端对其发光管进行限流保护,发光管LED对输入控制信号给予指示,VD1对输入端的反偏电压进行保护。当控制端无信号...
实亿国际KCP2915B场效应管漏源击穿电压150V,漏极电流130A,采用先进的SGT、沟槽MOS技术...KCP2915B场效应管漏源击穿电压150V,漏极电流130A,采用先进的SGT、沟槽MOS技术设计,高效率低损耗;极低导通电阻RDS(on) 7.3mΩ,低栅极电荷,可最大限度地减少导...
输入信号处理:电机控制器接收来自外部的控制信号,如模拟信号、数字信号等。这...输入信号处理:电机控制器接收来自外部的控制信号,如模拟信号、数字信号等。这些信号经过处理后,用于控制电机的运行状态。 微处理器控制:微处理器是电机控制器...
MOSFET的阈值电压Vgs(th)具有负温度系数,这意味着随着温度的升高,阈值电压会...MOSFET的阈值电压Vgs(th)具有负温度系数,这意味着随着温度的升高,阈值电压会降低。这是因为温度升高会导致半导体材料中的载流子浓度增加,使得沟道中的载流子更...