SSP10065A碳化硅二极管10a/650v参数,具有更高的过电压安全裕度、提高了所有负...SSP10065A碳化硅二极管10a/650v参数,具有更高的过电压安全裕度、提高了所有负载条件下的效率、与硅二极管替代品相比提高了效率、降低散热器要求、无热失控的并联...
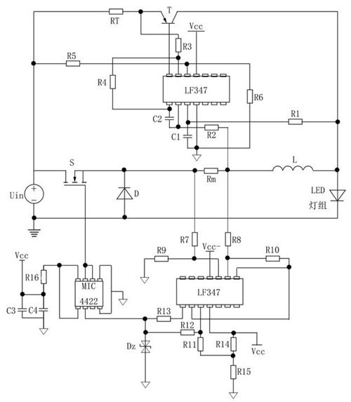
实亿国际采用Buck电路作为开关电路完成高效电能转换时,用线性电路抑制电路纹波,得到有...采用Buck电路作为开关电路完成高效电能转换时,用线性电路抑制电路纹波,得到有源纹波补偿Buck电路,实现可靠性高、寿命长的LED驱动。
实亿国际光伏交流汇流箱由直流输入、DC/AC逆变器、交流输出和保护等组成。直流输入部分...光伏交流汇流箱由直流输入、DC/AC逆变器、交流输出和保护等组成。直流输入部分连接光伏板的正负极,将光伏板产生的直流电能输入到交流汇流箱中。
KCD2908A场效应管漏源击穿电压85V,漏极电流130A,采用先进的SGT技术设计,极低...KCD2908A场效应管漏源击穿电压85V,漏极电流130A,采用先进的SGT技术设计,极低导通电阻RDS(on) 3.7mΩ,出色的栅极电荷,可最大限度地减少导电损失,高效低耗;具...
NPN 晶体管 2N3055 用于打开第 I 组蓝色 LED,而 PNP 晶体管 2N2905 用于打开第...NPN 晶体管 2N3055 用于打开第 I 组蓝色 LED,而 PNP 晶体管 2N2905 用于打开第 II 组红色 LED。当基极施加超过 0.7V 的正 V 且电流进入基极时,NPN 晶体管导通。...
实亿国际无线充电的实现通常需要两个线圈,一个是置于充电平台中的发射线圈,另一个是置...无线充电的实现通常需要两个线圈,一个是置于充电平台中的发射线圈,另一个是置于电子设备内的接收线圈。当一个变化的电流通过充电平台的发射线圈时,线圈内会产生...