实亿国际无线充电电路图,无线充电原理-KIA MOS管
实亿国际信息来源:本站 日期:2025-06-05
无线充电,又名感应充电或无线能量传输,其实是一种无需在电子设备和充电平台之间连接充电线就可以为设备充电的技术。
电子设备的无线充电应用较多的是电磁感应原理,即在闭合电路中,当穿过该电路的磁通量发生变化时,电路中就会产生感应电流。
无线充电的实现通常需要两个线圈,一个是置于充电平台中的发射线圈,另一个是置于电子设备内的接收线圈。当一个变化的电流通过充电平台的发射线圈时,线圈内会产生一个变化的磁场。在电子设备靠近充电平台后,接收线圈会产生感应电流,并且通过电路系统转换为直流电,为设备充电。
电磁感应式无线充电在发送端和接收端各有一个线圈。初级线圈上通一定频率的交流电,由于电磁感应在次级线圈中产生一定的电流,从而将能量从传输端转移到接收端。
无线充电的原理是电磁感应现象,也就是电和磁在一定条件下相互转化的物理现象。目前手机无线充电底座是将电转化为磁场,手机端的无线充电线圈将磁转化为电用来补充手机电量,这就是一个完整的智能手机无线充电流程。
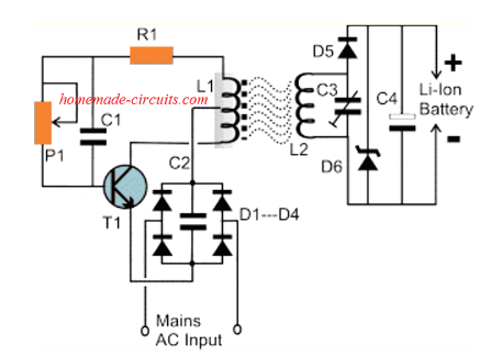
参照上图,我们看到两个单元,一个是基本模块或发送模块,另一个是接收模块。如上一段所述,基础绕组的芯材料是尺寸相对较大的铁氧体E芯。安装在E芯内的线轴具有一个单级,缠绕有100匝24 SWG超级漆包铜线。
从绕组的第50个绕组匝中抽出一个中心抽头。上述线圈或变压器连接到由晶体管T1,预设P1和相应的电阻和电容组成的振荡电路。预设用于通过绕组将频率增加到最佳水平,需要进行一些实验。将直流电压馈入电路以启动所需的振荡,该振荡直接通过对交流市电进行整流和滤波而得出。
在施加DC时,电路开始振荡,并且来自高频电感器的振荡向空气中逸出了相当长的距离,因此对于所建议的电感接收,必须将其收回。接收单元还集成了一个电感,该电感由空芯的50匝21 SWG超级漆包铜线组成,该电感器成为一种天线,用于预测从基本电路释放的功率波。电容器C3是可变电容器,用于无线电。可以尝试进行调整。
它用于调整接收,直到达到谐振点,并且L2随发射波进行最佳调谐。这立即提高了L2的输出电压,并变得最适合充电要求。D6和C4是整流组件,最终将AC信号转换为纯DC。当距离很近时,来自下部基本单元的感应会在接收线圈内部感应,感应的频率会在接收器电路内部进行适当的整流和滤波,并用于为连接的锂离子电池充电。
可以在输出两端连接一个LED,以便在任何时间点立即获得无线电力传输强度的指示。
联系方式:邹先生
座机:0755-83888366-8022
手机:18123972950(微信同号)
QQ:2880195519
联系地址:深圳市龙华区英泰科汇广场2栋1902
搜索微信公众号:“KIA半导体”或扫码关注官方微信公众号
关注官方微信公众号:提供 MOS管 技术支持
免责声明:网站部分图文来源其它出处,如有侵权请联系删除。
