汽车LED透镜mos管应用方案及选型-KIA MOS管
信息来源:本站 日期:2025-06-06
在LED汽车灯的设计中,有源纹波补偿Buck电路拓扑起到关键作用。由于电解电容在高温下寿命大幅降低,LED照明系统的可靠性受到严重影响。特别是汽车前照灯受发动机散热的影响,使LED驱动电源电路的寿命显著缩短。
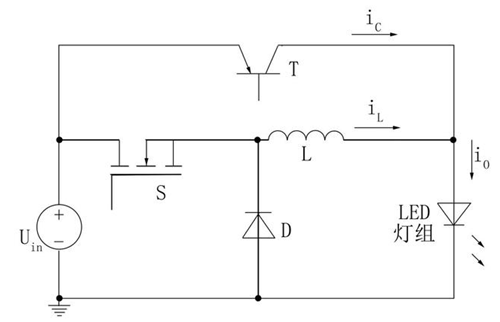
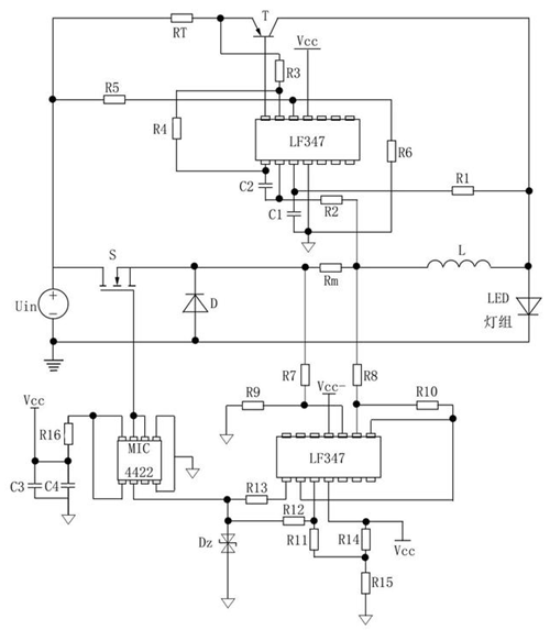
有源纹波补偿Buck电路
汽车前照灯会因为受到发动机散热的影响,明显的反馈在LED驱动电源电路使用寿命上。由于电解电容随工作温度升高,寿命会大幅降低的特性。
采用Buck电路作为开关电路完成高效电能转换时,用线性电路抑制电路纹波,得到有源纹波补偿Buck电路,实现可靠性高、寿命长的LED驱动。
标准供电电压24V直流
LED型号XR-M3,额定功率30W,工作电流0.7A,
LED灯组静态等效电阻R为6.8Ω
电感L为220uH
辅助补偿电源电压为18V
功率开关选NMOS管,
续流二极管:MBR10100肖特基二极管、
补偿电路三极管:S8550
补偿电路集成放大器:LF347芯片
功率驱动选择:MIC4422
汽车LEDMOS管选型关键要点:
功率和电压要求:根据LED的功率需求和工作电压确定MOS管的额定功率和耐压等级。确保MOS管能够稳定工作在LED的工作电压范围内。
电流承受能力:LED驱动电路中需要MOS管来控制电流,因此需要选择能够承受所需电流的MOS管,以避免过载导致损坏。
开关速度:LED驱动需要快速开关以控制亮度和频闪等特性,因此选型时需要考虑MOS管的开关速度(如开启和关闭时间)以确保系统性能。
热特性:LED驱动过程中MOS管会产生一定的热量,需要考虑MOS管的导热性能和最大工作温度,以确保系统稳定性和长期可靠性。
封装类型:考虑到汽车环境的振动和温度变化,选择耐高温、抗震动的封装类型,如TO-220、DPAK等,以确保在恶劣条件下MOS管的可靠性。

联系方式:邹先生
座机:0755-83888366-8022
手机:18123972950(微信同号)
QQ:2880195519
联系地址:深圳市龙华区英泰科汇广场2栋1902
搜索微信公众号:“KIA半导体”或扫码关注官方微信公众号
关注官方微信公众号:提供 MOS管 技术支持
免责声明:网站部分图文来源其它出处,如有侵权请联系删除。
