固态继电器原理图,电路图分享-KIA MOS管
信息来源:本站 日期:2025-06-10
固态继电器是由微电子电路,分立电子器件,电力电子功率器件组成的无触点开关。它利用电子元件(如开关三极管、双向可控硅等半导体器件)的开关特性,可达到无触点无火花地接通和断开电路的目的,因此被称为“无触点开关”。
常用固态继电器原理图
这种继电器是一种四端有源器件,具备两个输入控制端和两个输出受控端。它不仅具备放大驱动功能,还起到电气隔离的作用,通过光电隔离器实现输入与输出之间的有效隔离。当在输入端施加直流或脉冲信号时,输出端能从关断状态迅速转变为导通状态(无信号时则保持阻断状态),从而实现对大负载的精准控制。
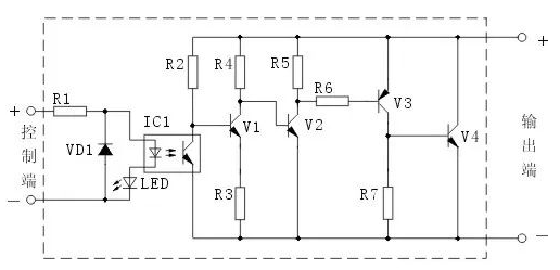
固态继电器由三部分组成:输入电路、隔离(耦合)和输出电路组成,在输入电路控制端加入信号后,IC1光电耦合器内光敏三极管呈导通状态,R1串接电阻对输入信号进行限流,以保证光耦合器不致损坏。LED发光二极管指示输入端控制信号,VD1可防止当输入信号正负极性接反时以保护光耦IC1。
V1在线路中起到交流电压检测作用,使固态继电器在电压过零时开启、负载电流过零时关断。当IC1光敏三极管截止时(控制端无信号输入时),V1通过R2获得基极电流使之饱和导通,从而使SCR可控硅门极触发电压UGT被箝在低电位而处于关断状态,最终导致BTA双向可控硅在门极控制端R6上无触发脉冲而处于关断状态。
当IC1光敏三极管导通时(控制端有信号输入时),SCR可控硅的工作状态由交流电压零点检测三极管V1来确定其工作状态。如电源电压经R2与R3分压,A处电压大于过零电压时(VA>VBE1),V1处饱和导通状态,SCR、BTA可控硅都处于关断状态;如电源电压经R2与R3分压,A处电压小于过零电压时(VA>VBE1)V1处截止状态,SCR可控硅通过R4获得触发信号而导通,从而使BTA在R6上也获得触发信号也呈导通状态,对负载电源进行关断控制。如此时控制端信号关断后,负载电流也随之减小至BTA双向可控硅的维持电流IH时可自行关断,切断负载电源。
在输入控制回路中,电阻R1串接在IC1光电耦合器输入端对其发光管进行限流保护,发光管LED对输入控制信号给予指示,VD1对输入端的反偏电压进行保护。当控制端无信号输入时,IC1光电耦合器中的光敏三极管呈截止高阻状态,V1通过R2获得其基极电流使之饱和导通,从而导致V2、V3、V4均处在截止状态,使其固态继电器呈关断状态。
当控制端有信号输入时,IC1中光敏三极管导通,使V1呈截止状态,从而使V2、V3、V4导通使其固态继电器呈接通状态,并将电源加至负载上,直流固态继电器的输出端随着输入端信号的加入而导通,信号的消失而关断。另外,大功率低电压的直流固态继电器的输出开关普遍采用功率场效应管来替代功率三极管,以此来降低输入功率。
联系方式:邹先生
座机:0755-83888366-8022
手机:18123972950(微信同号)
QQ:2880195519
联系地址:深圳市龙华区英泰科汇广场2栋1902
搜索微信公众号:“KIA半导体”或扫码关注官方微信公众号
关注官方微信公众号:提供 MOS管 技术支持
免责声明:网站部分图文来源其它出处,如有侵权请联系删除。
