实亿国际手机快充原理详解及电路图分享-KIA MOS管
实亿国际信息来源:本站 日期:2025-06-12
电池充电的基本条件:充电器电压要比电池电压高,才能克服电池的电压使它产生充电电流,完成电荷转移过程。
快充的核心是动态调整电压与电流。以常见方案为例,高压低电流(如高通QC):通过提升电压缩短充电时间。低压大电流(如OPPO VOOC):直接输送更大电流,减少发热。
关键点:快充全程由手机内置的 电源管理芯片(PMIC) 智能调控,实时监测电池温度、电压和电量。当电量接近80%时,快充会自动切换为“涓流充电”,降低功率,避免过充。
可知功率(P)=电压(U)*电流(I),在电池电量一定的情况,功率标志着充电速度,要想提高充电功率,要么提高电流,要么就加大电压,要么就两者同时加大。
把充电比喻成水池蓄水,提升电压,会对池壁带来更大压力,带来安全隐患。所以单纯采用提升电压这种方式的还不多。
从物理计算公式上来说,功率(P)=电压(U)*电流(I),在电池电量一定的情况,功率标志着充电速度,我们可以通过三种方式来缩短充电时间。
高电压低电流充电
在这种充电模式下,手机的充电器会先将220V的市电降压至5V低压,5V的电压来到充电器后由电源管理芯片降到4.2-4.35V这么一个稳定电压区间,这样一个流程下来,手机的锂电池才能顶得住。
不过,在降压过程过,电压的转化效率并不是100%的,手机在充电时发热也会产生损耗。而且手机和充电器都会发热。
高电流低电压充电
增加电流,在充电器电路和电池电路中都引入MCU单片微型计算机来代替降压电路。在低电压高电流的前提下,通过开电压环实现分段横流的电流的输出。
高电流低电压就是将电直接充个电池,而不经过降压IC,只在充电器中降一次压,电流较大所以它的充电时间相对会较短。它的电压会稳定在3-4.2v之间,电流在2-4A之间,而且还比较稳定不易发热,功率上也得到了提升。
高电压高电流充电
同时增大电压和电流确实是提高功率的最好办法,手机的充电效率确实是最快的,但它的弊端就在增大电压时手机充电会发热。
需要注意的是,电压和电流并不是可以无节制低提高的,电流过大是会让手机产生发热,影响电池的使用,温度过高甚至会爆炸。
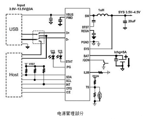
快速充电方案包含两个部分,充电器部分和电源管理部分,电源管理部分的芯片置于移动智能终端内,有独立的电源管理芯片,也有的直接集成在手机套片中,电源管理芯片对锂电池的整个充电过程实施管理和监控,包含了复杂的处理算法,锂电池充电包括几个阶段:预充阶段、恒流充电阶段,恒压充电阶段、涓流充电阶段,充电管理芯片根据锂电池充电过程的各个阶段的电器特性,向充电器发出指令,通知充电器改变充电电压和电流,而充电器接收到来自充电管理系统的需求,实时调整充电器的输出参数,配合充电管理系统实现快速充电。
联系方式:邹先生
座机:0755-83888366-8022
手机:18123972950(微信同号)
QQ:2880195519
联系地址:深圳市龙华区英泰科汇广场2栋1902
搜索微信公众号:“KIA半导体”或扫码关注官方微信公众号
关注官方微信公众号:提供 MOS管 技术支持
免责声明:网站部分图文来源其它出处,如有侵权请联系删除。
