led节能灯电路,led电路原理图-KIA MOS管
信息来源:本站 日期:2025-06-11
LED灯泡控制电路的元器件,包括电阻、电容、二极管,电路板很简单,包含的元件并不多,如图所示:
图中只画了部分LED,电容C1和电阻R1组成阻容降压电路,降压后通过桥式整流电路进行整流,整流后用电容进行滤波,然后通过限流电阻R3输出电压点亮2组LED灯,只需要这些元件就做成了一个LED灯泡。
LED节能灯电路图
LED灯杯的实用电路图,该灯以220V电源供电。经过C1降压电容的降压,220V交流电被全桥整流,再经过C2滤波,最终通过限流电阻R3为串联的38颗LED提供稳定的恒流电源。每颗LED的额定电流为20mA。然而,在制作节能灯时,我们必须考虑诸多因素对LED的影响,诸如光衰和发热问题。由于LED的安装密度高,热量难以散发,因此LED的温度对其光衰和寿命产生显著影响。若散热不佳,将可能导致光衰减。此外,LED的特性决定其温度升高时电流也会增大,这在制作大功率照明产品时尤为需要注意。散热问题不仅影响LED的稳定性,还可能缩短其使用寿命。对于小功率LED,通常采用自散热方式,因此在电路设计中需谨慎控制电流大小。
在图示的电路中,R1作为保护电阻,R2是电容C1的卸放电阻,而R3限流电阻则用于防止电压和温度升高时LED电流过大。C2滤波电容的作用是在开灯瞬间吸收冲击电流,保护LED不受损伤。由于C1的存在,开灯时会有一个较大的充电电流,但有了C2的介入,该电流被完全吸收,从而起到开灯防冲击的保护作用。
此电路特别适用于小功率灯杯,具有体积小、便于安装的特点,被广泛用于各类灯杯产品中。其优点包括恒流源、低功耗、小巧经济等。但在设计时需注意选用耐压400V以上的涤纶或CBB电容作为降压电容,滤波电容的耐压则需达到250V以上。此电路可驱动20至40颗20mA的LED,满足多种照明需求。
led节能灯电路原理图
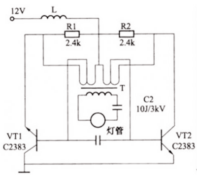
如图所示是一款12V低压节能灯电路,电流约2A,灯管的启动电压时经过12V电源接通后,由三极管VT1、VT2、C1和变压器T组成的震荡电路产生几十千赫兹高频交流电,并经过升压变压器T升压后产生的。此电路中荧光灯的频率很高,并且震荡晶体管VT1、VT2、变压器T都不发热,功率因数较高,特别适合用于移动照明或长时间应急照明。供电电源也可以是任何一种10~14V直流电源,如用汽车的12V电瓶供电等。
联系方式:邹先生
座机:0755-83888366-8022
手机:18123972950(微信同号)
QQ:2880195519
联系地址:深圳市龙华区英泰科汇广场2栋1902
搜索微信公众号:“KIA半导体”或扫码关注官方微信公众号
关注官方微信公众号:提供 MOS管 技术支持
免责声明:网站部分图文来源其它出处,如有侵权请联系删除。
