防盗报警器电路图,电子警报器电路-KIA MOS管
信息来源:本站 日期:2025-06-11
将本装置与三相电动机引线相连接,平时电动机正常运转,拉下刀开关,电动机停转后,装置自动进入报警状态。
工作原理:SB是三相双投刀开关,合在“1”的位置,电动机正常运转,扳到“2”的位置装置处于工作状态,合上开关 S,装置处于警戒状态,断开开关S,装置处于解除警报状态。将SB扳向“2”位置后,VT1、VT2基极经电动机M内部线圈接地,晶闸管VS关断,IC触发端无触发电压,扬声器B不发声。当有人偷盗电动机时,只要他拆开三相电动机三根引线中的任意两根,都会使VT1或VT2进入饱和状态,电流通过VT1或VT2,触发VS导通,IC输入端获得正向触发电压,其输出端输出报警电信号,经 VT3 放大后驱动扬声器 B发出报警声。
这是一个基于三个晶体管的紧凑型电子警报器电路。该电路适用于与其他警报或警报器项目结合使用,例如防盗警报器、自动工厂警报器等或简单的按下警报。
这里给出的电子警报器电路基于由 Q2 和 Q3(BC557 和 BC 37)组成的互补晶体管对,连接为非稳态多谐振荡器,直接驱动扬声器。晶体管 Q1 用于为电容器 C2 提供完全充电。当电源打开时。当按下按钮开关S1时,电容器C2通过电阻R8缓慢放电。这使得电路以低频振荡,然后随着电容器完全放电而增加到高频并无限期地保持。当开关 P1 释放时,输出频率缓慢下降,因为 C2 通过电阻 R6 和晶体管 Q2 的基极-发射极结充电至正电压。当 C2 完全充电至电池正电压时,电路停止振荡。
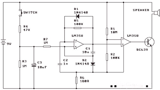
这是一款低成本、简单的电子警报器,仅由 9V 电池供电。该电路可以提供报警电路中的最终电路块模块,使用继电器来激活它。
当按下开关时,C3 通过 R4 充电,时间常数为 0.47 秒。当释放开关时,C3 开始通过 R7 和 R3 进行较慢的放电,时间常数约为 5 秒。运算放大器设置为压控振荡器。这个简单的电子警报器电路中的控制电压是 C3 充电和放电时电压的指数上升和下降。
当振荡器(引脚 7)的输出切换为低电平时,C1 上残留电荷,使引脚 5 保持在切换点以下。通过 R7 的电流与 C3 上的控制电压成正比。该电流对 C1 进行放电,导致引脚 5 上的电压以与 C3 上的电压成比例的速率上升至开关点。
当达到切换点时,引脚 7 切换为高电平,并首先通过 C1 将引脚 6 拉高。这会导致运算放大器暂时难以开启。但 C3 通过 D2 快速充电,导致引脚 5 上的电压降至开关点以下,导致运算放大器再次关闭。
运算放大器输出的正脉冲将固定量的电荷放入 C2,略微提高引脚 6 的电位。这会导致引脚 6 上的电位上升并有助于运算放大器的急剧关闭。此外,R5 和 C2 将引脚 6 上的上升沿延迟足够长的时间,以获得良好的输出脉冲。
然后重复该循环。然而,在 C3 放电周期期间,C1 的充电速率随着振荡器的每次重复而降低(因为控制电压较低),并且输出频率相应较低。在 C3 充电周期期间,情况相反。
输出脉冲由第二个运算放大器缓冲,然后电流施加到驱动晶体管。输出波形的占空比较低,但发出的声音却出奇的响亮。
联系方式:邹先生
座机:0755-83888366-8022
手机:18123972950(微信同号)
QQ:2880195519
联系地址:深圳市龙华区英泰科汇广场2栋1902
搜索微信公众号:“KIA半导体”或扫码关注官方微信公众号
关注官方微信公众号:提供 MOS管 技术支持
免责声明:网站部分图文来源其它出处,如有侵权请联系删除。
