将步进电机驱动器的脉冲输入信号和方向输入信号的正极与表控的5V端子相连。 将...将步进电机驱动器的脉冲输入信号和方向输入信号的正极与表控的5V端子相连。 将脉冲输入信号的负端与表控的Y1输出端子相接。 将方向输入信号的负端与表控的Y2输出...
前级功放:前级功放一般功率较小,因为其主要任务是初步放大信号和调整音质,而...前级功放:前级功放一般功率较小,因为其主要任务是初步放大信号和调整音质,而不是直接驱动扬声器。 后级功放:后级功放的功率通常较大,几十瓦甚至几百瓦不等,...
KNH7150A场效应管漏源击穿电压500V,漏极电流20A,采用专有新平面技术,低导...KNH7150A场效应管漏源击穿电压500V,漏极电流20A,采用专有新平面技术,低导通电阻RDS(开启) 0.24,最小化开关损耗;具有低栅极电荷、快恢复体二极管,高效低...
运算放大器和反相放大器:通过简单的负反馈配置,实现信号的放大和倒相,广泛应...运算放大器和反相放大器:通过简单的负反馈配置,实现信号的放大和倒相,广泛应用于信号处理和滤波。
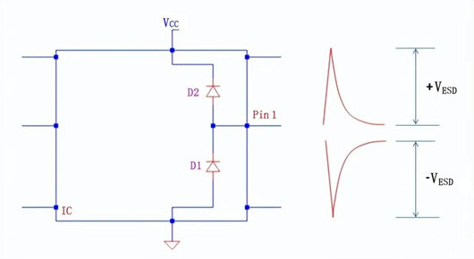
实亿国际正常工作时,假设引脚1的电压预计在0-3.3V之间,D1和D2不会干扰。假设高电平为...正常工作时,假设引脚1的电压预计在0-3.3V之间,D1和D2不会干扰。假设高电平为3.3V,则D1反偏不导通,另一方面D2也是不导通的,因为阴极连接到VCC,引脚的高电平等...
KNB2915A场效应管漏源击穿电压150V,漏极电流130A;采用先进的沟槽技术,极低的...KNB2915A场效应管漏源击穿电压150V,漏极电流130A;采用先进的沟槽技术,极低的导通电阻RDS(开启) 10mΩ,高效低耗;低Rds开启、低栅极电荷,最大限度地减少导电损...