电路设计如何降低esd静电,解决方法分享-KIA MOS管
实亿国际信息来源:本站 日期:2025-05-09
使用钳位二极管:
钳位二极管最常用于集成电路中,以保护器件免受ESD的损坏。微控制器、数字信号控制器和处理器通常具有内部的ESD钳位二极管。如果低成本控制器内部没有钳位二极管,可以在外部添加一个钳位二极管,通常用于保护编程引脚和复位引脚。
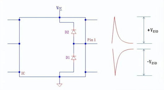
IC固有的ESD钳位二极管
正常工作时,假设引脚1的电压预计在0-3.3V之间,D1和D2不会干扰。假设高电平为3.3V,则D1反偏不导通,另一方面D2也是不导通的,因为阴极连接到VCC,引脚的高电平等于VCC。当引脚1中的电压为0时,D2反向偏置,D1无偏置。
当存在由ESD引起的高压尖峰时,二极管会导通。例如:尖峰非常高,D2将正向偏置,尖峰将转移到VCC,从而保护IC的内部组件。当存在非常高的负尖峰时,D1将传导并将尖峰转移到地面。
这里必须要了解清楚使用的IC是否具有保护。如果没有的话,就在外部添加钳位二极管。如下图所示:
在外部添加钳位二极管
如果打算在IC的所有引脚中都添加钳位二极管的话,那是肯定不行,而且成本也会很高。通常来说,在产品制造并放入外壳后,IC将不能再用,钳位二极管需要实现的特性引脚比较少。当然钳位二极管可以用硅二极管或者肖特基二极管。
使用瞬态电压抑制器
瞬态电压抑制器是快速作用的钳位二极管,不是普通的PN二极管,例如上面的钳位二极管。
TVS在作用和功能方面和钳位二极管差不多。一旦达到其击穿电压,器件就会钳位,否则为开路。
下图显示了常见的TVS符号,图A、B为双向TVS,C为单向TVS。双向TVS可以阻止ESD正向或负向尖峰。另一方面,单向的只能抑制一个定向尖峰。
使用齐纳二极管
使用齐纳二极管作为ESD保护与单向TVS原理相同,齐纳二极管的缺点是不如TVS快,并且考虑到TVS相同的尺寸,只能处理较小的能量,需要更大的齐纳二极管来承受能量,但是会占用PCB的空间,成本也会更高。
合理布局和布线:
在PCB设计中,合理的布局和布线可以减少ESD的影响。高频信号线应远离敏感元件,地线应尽量短且宽,以确保地电位的稳定。此外,使用屏蔽措施,如金属外壳或屏蔽材料包裹敏感电路,也可以隔绝外部干扰。
选择合适的元件:
在抗干扰设计中,选择合适的电容和电感、使用抗干扰元件(如共模扼流圈、TVS二极管等)也是非常重要的。这些元件可以有效抑制高频噪声,提高电路的抗干扰能力。
联系方式:邹先生
座机:0755-83888366-8022
手机:18123972950(微信同号)
QQ:2880195519
联系地址:深圳市龙华区英泰科汇广场2栋1902
搜索微信公众号:“KIA半导体”或扫码关注官方微信公众号
关注官方微信公众号:提供 MOS管 技术支持
免责声明:网站部分图文来源其它出处,如有侵权请联系删除。
