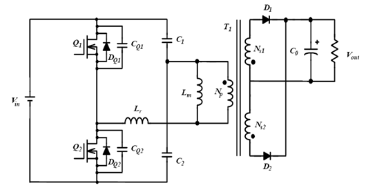
半桥网络:由两个MOS管(Q1、Q2)组成,交替导通。 谐振网络:包括谐振电感Lr...半桥网络:由两个MOS管(Q1、Q2)组成,交替导通。 谐振网络:包括谐振电感Lr、谐振电容Cr、励磁电感Lm(通常为变压器漏感与励磁电感组合)。 副边整流:通过变...
当充电枪插入新能源汽车充电口后,汽车检测点3电压会发生变化。当充电枪按压开...当充电枪插入新能源汽车充电口后,汽车检测点3电压会发生变化。当充电枪按压开关按下时,R4与RC串联,电阻较大,检测点3电压较高;当充电枪按压开关松开后,R4短路...
实亿国际锂电池保护板专用MOS管KNB1906A漏源击穿电压60V,漏极电流230A,极低导通电阻...锂电池保护板专用MOS管KNB1906A漏源击穿电压60V,漏极电流230A,极低导通电阻RDS(开启) 2.2mΩ,最大限度地减少导电损耗,提高效率;具有高输入阻抗、低功耗、开...
在RC相移振荡器中,RC网络产生180度相移,运算放大器产生另一个180度相移,因此...在RC相移振荡器中,RC网络产生180度相移,运算放大器产生另一个180度相移,因此产生的波反转360度。除了产生正弦波输出外,它们还用于对相移过程提供重要的控制。...
当信号通过RC网络时,电容器的电流超前电压90°,而电阻的电压和电流是同相位的...当信号通过RC网络时,电容器的电流超前电压90°,而电阻的电压和电流是同相位的。通过串联多个RC级,可以在输出和输入之间产生180°的相位差,从而形成正反馈,驱...
KNY8104A场效应管漏源击穿电压40V,漏极电流30A,极低导通电阻RDS(开启) 12mΩ...KNY8104A场效应管漏源击穿电压40V,漏极电流30A,极低导通电阻RDS(开启) 12mΩ,最大限度地减少导电损耗;低电流、低功耗、开关速度快,高效低耗;100%经雪崩测试...