实亿国际半桥llc谐振变换器,llc谐振电路原理-KIA MOS管
信息来源:本站 日期:2025-05-16
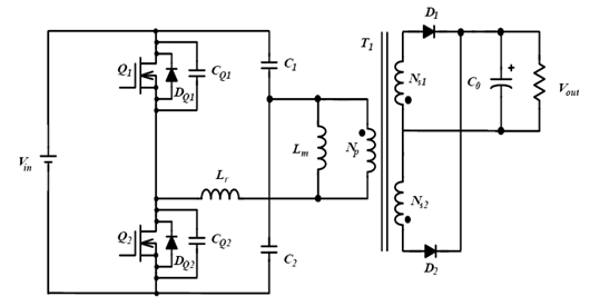
LLC半桥谐振电路的开关动作和半桥电路无异,但是由于谐振腔的加入,LLC半桥谐振电路中的上下MOSFET工作情况大不一样,它能实现MOSFET零电压开通。
LLC半桥谐振电路中,根据这个谐振电容的不同联结方式,典型LLC谐振电路有两种连接方式,如下图所示。
不同之处在于LLC谐振腔的连接,左图采用单谐振电容(Cr),其输入电流纹波和电流有效值较高,但布线简单,成本相对较低;右图采用分体谐振电容(C1,C2),其输入电流纹波和电流有效值较低,C1和C2上分别只流过一半的有效值电流,且电容量仅为左图单谐振电容的一半。
半桥LLC谐振电路是通过谐振腔的电磁能量转换和MOS管的开关时序配合,实现零电压开关(ZVS)的高效能量转换。其核心在于利用Lr、Cr、Lm构成的谐振网络,在开关管导通/关断过程中形成电压/电流的谐振波形,从而降低开关损耗。
电路拓扑结构
半桥网络:由两个MOS管(Q1、Q2)组成,交替导通。
谐振网络:包括谐振电感Lr、谐振电容Cr、励磁电感Lm(通常为变压器漏感与励磁电感组合)。
副边整流:通过变压器耦合至副边,由整流二极管(D1、D2)和输出电容Cout完成能量输出。
工作原理与流程
Q1导通阶段:
电流路径:Vin→Q1→Lr→Cr→Lm→变压器原边→Q1。
副边通过D1向负载供电,Lm储存磁能,Lr和Cr发生谐振。
死区时间(Q1/Q2均关断):
励磁电流通过MOS管寄生电容充放电,将Q2两端电压降至零,为ZVS导通创造条件。
Q2导通阶段:
电流路径:Lm→Cr→Lr→Q2→Vin负极。
副边通过D2供电,Lm释放储存的磁能,谐振网络反向工作。
再次死区时间:
类似阶段2,为Q1的ZVS导通做准备,完成一个工作周期。
实现ZVS的关键机制
谐振频率匹配:当开关频率接近谐振频率fr=1/(2π√LrCr)时,谐振腔呈现感性阻抗,MOS管寄生电容在导通前通过谐振电流放电至零电压,实现ZVS。
励磁电感作用:Lm在死区时间维持电流,确保寄生电容充放电过程的能量供给。
联系方式:邹先生
座机:0755-83888366-8022
手机:18123972950(微信同号)
QQ:2880195519
联系地址:深圳市龙华区英泰科汇广场2栋1902
搜索微信公众号:“KIA半导体”或扫码关注官方微信公众号
关注官方微信公众号:提供 MOS管 技术支持
免责声明:网站部分图文来源其它出处,如有侵权请联系删除。
