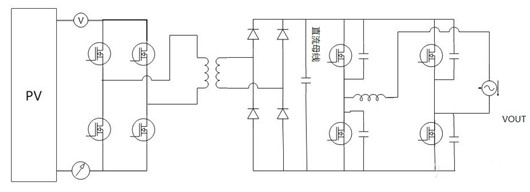
光伏逆变器作为光伏发电最重要的设备,针对与不同功率与应用,采用电路拓扑结构...光伏逆变器作为光伏发电最重要的设备,针对与不同功率与应用,采用电路拓扑结构较大差异。如用于组串式逆变器上DC/AC单向或者双向结构有NPC三电平结构,用于微型逆...
实亿国际三相四线接法是一种常见的电力系统接线方式,包括三个相线(A、B、C)和一个中...三相四线接法是一种常见的电力系统接线方式,包括三个相线(A、B、C)和一个中性线(N)。在光伏系统中,三相四线接法可以实现更高的功率输出和更好的电能质量。
KIA08TB60DP快恢复二极管在开关电源、逆变器和作为续流二极管中广泛应用,开关...KIA08TB60DP快恢复二极管在开关电源、逆变器和作为续流二极管中广泛应用,开关特性好、反向恢复时间短;具有超快35纳秒恢复时间、175°C工作结温、环氧树脂符合UL...
实亿国际该电路由差分输入的两组组件构成,其中Q1和Q4作为典型的差分输入。这两组分别独...该电路由差分输入的两组组件构成,其中Q1和Q4作为典型的差分输入。这两组分别独立驱动正极和负极输出。正信号输入通过R4进入差分放大器的输入端,并由Q1和Q2进行放...
实亿国际当充电模块工作时,三相交流电经过有源功率因数校正(PFC)电路整流后,变成直...当充电模块工作时,三相交流电经过有源功率因数校正(PFC)电路整流后,变成直流电供给DC/DC变换电路。控制器的软件算法通过驱动电路作用于半导体功率开关,从而控...
KNG3403C场效应管漏源击穿电压30V,漏极电流80A,极低导通电阻RDS(开启) 4.3mΩ...KNG3403C场效应管漏源击穿电压30V,漏极电流80A,极低导通电阻RDS(开启) 4.3mΩ,可最大限度地降低导通电阻,最小化开关损耗;低栅极电荷、低反向传输电容,高效低...