充电桩模块原理,充电桩工作原理-KIA MOS管
信息来源:本站 日期:2025-05-07
充电模块是新能源汽车直流充电设备的核心部件,是实现整流、逆变、滤波等功率变换的基本单元,主要作用是将电网中的交流电转换为可供电池充电的直流电。
当充电模块工作时,三相交流电经过有源功率因数校正(PFC)电路整流后,变成直流电供给DC/DC变换电路。控制器的软件算法通过驱动电路作用于半导体功率开关,从而控制充电模块的输出电压及电流,进而对电池组进行充电。
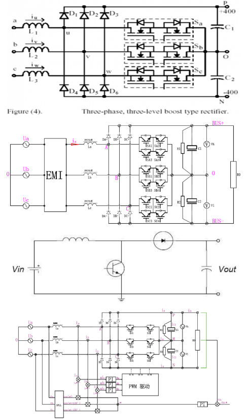
三相三线制三电平VIENNA:
优点:
1、大规模的充电站的建设需要大量的充电机,成本的控制十分必要,VIENNA整流器减少了功率开关器件个数同时其三电平特性降低了功率开关管最大压降,可以选用数量较少且相对廉价的低电压等级的功率器件,大大降低了成本;
2、功率密度即单位体积的功率大小也是充电机的重要指标,VIENNA整流器控制频率高的特点使电感和变压器的体积减小,很大程度上缩小了充电机的体积,提高了功率密度;
3、VIENNA整流器的高功率因数和低谐波电流,使充电机不会给电网带来大量的谐波污染,有利于充电站的大规模建设。因此,主流的充电模块厂家均以VIENNA整流器作为充电机的整流装置拓扑。
4、每相两个MOS管是反串联,不会像PWM整流器那样存在上下管直通的现象,不需要考虑死区,驱动电路也相对容易实现。
缺点:
1、输出中性点平衡问题:中性点电压的波动会增加注入电网电流的谐波分量,中性点电压严重偏离时会导致开关器件以及直流侧电流承受过高电压而损坏。因此必须考虑直流侧中性点电位的平衡问题;
2、能量只能单向传递。
联系方式:邹先生
座机:0755-83888366-8022
手机:18123972950(微信同号)
QQ:2880195519
联系地址:深圳市龙华区英泰科汇广场2栋1902
搜索微信公众号:“KIA半导体”或扫码关注官方微信公众号
关注官方微信公众号:提供 MOS管 技术支持
免责声明:网站部分图文来源其它出处,如有侵权请联系删除。
