光伏逆变器原理,拓扑结构图分享-KIA MOS管
信息来源:本站 日期:2025-05-08
光伏发电系统,简称光伏(PV),是指利用光伏电池的光生伏特效应,将太阳辐射能直接转换成电能的发电系统。光伏发电系统的能量来源于取之不尽、用之不竭的太阳能,是一种清洁、安全和可再生的能源。光伏发电过程不污染环境,不破坏生态。一般光伏发电系统是由光伏电池、逆变器、并网箱、支架、交直流线缆等组成。
而逆变器( inverter)作为光伏发电系统中核心的电力转换功能模块,它可以将光伏电池产生的直流电转换为市电频率一致的交流电反馈回市电系统或供交流设备使用。
光伏逆变器的种类有并/离网型;单相和三相,根据隔离的要求分为工频隔离/高频隔离/非隔离,根据功率大小又分微型逆变器;组串式逆变器;集中式逆变器等。
光伏逆变器拓扑结构
光伏逆变器作为光伏发电最重要的设备,针对与不同功率与应用,采用电路拓扑结构较大差异。如用于组串式逆变器上DC/AC单向或者双向结构有NPC三电平结构,用于微型逆变器的多级全桥逆变器,根据是否存在直流目前也有多种架构。根据隔离的要求不同,分为工频隔离,高频隔离和非隔离。
工频隔离逆变器
工频隔离逆变器顾名思义,就是源边和副边通过工频50Hz变压器实现功率传输。
工频隔离逆变器拓扑最为简单,只需要整流桥和滤波,已经工频变压器即可。但是由于50Hz工频变压器体积较大,在实际逆变器中很少使用。
高频隔离逆变器
高频隔离逆变器,在微型逆变器中使用较多,微型逆变器为了人体安全,需要讲交流侧与直流侧进行隔离。为了降低体积,通常使用高频隔离的逆变器拓扑。
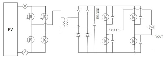
1.带有中间直流母线逆变器结构,前级的变化交流输出,通过整流桥变化成高压直流,然后再讲高压直流通过全球逆变器输出交流信号。由于存在中间直流母线,变压器源边的整流,与副边的逆变器可以解耦分别调整。但是架构使用功率器件较多,而且需要非常高直流母线的电容进行整流滤波。
2.伪直流直流母线的拓扑,实际上没有直流母线,通过交错反激的结构,将直流信号变换成正半周期的正弦波,然后再通过可控硅进行调整成全周期正弦波。该拓扑由于没有直流母线,所以可以节省了大量高压电容,需要在DC输入端增加低压大电容。使用开关奇迹较少,控制简单。由于该架构工作硬开关状态,效率较低。适合用于小功率微型逆变器。
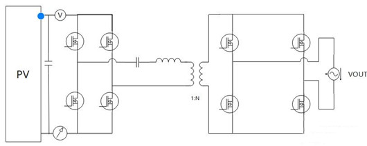
3.不含直流母线串联谐振,同样不用直流母线,也不需要高压电容在母线滤波。变压器源边工作在零电压开通状态,效率较高。该结构可以不仅可以用在光伏逆变器,也可以用在户用的储能逆变器中。
联系方式:邹先生
座机:0755-83888366-8022
手机:18123972950(微信同号)
QQ:2880195519
联系地址:深圳市龙华区英泰科汇广场2栋1902
搜索微信公众号:“KIA半导体”或扫码关注官方微信公众号
关注官方微信公众号:提供 MOS管 技术支持
免责声明:网站部分图文来源其它出处,如有侵权请联系删除。
