实亿国际步进电机驱动器接线图,接线方法-KIA MOS管
信息来源:本站 日期:2025-05-12
步进电机驱动器,作为一种将脉冲信号转化为电机转动动力的电子装置,凭借其出色的控制能力,在精确操控步进电机的速度、步距以及步数方面发挥着关键作用。
工作机制:一旦控制器接收到脉冲信号,它便会以特定的频率引发电平的变动。这一变化随后在电路板上被精心转换为驱动电机转动的指令信号,进而实现对电机运动的精准把控。
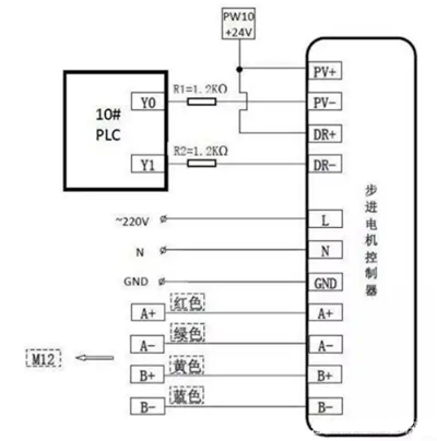
步进电机接线图
步进电机驱动器的工作流程步骤:
控制器接收脉冲信号:当控制器接收到外部输入的脉冲信号时,会按照设定的频率产生相应的电平变化。
脉冲信号转换:这些电平变化经过电路板的处理,被转换为能够精确控制电机转动的信号。
控制电机转动:步进电机驱动器接收并解析这些转换后的信号,根据信号的不同特征,如方向、步数和速度,来操控电机的相应动作。这使得步进电机能够根据需求进行精确的运动控制。步进电机驱动器因其结构简洁、运行可靠以及易于控制等特点,在工业自动化领域中发挥着至关重要的作用。
将步进电机驱动器的脉冲输入信号和方向输入信号的正极与表控的5V端子相连。
将脉冲输入信号的负端与表控的Y1输出端子相接。
将方向输入信号的负端与表控的Y2输出端子相连。
接下来,需要设置步进电机驱动器的细分,通常可以设定在8(1600)左右,并根据实际需求进行微调。
设置步进电机的正转,可以通过一行设置实现,其中X1作为正转启动开关。
对于步进电机的反转,需要设置X2为反向启动开关,同时Y1输出脉冲,Y2输出方向信号,通过两行设置实现反转动作。
联系方式:邹先生
座机:0755-83888366-8022
手机:18123972950(微信同号)
QQ:2880195519
联系地址:深圳市龙华区英泰科汇广场2栋1902
搜索微信公众号:“KIA半导体”或扫码关注官方微信公众号
关注官方微信公众号:提供 MOS管 技术支持
免责声明:网站部分图文来源其它出处,如有侵权请联系删除。
