实亿国际

实亿国际

国家高新企业

cn

新闻中心

电动车控制器-电动车无刷控制器工作原理与维修注意事项-KIA MOS管

信息来源:本站 日期:2018-03-09 

分享到:

电动车无刷控制器工作原理

电动车无刷控制器主要由单片机主控电路、功率管前级驱动电路、电子换向器、霍尔信号检测电路、转把信号电路、欠电检测电路、限流/过流检测电路、刹车信号电路、限速电路、电源电路等部分组成,其原理框图如图1所示,下面介绍主要电路的工作原理。

1.  电子换向器

无刷电机与有刷电机的根本区别就在于无刷电机用电子换向器代替了有刷电机的机械换向器,因而控制方法也就大不相同,复杂程度明显提高。在无刷电机控制器中,用6个功率 MOSFET管组成电子换向器,其结构如图2所示。图中MOSFET管VT1、VT4构成无刷电机A相绕组的桥臂,VT3、VT6 构成无刷电机B相绕组的桥臂,VT5、 VT2构成无刷电机C相绕组的桥臂,在任何情况,同一桥臂的上下两管不能 同时导通,否则要烧坏管子。

电动车控制器

6只功率MOSFET管按一定要求顺次导通,就可实现无刷电机A、B、C三相绕组的轮流通电,完成换相要求,电机正常运转。在电动车无刷电机控制器中,这 6只功率管有二二通电方式和三三通电方式的运用,二二通电方式即每一瞬间有两只功率管同时通电,三三通电方式即每一瞬间有三只功率管同时通电。对于二二通电方式,功率管须按 VT1、VT2;VT2、VT3;VT3、VT4; VT4、VT5;VT5、VT6;VT6、VT1; VT1、VT2??的通电顺序,电机才能 正常运转。对于三三通电方式,功率管须按VT1、VT2、VT3;VT2、VT3、 VT4;VT3、VT4、VT5;VT4、VT5、 VT6;VT5、VT6、VT1;VT6、  VT1、 VT2;VT1、VT2  、VT3??的次序通 电,电机才能正常运转。


2.  功率管前级驱动电路

功率管前级驱动电路用来驱动 电子换向器的 6 个 MOSFET管,由于6 个MOSFET管组成了  3个相同的桥臂, 对这3个相同的桥臂  的驱动电路是相同的,因而功率管前级驱动电路是由3组相同结构的电路组成,图3所示的是一典型的功率管前级驱动电路,对于一无刷控制器,有3个这样的电路,分别驱动3个桥臂。

电动车控制器

3.  单片机主控电路

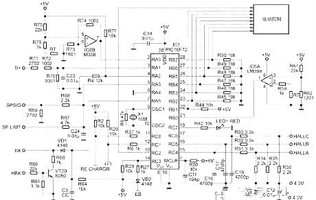
实亿国际 单片机主控电路是无刷电机控制器的核心部分,电机的霍尔信号、转把信号、过流检测信号、刹车信号等都直接输入给单片机,由单片机进行处理,并由单片机输出电子换向器三个桥臂的前级驱动信号,以控制电机的运转,因而单片机主控电路是无刷电机控制器的心脏部分。单片机PIC16F72是目前电动车无刷电机控制器的主流控制芯片,图4所示的是用PIC16F72构成的无刷控制器的典型应用电路,它包括了无刷电机控制器的各主要输入、输出信号,如图 4中的SPSIG端信号,该信号经过电阻R69和R68组成的网络送入单片机的第5脚,单片机根据该脚的电压信号变化,决定输出驱动信号的脉宽,从而决定电机的转速。目前市面上电动车的转把输出信号电压一般在1~4.2V,

它内部是由一个线性霍尔元件和一个磁 体组成,转动转把、磁体移动,霍尔元 件感应变化的磁场而输出变化的电压。

电动车控制器

4.  限速电路

限速电路是通过分压电阻,减小送入单片机的转把最高电压信号,从而限制了速度。如图4中把SPLIMT端接地,则R67与R68即组成分压电路,降低转把信号(SPSIG)送入单片机的5 脚的电压,从而限制了电动车的最高 转速。


5. 霍尔信号检测电路

在图4中,电阻R31~R36、电容 C16~C18组成霍尔信号检测输入电路,电阻R34~R36形成上拉电位,电容C16~C18起滤波作用,抑制干扰信号。单片机的15、16、17脚分别检测来自电机内的三路霍尔位置信号,以决定换相时刻。


6.欠压检测电路

实亿国际 在图4中,元件R70、R71、R72、 C23组成电池电压检测电路,检测值送入单片机的3脚,当该脚检测值低于某一数值时,可强迫无刷电机控制器不工作,从而起到保护电池的作用。


7.刹车信号电路

实亿国际 对于电动自行车,当手把刹车时,单片机得到刹车信号,无刷电机控制器停止输出控制信号,电机断电,这称为刹车断电,对于有些无刷控制器,当单片机得到刹车信号时,则输出控制信号,强制电机抱住,使电机不能转动,这称为电刹车。目前市面上电动车的刹车信号有高电平刹车信号和低电平刹车信号两种,对于单片机一般只识别其中一种信号,如果采用电平转换电路,则可识别两种电平的刹车信号。在图4中,当BK信号端为低电平,则单片机第7 脚得到低电平刹车信号,通知无刷控制器完成刹车过程。当HBK端为高电平时,通过电阻R66、R81、R88及三极管VT20完成电平转换,三极管VT20 的集电极变为低电平,单片机第7脚为低,通知无刷控制器完成刹车动作。

电动车控制器

8.  电源电路

在无刷电机控制器中,一般需两组电源,一个是14V电源供功率MOSFET驱动用,另一个是5V电源,供单片机、电机霍尔、转把霍尔等电路用。14V电源一般由LM317调整管得到,5V电源一般由78L05得到,电路程式如图5所示。


9.  限流/过流保护电路

限流保护是控制无刷电机控制器 在某一最大限定电流值下工作,对于 36V控制器,限流值一般在14±1A,对于48V控制器限流值一般在17±1A。限流保护其实又是过载保护,当上坡、载重必然引起负载加重、电流增大,但电流增大的极限就是限流值。如图4中,IC6B(LM358)的运放与电阻R73、R74、R75、R76及RT 构成限流信号检测电路。R T为串接于 MOSFET管上的电阻丝,如图2所示,因为电机电流通过MOSFET管,也就流  过R  T,当流过电机的电流变化,反应在 R  T上就是R  T两端电压的变化。当流过RT 的电流大到限定电流时,此时IC6的第 7脚输出约3V的电压,单片机PIC16F72 的 2脚得到3V电压时,则降低MOSFET 驱动输出信号的占空比,迫使流过电机 的电流下降,即R  T上的电流下降,同时 R  T上的电压下降,使得IC6的第7脚输出下降,如此动态调节,保证无刷电机控制器工作于限流值以下。过流保护是当电机电流达到限定电流时,无刷电机控制器电流仍在上升,则强迫停止电机供电。IC6A的运放和R59、R61、R62及R T构成过流保护检测电路,见图4。检测信号由IC6的1 脚输出,送入单片机的21脚。

电动车控制器

维修要点

根据笔者在实际工作中的经验, 要修好无刷控制器,可按如下步骤进 行,将会收到事半功倍的效果。

第一步实亿国际:正确判断无刷电机控制器的各引出线功能 无刷电机控制器一般具备如下引 出线。

1.电机线(图6中A线)无刷电机控制器电机线有3根,称为A、B、C相线,一般黄线为A相,蓝线为B相,绿线为C相,但也有例外,这就要求维修者试着调换3根线的次序,直到电机运转正常。

2.  电源线实亿国际(图6中B线)无刷电机控制器电源线一般用3根线,其中一根细一些的线为锁线,它是给无刷电机控制器14V及 5V电源供电的,另外 两根粗线(红、黑)给功率管供电。

3. 限速线(图6中C线)国家标准规定电动车的最高限速 为20km/h,因此各无刷电机控制器厂 家生产的控制器出厂时都留有如图7 中的D号线,当插头插上,则电动车 限速为20km/h,符合国家标准,如断 开,则电动车速度将大于20km/h,方 便用户选择。

4.  刹车线(图6中D线)刹车线连接到电动车的把手开关上,当刹车时开关动作,刹车信号送入单片机,执行刹车断电或刹车抱死动作。

5.速度线(图6中E线)速度线与电动车仪表盘中的速度表相连,在无刷电机控制器内它通过一限流电阻与电机的某一根相线相连。电机速度变化,反应在电机相线中电流变化,则在速度线中电流也变化,反应在仪表盘中就是速度的变化。

6.转把线实亿国际(图6中F线)转把线连接到电动车转把内的霍尔上,转把线有3根线,分别为电源正、电源负和信号线,一般红线为电源正,黑线为电源负,信号线为蓝色。当转把转动时,转把内磁铁相对霍尔运动,产生由低到高的感应电压信号,该信号送入单片机,执行调速指令。

7.  电机霍尔线实亿国际(图6中G线)电机霍尔线与电机内霍尔相连,以决定电机换相时刻。霍尔线有5根线:红为正,黑为负,其余3根线为3 个霍尔信号,这3根线与电机相连,必须次序正确,否则电机不能正常运转,有时需反复调换这3根线与电机相连次序,直到电机运转正常。


第二步实亿国际:目视检查打开无刷电机控制器,如图7所示,目视检查有无不良,重点检查各导线是否焊接良好,功率MOS管、14V 稳压管、大电解电容、单片机、振荡器是否焊接良好,如图7中A、B、C、 D、E标注的所示,要排除不良点。

电动车控制器

第三步:在不通电情况下用万用表检查

1. 先用万用表量外接电源端对地 阻抗是否正常,一般应大于 2kΩ。

2.分别测6个MOS管引脚间有无短路现象,此点较为重要,无刷电机控制器(如MOS管)较差,过流保护控制不佳或散热做得不好,往往会引起MOS管击穿,如图7中A部分。

实亿国际 3. 检查电源稳压管LM317引脚间 有无短路现象。

4. 测78L05与地间阻抗是否正 常,一般应大于1.5 kΩ。


第四步:在通电情况下测直流工作点 测 LM317 输出 ( 应为 14V )、 78L05输出(应为5V)、转把线霍尔线、助力线、红线与黑线间电源(应 为5V)。

电动车控制器

第五步:尝试通电运转

实亿国际 1. 只连接电机线、霍尔线、转把线,保证正确连接后通电试着转动转把,先慢慢转动一小段位置(低速),看电机运转状态是否正常,如不正常,立即停机,重新检查。只有电机低速正常,方可逐渐提高速度,否则易损坏器件。

2.  在电机运转正常情况下,检查 刹车、助力、速度表、欠压、限流等功能是否正常。


第六步:故障排除有时故障现象是多方面因素造成的,因此,我们要善于透过现象看本质,逐一排除点,最后问题便迎刃而解,附表是故障现象与原因的几点总结。

实亿国际 总之,在初步掌握无刷控制器基本原理的基础上,按照以上所介绍的几点步骤维修,将会收到事半功倍的效果。本文旨在抛砖引玉,许多维修技巧还要靠不断实践才能融会贯通。


联系方式:邹先生

联系电话:0755-83888366-8022

手机:18123972950

QQ:2880195519

联系地址:深圳市福田区车公庙天安数码城天吉大厦CD座5C1


关注KIA半导体工程专辑请搜微信号:“KIA半导体”或点击本文下方图片扫一扫进入官方微信“关注”。

关注「KIA半导体」,做优秀工程师!


长按二维码识别关注

阅读原文可一键关注+技术总汇