实亿国际

实亿国际

国家高新企业

cn

新闻中心

实亿国际MOS管、三极管、IGBT之间的因果关系 区别与联系最全解析-KIA MOS管

信息来源:本站 日期:2020-07-29 

分享到:

MOS管、三极管、IGBT之间的因果关系 区别与联系最全解析

大家都知道MOS管、三极管、IGBT的标准定义,但是很少有人详细地、系统地从这句话抽丝剥茧,一层一层地分析为什么定义里说IGBT是由BJT和MOS组成的,它们之间有什么区别和联系,在应用的时候,什么时候能选择IGBT、什么时候选择BJT、什么时候又选择MOSFET管。这些问题其实并非很难,你跟着我看下去,就能窥见其区别及联系。


MOS管、三极管、IGBT之间的关系

PN结:从PN结说起

PN结是半导体的基础,掺杂是半导体的灵魂,先明确几点:


1、P型和N型半导体: 本征半导体掺杂三价元素,根据高中学的化学键稳定性原理,会有 “空穴”容易导电,因此,这里空穴是“多子”即多数载流子,掺杂类型为P(positive)型;同理,掺杂五价元素,电子为“多子”,掺杂类型为N(negative)型。


2、载流子:导电介质,分为多子和少子,概念很重要,后边会引用


3、空穴”带正电,电子带负电,但掺杂后的半导体本身为电中性


4、P+和N+表示重度掺杂;P-和N-表示轻度掺杂

PN结原理如下图,空穴和电子的扩散形成耗尽层,耗尽层的电场方向如图所示:

MOS管,三极管,IGBT


(一)二极管

PN结正偏:PN结加正向电压,如下图

MOS管,三极管,IGBT


此时P区多子“空穴”在电场的作用下向N区运动,N区多子电子相反,使耗尽层变窄至消失,正向导电OK,也可以理解成外加电场克服耗尽层内电场,实现导电,该电压一般为0.7V或0.3V。二极管正向导通的原理即是如此。


PN结反偏:PN结加反向电压,如下图:

MOS管,三极管,IGBT


反偏时,多子在电场作用下运动使PN结加宽,电流不能通过,反向截止;二极管反向截止的原理就是这样。但是,此时少子在内外电场的作用下移动,并且耗尽层电场方向使少子更容易通过PN结,形成漏电流。得出重要结论,划重点:反偏时,多数载流子截止,少数载流子很容易通过,并且比正偏时多数载流子通过PN结还要轻松。


(二)三极管

上边说PN结反偏的时候,少数载流子可以轻易通过,形成电流,正常情况小少子的数量极少,反向电流可忽略不计。


现在我们就控制这个反向电流,通过往N区注入少子的方式,怎么注入,在N区下再加一个P区,并且使新加的PN结正偏,如下:

MOS管,三极管,IGBT


上图中,发射结正偏,空穴大量进入基区,他们在基区身份仍然是少数载流子的身份,此时,如前所述,这些注入的少数载流子很容易通过反偏的PN结——集电结,到达集电极,形成集电极电流Ic。


于是,我们课堂上背的三极管放大导通条件是<发射结正偏,集电结反偏>就非常容易理解了,上一张三极管的特性曲线。

MOS管,三极管,IGBT


这里涉及了饱和区的问题,三极管工作在饱和区时Vce很小,有人说饱和区条件是发射结正偏,集电结也正偏,这很容易让人误解;发射结正偏导通没问题,但集电结并没有达到正偏导通,若集电结正偏导通,就跟两个二极管放一起没区别;集电结的正偏电压阻碍基区少子向集电极漂移,正偏越厉害,少子向集电极运动越困难,即Ic越小,因此饱和状态下的Ic是小于放大状态下的βIb的,此时,管子呈现出很小的结电阻,即所谓的饱和导通。


(三)MOS管

MOS管结构原理:以N-MOS为例,a:P型半导体做衬底;b:上边扩散两个N型区,c:覆盖SiO2绝缘层;在N区上腐蚀两个孔,然后金属化的方法在绝缘层和两个孔内做成三个电极:G(栅极)、D(漏极)、S(源极)。

MOS管,三极管,IGBT


工作原理:一般衬底和源极短接在一起,Vds加正电压,Vgs=0时,PN结反偏,没有电流,Vgs加正电压,P衬底上方感应出负电荷, 与P衬底的多子(空穴)极性相反,被称为反型层,并把漏源极N型区连接起来形成导电沟道,当Vgs比较小时,负电荷与空穴中和,仍无法导电,当Vgs超过导通阈值后,感应的负电荷把N型区连接起来形成N沟道,开始导电。Vgs继续增大,沟道扩大电阻降低,从而电流增大

MOS管,三极管,IGBT


为改善器件性能,出现了VMOS、UMOS等多种结构,基本原理都一样。


(四)IGBT

IGBT是MOS和BJT的复合器件,到底是怎么复合的,往下看。从结构上看,IGBT与功率MOS的结构非常类似,在背面增加P+注入层(injection layer)。

MOS管,三极管,IGBT


得出IGBT的导电路径:

MOS管,三极管,IGBT


由于上图P阱与N-漂移区的PN结成反偏状态,于是产生了JFET效应,如下图。

MOS管,三极管,IGBT


于是,在上述IGBT结构中,电子流通方向的电阻可用下图表示,结合上边描述,一目了然。

MOS管,三极管,IGBT


为了减小上述电阻,并且提高栅极面积利用率,沟槽栅IGBT变成主流,作用效果如下图。

MOS管,三极管,IGBT


此外,为了提升IGBT耐压,减小拖尾电流,在N –漂移区、背面工艺(减薄和注入)上下了不少功夫:

N-区下的功夫包含以下几种:

MOS管,三极管,IGBT


1、PT:以高浓度的P+直拉单晶硅为起始材料,先生长一层掺杂浓度较高的N型缓冲层(N+buffer层),然后再继续淀积轻掺杂的N-型外延层作为IGBT的漂移区,之后再在N-型外延层的表面形成P-base、N+ source作为元胞,最后根据需要减薄P型衬底。


2、NPT:采用轻掺杂N- 区熔单晶硅作为起始材料,先在硅面的正面制作元胞并用钝化层保护好,之后再将硅片减薄到合适厚度。最后在减薄的硅片背面注入硼,形成P+ collector。


3、FS:以轻掺杂N- 区熔单晶硅作为起始材料,先在硅面的正面制作元胞并用钝化层保护好,在硅片减薄之后,首先在硅片的背面注入磷,形成N+ 截止层, 最后注入硼,形成P+ collector。


三极管,MOSFET, IGBT的区别?
为什么说IGBT是由BJT和MOSFET组成的器件?

要搞清楚IGBT、BJT、MOSFET之间的关系,就必须对这三者的内部结构和工作原理有大致的了解。


BJT

双极性晶体管,俗称三极管。内部结构(以PNP型BJT为例)如下图所示。

MOS管,三极管,IGBT

BJT内部结构及符号


双极性即意味着器件内部有空穴和电子两种载流子参与导电,BJT既然叫双极性晶体管,那其内部也必然有空穴和载流子,理解这两种载流子的运动是理解BJT工作原理的关键。


由于图中 e(发射极)的P区空穴浓度要大于b(基极)的N区空穴浓度,因此会发生空穴的扩散,即空穴从P区扩散至N区。同理,e(发射极)的P区电子浓度要小于b(基极)的N区电子浓度,所以电子也会发生从N区到P区的扩散运动。


这种运动最终会造成在发射结上出现一个从N区指向P区的电场,即内建电场。该电场会阻止P区空穴继续向N区扩散。倘若我们在发射结添加一个正偏电压(p正n负),来减弱内建电场的作用,就能使得空穴能继续向N区扩散。


扩散至N区的空穴一部分与N区的多数载流子——电子发生复合,另一部分在集电结反偏(p负n正)的条件下通过漂移抵达集电极,形成集电极电流。


值得注意的是,N区本身的电子在被来自P区的空穴复合之后,并不会出现N区电子不够的情况,因为b电极(基极)会提供源源不断的电子以保证上述过程能够持续进行。这部分的理解对后面了解IGBT与BJT的关系有很大帮助。


MOSFET

金属-氧化物-半导体场效应晶体管,简称场效晶体管。内部结构(以N-MOSFET为例)如下图所示。

MOS管,三极管,IGBT

MOSFET内部结构及符号


在P型半导体衬底上制作两个N+区,一个称为源区,一个称为漏区。漏、源之间是横向距离沟道区。在沟道区的表面上,有一层由热氧化生成的氧化层作为介质,称为绝缘栅。在源区、漏区和绝缘栅上蒸发一层铝作为引出电极,就是源极(S)、漏极(D)和栅极(G)。


MOSFET管是压控器件,它的导通关断受到栅极电压的控制。我们从图上观察,发现N-MOSFET管的源极S和漏极D之间存在两个背靠背的pn结,当栅极-源极电压VGS不加电压时,不论漏极-源极电压VDS之间加多大或什么极性的电压,总有一个pn结处于反偏状态,漏、源极间没有导电沟道,器件无法导通。


但如果VGS正向足够大,此时栅极G和衬底p之间的绝缘层中会产生一个电场,方向从栅极指向衬底,电子在该电场的作用下聚集在栅氧下表面,形成一个N型薄层(一般为几个nm),连通左右两个N+区,形成导通沟道,如图中黄色区域所示。当VDS>0V时,N-MOSFET管导通,器件工作。


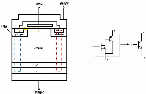
IGBT

IGBT的结构图

MOS管,三极管,IGBT

IGBT内部结构及符号


黄色色块表示IGBT导通时形成的沟道。首先看黄色虚线部分,细看之下是不是有一丝熟悉之感?


这部分结构和工作原理实质上和上述的N-MOSFET是一样的。当VGE>0V,VCE>0V时,IGBT表面同样会形成沟道,电子从n区出发、流经沟道区、注入n漂移区,n漂移区就类似于N-MOSFET的漏极。


蓝色虚线部分同理于BJT结构,流入n漂移区的电子为PNP晶体管的n区持续提供电子,这就保证了PNP晶体管的基极电流。我们给它外加正向偏压VCE,使PNP正向导通,IGBT器件正常工作。


这就是定义中为什么说IGBT是由BJT和MOSFET组成的器件的原因。


此外,图中我还标了一个红色部分,这部分在定义当中没有被提及的原因在于它实际上是个npnp的寄生晶闸管结构,这种结构对IGBT来说是个不希望存在的结构,因为寄生晶闸管在一定的条件下会发生闩锁,让IGBT失去栅控能力,这样IGBT将无法自行关断,从而导致IGBT的损坏。


IGBT和BJT、MOSFET之间的故事

BJT出现在MOSFET之前,而MOSFET出现在IGBT之前,所以我们从中间者MOSFET的出现来阐述三者的因果故事。


MOSFET的出现可以追溯到20世纪30年代初。德国科学家Lilienfeld于1930年提出的场效应晶体管概念吸引了许多该领域科学家的兴趣,贝尔实验室的Bardeem和Brattain在1947年的一次场效应管发明尝试中,意外发明了电接触双极晶体管(BJT)。


两年后,同样来自贝尔实验室的Shockley用少子注入理论阐明了BJT的工作原理,并提出了可实用化的结型晶体管概念。


发展到现在,MOSFET主要应用于中小功率场合如电脑功率电源、家用电器等,具有门极输入阻抗高、驱动功率小、电流关断能力强、开关速度快、开关损耗小等优点。


随着下游应用发展越来越快,MOSFET的电流能力显然已经不能满足市场需求。为了在保留MOSFET优点的前提下降低器件的导通电阻,人们曾经尝试通过提高MOSFET衬底的掺杂浓度以降低导通电阻,但衬底掺杂的提高会降低器件的耐压。这显然不是理想的改进办法。


但是如果在MOSFET结构的基础上引入一个双极型BJT结构,就不仅能够保留MOSFET原有优点,还可以通过BJT结构的少数载流子注入效应对n漂移区的电导率进行调制,从而有效降低n漂移区的电阻率,提高器件的电流能力。


经过后续不断的改进,目前IGBT已经能够覆盖从600V—6500V的电压范围,应用涵盖从工业电源、变频器、新能源汽车、新能源发电到轨道交通、国家电网等一系列领域。IGBT凭借其高输入阻抗、驱动电路简单、开关损耗小等优点在庞大的功率器件世界中赢得了自己的一片领域。


联系方式:邹先生

联系电话:0755-83888366-8022

手机:18123972950

QQ:2880195519

联系地址:深圳市福田区车公庙天安数码城天吉大厦CD座5C1


请搜微信公众号:“KIA半导体”或扫一扫下图“关注”官方微信公众号

请“关注”官方微信公众号:提供 MOS管 技术帮助