MOS管开关时的米勒效应是如何形成的及如何消除米勒效应-KIA MOS管
信息来源:本站 日期:2019-05-22
米勒效应(Miller effect)是在电子学中,反相放大电路中,输入与输出之间的分布电容或寄生电容由于放大器的放大作用,其等效到输入端的电容值会扩大1+K倍,其中K是该级放大电路电压放大倍数。
虽然一般密勒效应指的是电容的放大,但是任何输入与其它高放大节之间的阻抗也能够通过密勒效应改变放大器的输入阻抗。
米勒效应在电子电路中,应用很广泛
(1)密勒积分
在集成运算放大器开环增益A很高的情况下,展宽积分线性范围,提高运算精度,获得了广泛的运用。
(2)用米勒电容补偿,消除自激反应
由于米勒电容补偿后的频率响应,是一种在0dB带宽不受损失的情况下, 使集成运算放大器没有产生自激可能品质优良的“完全补偿‘。同时,密勒效应使小补偿电容可以制作在基片上,从而实现了没有外接补偿元件的所谓“ 内藏补偿” 。
MOSFET的栅极驱动过程,可以简单的理解为驱动源对MOSFET的输入电容(主要是栅源极电容Cgs)的充放电过程;当Cgs达到门槛电压之后, MOSFET就会进入开通状态;当MOSFET开通后,Vds开始下降,Id开始上升,此时MOSFET进入饱和区;但由于米勒效应,Vgs会持续一段时间不再上升,此时Id已经达到最大,而Vds还在继续下降,直到米勒电容充满电,Vgs又上升到驱动电压的值,此时MOSFET进入电阻区,此时Vds彻底降下来,开通结束。
由于米勒电容阻止了Vgs的上升,从而也就阻止了Vds的下降,这样就会使损耗的时间加长。(Vgs上升,则导通电阻下降,从而Vds下降)
米勒效应在MOS驱动中臭名昭著,他是由MOS管的米勒电容引发的米勒效应,在MOS管开通过程中,GS电压上升到某一电压值后GS电压有一段稳定值,过后GS电压又开始上升直至完全导通。为什么会有稳定值这段呢?因为,在MOS开通前,D极电压大于G极电压,MOS寄生电容Cgd储存的电量需要在其导通时注入G极与其中的电荷中和,因MOS完全导通后G极电压大于D极电压。米勒效应会严重增加MOS的开通损耗。(MOS管不能很快得进入开关状态)
所以就出现了所谓的图腾驱动!!选择MOS时,Cgd越小开通损耗就越小。米勒效应不可能完全消失。MOSFET中的米勒平台实际上就是MOSFET处于“放大区”的典型标志。用用示波器测量GS电压,可以看到在电压上升过程中有一个平台或凹坑,这就是米勒平台。
米勒效应指在MOS管开通过程会产生米勒平台,原理如下。
理论上驱动电路在G级和S级之间加足够大的电容可以消除米勒效应。但此时开关时间会拖的很长。一般推荐值加0.1Ciess的电容值是有好处的。
下图中粗黑线中那个平缓部分就是米勒平台。
删荷系数的这张图 在第一个转折点处:Vds开始导通。Vds的变化通过Cgd和驱动源的内阻形成一个微分。因为Vds近似线性下降,线性的微分是个常数,从而在Vgs处产生一个平台。
米勒平台是由于mos 的g d 两端的电容引起的,即mos datasheet里的Crss 。
这个过程是给Cgd充电,所以Vgs变化很小,当Cgd充到Vgs水平的时候,Vgs才开始继续上升。
Cgd在mos刚开通的时候,通过mos快速放电,然后被驱动电压反向充电,分担了驱动电流,使得Cgs上的电压上升变缓,出现平台。
t0~t1: Vgs from 0 to Vth.Mosfet没通.电流由寄生二极管Df.
t1~t2: Vgs from Vth to Va. Id
t2~t3: Vds下降.引起电流继续通过Cgd. Vdd越高越需要的时间越长.
Ig 为驱动电流.
开始降的比较快.当Vdg接近为零时,Cgd增加.直到Vdg变负,Cgd增加到最大.下降变慢.
t3~t4: Mosfet 完全导通,运行在电阻区.Vgs继续上升到Vgg.
平台后期,VGS继续增大,IDS是变化很小,那是因为MOS饱和了。。。,但是,从楼主的图中,这个平台还是有一段长度的。
这个平台期间,可以认为是MOS 正处在放大期。
前一个拐点前:MOS 截止期,此时Cgs充电,Vgs向Vth逼进。
前一个拐点处:MOS 正式进入放大期
后一个拐点处:MOS 正式退出放大期,开始进入饱和期。
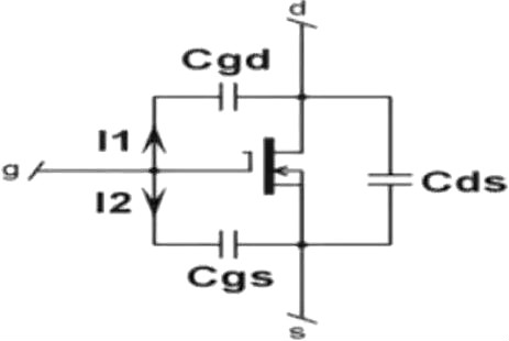
当斜率为dt 的电压V施加到电容C上时(如驱动器的输出电压),将会增大电容内的电流:
I=C×dV/dt (1)
因此,向MOSFET施加电压时,将产生输入电流Igate = I1 + I2,如下图所示。
在右侧电压节点上利用式(1),可得到:
I
1=Cgd×d(Vgs-Vds)/dt=Cgd×(dVgs/dt-dVds/dt) (2)
I2=Cgs×d(Vgs/dt) (3)
如果在MOSFET上施加栅-源电压Vgs,其漏-源电压Vds 就会下降(即使是呈非线性下降)。因此,可以将连接这两个电压的负增益定义为:
Av=- Vds/Vgs (4)
将式(4)代入式(2)中,可得:
I1=Cgd×(1+Av)dVgs/dt (5)
在转换(导通或关断)过程中,栅-源极的总等效电容Ceq为:
Igate=I1+I2=(Cgd×(1+Av)+Cgs)×dVgs/dt=Ceq×dVgs/dt (6)
式中(1+Av)这一项被称作米勒效应,它描述了电子器件中输出和输入之间的电容反馈。当栅-漏电压接近于零时,将会产生米勒效应。
Cds分流最厉害的阶段是在放大区。为啥? 因为这个阶段Vd变化最剧烈。平台恰恰是在这个阶段形成。你可认为:门电流Igate完全被Cds吸走,而没有电流流向Cgs。
注意数据手册中的表示方法
Ciss=Cgs+Cgd
Coss=Cds+Cgd
Crss=Cgd
设计电源时,工程师常常会关注与MOSFET导通损耗有关的效率下降问题。在出现较大RMS电流的情况下, 比如转换器在非连续导电模式(DCM)下工作时,若选择Rds(on)较小的MOSFET,芯片尺寸就会较大,从而输入电容也较大。也就是说,导通损耗的减小将会造成较大的输入电容和控制器较大的功耗。当开关频率提高时,问题将变得更为棘手。
图1 MOSFET导通和关断时的典型栅电流
图2 MOSFET中的寄生电容

图3 典型MOSFET的栅电荷

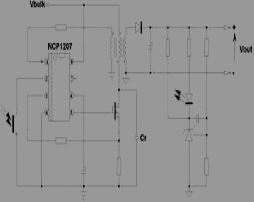
图4 基于专用控制器的简单QR转换器

图5 ZVS技术消除米勒效应
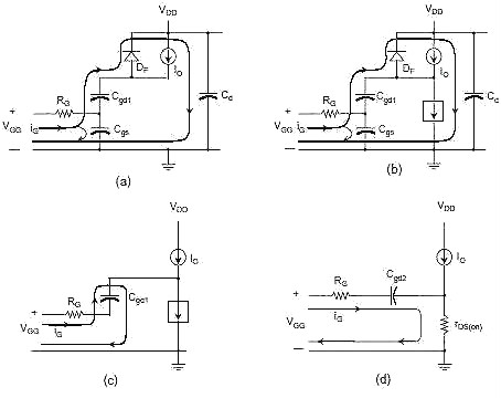
MOSFET导通和关断时的典型栅电流如图1所示。在导通期间,流经控制器Vcc引脚的峰值电流对Vcc充电;在关断期间,存储的电流流向芯片的接地端。如果在相应的面积上积分,即进行篿gate(t)dt,则可得到驱动晶体管的栅电荷Qg 。将其乘以开关频率Fsw,就可得到由控制器Vcc提供的平均电流。因此,控制器上的总开关功率(击穿损耗不计)为:
Pdrv = Fsw×Qg×Vcc
如果使用开关速度为100kHz 的12V控制器驱动栅电荷为100nC的MOSFET,驱动器的功耗即为100nC×100kHz×12V=10mA×12V=120mW。
MOSFET的物理结构中有多种寄生单元,其中电容的作用十分关键,如图2所示。产品数据表中的三个参数采取如下定义:当源-漏极短路时,令Ciss = Cgs + Cgd;当栅-源极短路时,令Coss = Cds +? Cgd;Crss = Cgd。
驱动器实际为栅-源极连接。当斜率为dt 的电压V施加到电容C上时(如驱动器的输出电压),将会增大电容内的电流:
I=C×dV/dt
(2)
因此,向MOSFET施加电压时,将产生输入电流Igate = I1 + I2,如图2所示。在右侧电压节点上利用式(2),可得到:
I1=Cgd×d(Vgs-Vds)/dt=Cgd×(dVgs/dt-dVds/dt)
(3)I2=Cgs×d(Vgs/dt)
(7)式中(1-Av)这一项被称作米勒效应,它描述了电子器件中输出和输入之间的电容反馈。当栅-漏电压接近于零时,将会产生米勒效应。典型功率MOSFET的栅电荷如图3所示,该图通过用恒定电流对栅极充电并对栅-源电压进行观察而得。根据式(6),当Ciss突然增大时,电流持续流过。但由于电容急剧增加,而相应的电压升高dVgs却严重受限,因此电压斜率几乎为零,如图3中的平坦区域所示。
图3也显示出降低在转换期间Vds(t)开始下降时的点的位置,有助于减少平坦区域效应。Vds=100V时的平坦区域宽度要比Vds=400V时窄,曲线下方的面积也随之减小。因此,如果能在Vds等于零时将MOSFET导通,即利用ZVS技术,就不会产生米勒效应。
在准谐振模式(QR)中采用反激转换器是消除米勒效应较经济的方法, 它无需在下一个时钟周期内使开关处于导通状态,只要等漏极上的自然振荡将电压逐渐降至接近于零。与此同时,通过专用引脚可以检测到控制器再次启动了晶体管。通过在开关打开处反射的足够的反激电压(N×[Vout+Vf]),即可实现ZVS操作,这通常需要800V(通用范围)的高压MOSFET。基于安森美的NCP1207的QR转换器如图4所示,它可以直接使用高压电源供电。该转换器在ZVS下工作时的栅-源电压和漏极波形如图5所示。
总之,如果需要Qg较大的MOSFET,最好使反激转换器在ZVS下工作,这样可以减少平均驱动电流带来的不利影响。这一技术也广泛应用于谐振转换器中。
联系方式:邹先生
联系电话:0755-83888366-8022
手机:18123972950
QQ:2880195519
联系地址:深圳市福田区车公庙天安数码城天吉大厦CD座5C1
请搜微信公众号:“KIA半导体”或扫一扫下图“关注”官方微信公众号
请“关注”官方微信公众号:提供 MOS管 技术帮助