实亿国际

实亿国际

国家高新企业

cn

新闻中心

MOS管驱动电阻器及MOS管栅极尖峰电压的防护分析-KIA MOS管

信息来源:本站 日期:2020-03-06 

分享到:

MOS管驱动电阻器及MOS管栅极尖峰电压的防护分析

本文主要讲MOS管驱动电阻器及MOS管栅极尖峰电压的防护分析。与常规双极晶体管不同,MOS管是电压控制型器件,一般用于小电压控制大电流的情况,包括开关电源、马达控制、继电器控制、LED照明等。应用中,MOS管相当于一个开关,漏极和源极之间还有一个寄生二极管,也称作体二极管。所以,MOS管的驱动比较复杂。


MOS管损耗

MOS管的导通相当于开关闭合。不管是NMOS还是PMOS,导通后都有导通电阻存在,电流通过时就会消耗一定的能量——导通损耗。在器件选型时,我们都会选择导通电阻小的MOS管。目前,小功率MOS管导通电阻一般在几十毫欧左右,有的只有几毫欧。


MOS,MOS管

MOS管及导通电阻与VGS和温度的关系


就开关速度而言,MOS的导通和截止一定不是瞬间完成的。MOS两端的电压有一个下降的过程,流过的电流有一个上升的过程,在这段时间内,MOS管的损耗是电压和电流的乘积,叫做开关损耗。


通常,开关损耗比导通损耗大得多,而且开关频率越快,损耗也越大。因为,导通瞬间电压和电流的乘积很大,造成的损耗也就很大。


应用中,可以通过缩短开关时间、降低开关频率两种方法来减小开关损耗。其中,缩短开关时间可以减小每次导通时的损失,降低开关频率可以减小单位时间内的开关次数。


选择最佳的栅极电压VGS

由于MOS管的GS、GD之间存在寄生电容,驱动MOS管实际上就是对这些电容进行充放电。同时,MOS管栅极电阻器也很重要。应选择适当的电阻值,因为它会影响开关速度,进而影响MOS管的开关损耗。


VGS对于MOS管栅极驱动非常重要。MOS管在线性区(即电压低于夹断电压)中运行时,其导通电阻较低。因此对于开关应用,可以在低VDS区中使用MOS管来降低导通电阻。


当MOS管的栅极电压VGS超过其阈值电压Vth时,MOS管开通。因此,VGS必须明显高于Vth。而且,VGS越高,RDS(ON)值就越低;温度越高,RDS(ON)值也就越高。为了减少损耗,必须增大VGS从而最大限度减小器件在当前使用的电流水平下的电阻,从而降低稳态损耗。


相反,高VGS值会增大高频开关情况下驱动损耗对总损耗的比率。因此必须选择最佳的MOS管和栅极驱动电压,常用MOS管的导通电压Vth为4V或10V。


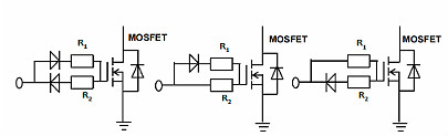
栅极电阻器的选择

一般来说,MOS管的栅极端子上连接一个电阻器。该栅极电阻器的用途包括抑制尖峰电流并减少输出振铃。较大的栅极电阻器会降低MOS管的开关速度,从而导致功率损耗增大,性能降低以及出现潜在的发热问题。


MOS,MOS管

MOS管栅电阻器的选择


相反,较小的栅极电阻器会提高MOS管的开关速度,易引发电压尖峰和振荡,从而造成器件故障和损坏。


因此,必须选择最佳的栅极电阻器,或通过调节栅极电阻器值来优化MOS管开关速度,有时会使用不同的栅极电阻器来开通和关断MOS管。


尖峰电压的防护

在MOS管的栅极和源极之间外接一个齐纳二极管,可以有效防止发生静电放电和栅极尖峰电压。但要注意,齐纳二极管的电容可能有轻微的不良影响。


MOS,MOS管

MOS管栅极尖峰电压的防护


栅极故障的预防

MOS管的一大问题在于其漏栅电容会导致出现寄生开通(自开通)现象。关断后,MOS管的源极和漏极之间形成陡峭的dv/dt。产生的电流经由漏栅电容流到栅极,导致栅极电阻器中发生的电压降提高栅极电压。


如果dv/dt的斜率极为陡峭,则根据栅源电容与栅漏电容的比率为MOS管的栅极施加电压。如果出现这种情况,可能会发生自开通。如果在二极管反向恢复期间对处于关断状态的MOS管施加快速变化的电压,也可能发生自开通。


MOS,MOS管

用于防止MOS管自开通现象的米勒箝位电路


要防止自开通现象,通常有三种方法:一是在栅极和源极之间添加一个电容器,二是将关断栅极电压驱动到负值,避免其超过Vth。第三种方法是采用米勒箝位电路的开关器件,使MOS管的栅极与源极之间的通路发生短路,通过在相关MOS管的栅极和源极之间添加另一个MOS管来实现短路。


虽然驱动电路较双极性晶体管复杂,MOS管独特的开关特性是任何器件都无法替代的,人们还一直在把MOS管从开关电源、马达驱动、照明调光向汽车电子、新能源电力等应用推广。面对新的应用,设计时当然需要有一定的余量,并综合考量MOS管的内部结构和应用环境和发展潜力。


联系方式:邹先生

联系电话:0755-83888366-8022

手机:18123972950

QQ:2880195519

联系地址:深圳市福田区车公庙天安数码城天吉大厦CD座5C1


请搜微信公众号:“KIA半导体”或扫一扫下图“关注”官方微信公众号

请“关注”官方微信公众号:提供 MOS管 技术帮助







3000万彩票-追求健康,你我一起成长 乐发IV - welcome u284彩票- 欢迎您 实亿国际(中国区)官方网站 永兴集团yx06 5630彩票(中国区)官方网站 佰利乐·(中国区)有限公司官网 金彩汇 - welcome首页