实亿国际TO-220F封装型号参数大全-中、低、高MOS管全塑封装 原厂供货-KIA MOS管
信息来源:本站 日期:2019-01-08
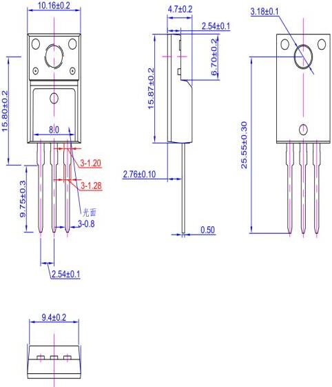
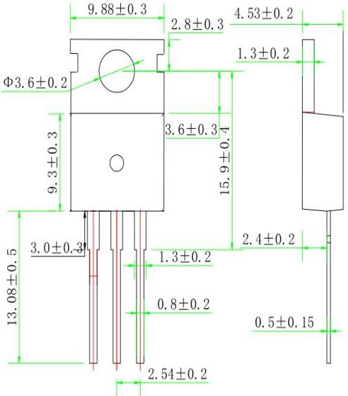
TO-220F封装是全塑封装,上到散热器上不必加绝缘垫。TO-220带金属片与中间脚相连的,如装散热器的话要加绝缘垫。
TO-220
TO-220F
TO-220、TO-220F封装:TO-220F是全塑封装,装到散热器上时不必加绝缘垫;TO-220带金属片与中间脚相连,装散热器时要加绝缘垫。这两种封装样式的MOS管外观差不多,可以互换使用。
在电子元器件采购的很多时候,由于度 TO-220 .TO-220F 的不了解,性能无从的得知,其之间的区别也无法分清楚,很多时候就因为这样发生一些小麻烦。下面我们就来讲讲TO-220 与 TO-220F,从而让的大家了解并便于选购。
TO-220和TO-220F封装两个封装的Pd不同,源于两种封装的Rjc不同所致,Tj一般是到150℃,认为Tj=Tc+Pd*Rjc,其中,Tc是离晶圆最近的结构外壳的温度,Pd是MOSFET上承载的功耗,Rjc是Juction to case的热阻。
|
Part Numbe |
ID(A) |
VDSS(v) |
RDS(Ω)(MAX) |
RDS(Ω)(TYP) |
ciss |
|
pF |
|||||
|
KIA2N60H |
2 |
600 |
5 |
4.1 |
200 |
|
KIA3N80H |
3 |
800 |
4.8 |
4 |
543 |
|
KNF4360A |
4 |
600 |
2.3 |
1.9 |
511 |
|
KIA4N60H |
4 |
600 |
2.7 |
2.3 |
500 |
|
KND4365A |
4 |
650 |
2.5 |
2 |
523 |
|
KIA4N65H |
4 |
650 |
3 |
2.5 |
508 |
|
KIA5N60E |
4.5 |
600 |
2.5 |
2 |
780 |
|
KIA730H |
6 |
400 |
1 |
0.83 |
520 |
|
KIA7N60H |
7 |
600 |
1.2 |
1 |
900 |
|
KIA7N60U |
7 |
600 |
1.4 |
1.15 |
1020 |
|
KNF4665A |
7.5 |
650 |
1.4 |
1.1 |
970 |
|
KIA7N65H |
7 |
650 |
1.4 |
1.2 |
1000 |
|
KIA7N80H |
7 |
800 |
1.9 |
1.4 |
1300 |
|
KIA8N60H |
7.5 |
600 |
1.2 |
0.98 |
1000 |
|
KIA9N90S |
9 |
900 |
1.4 |
1.05 |
2780 |
|
KIA10N60H |
9.5 |
600 |
0.73 |
0.6 |
1570 |
|
KIA10N65H |
10 |
650 |
0.75 |
0.65 |
1650 |
|
KIA10N80H |
10 |
800 |
1.1 |
0.85 |
2230 |
|
KIA12N60H |
12 |
600 |
0.65 |
0.53 |
1850 |
|
KIA12N65H |
12 |
650 |
0.75 |
0.63 |
1850 |
|
KIA13N50H |
13 |
500 |
0.48 |
0.4 |
1600 |
|
KNP6650A |
15 |
500 |
0.45 |
0.33 |
2148 |
|
KIA16N50H |
16 |
500 |
0.38 |
0.32 |
2200 |
|
KIA18N50H |
18 |
500 |
0.32 |
0.25 |
2500 |
|
KIA20N50H |
20 |
500 |
0.26 |
0.21 |
2700 |
联系方式:邹先生
联系电话:0755-83888366-8022
手机:18123972950
QQ:2880195519
联系地址:深圳市福田区车公庙天安数码城天吉大厦CD座5C1
请搜微信公众号:“KIA半导体”或扫一扫下图“关注”官方微信公众号
请“关注”官方微信公众号:提供 MOS管 技术帮助