实亿国际

实亿国际

国家高新企业

cn

新闻中心

cmos图像传感器市场应用趋势及工作原理解析-深度剖析cmos图像传感器-KIA MOS管

实亿国际信息来源:本站 日期:2018-11-13 

分享到:

cmos图像传感器简介

在cmos图像传感器芯片上还可以集成其他数字信号处理电路,如AD转换器、自动曝光量控制、非均匀补偿、白平衡处理、黑电平控制、伽玛校正等,为了进行快速计算甚至可以将具有可编程功能的DSP器件与CMOS器件集成在一起,从而组成单片数字相机及图像处理系统。

1963年Morrison发表了可计算传感器,这是一种可以利用光导效应测定光斑位置的结构,成为CMOS图像传感器发展的开端。1995年低噪声的CMOS有源像素传感器单片数字相机获得成功。cmos图像传感器具有以下几个优点:

1)、随机窗口读取能力。随机窗口读取操作是cmos图像传感器在功能上优于CCD的一个方面,也称之为感兴趣区域选取。此外,CMOS图像传感器的高集成特性使其很容易实现同时开多个跟踪窗口的功能。

2)、抗辐射能力。总的来说,cmos图像传感器潜在的抗辐射性能相对于CCD性能有重要增强。

3)、系统复杂程度和可靠性。采用CMOS图像传感器可以大大地简化系统硬件结构。

4)、非破坏性数据读出方式。

5)、优化的曝光控制。值得注意的是,由于在像元结构中集成了多个功能晶体管的原因,cmos图像传感器也存在着若干缺点,主要是噪声和填充率两个指标。鉴于cmos图像传感器相对优越的性能,使得CMOS图像传感器在各个领域得到了广泛的应用。

美国高清高速cmos图像传感器

DYNAMAX-11:潘纳维申影像这颗新的传感器含有的全局电子曝光快门技术,极大地改善了工业成像在室内和室外的应用。这颗新发布的DYNAMAX-11图像传感器适合用于机器视觉、安防监控、智能交通、生命科学、生物医疗、科学影像、高清录像、电视广播等工业成像领域。这颗新发布的DYNAMAX-11图像传感器含有320万像素,像素大小为5.0?m × 5.0?m。DYNAMAX-11具有以下一些特点:

1:高灵敏度,低噪声。DYNAMAX-11在卷帘曝光的模式下,可以实现小于4 electrons rms噪声,在全局曝光的模式下,可以实现小于8 electrons rms噪声。

2:宽的光谱响应范围,覆盖从可见光到红外。

3: DYNAMAX-11具有快速的输出能力,可以达到全尺寸3.2M输出时,60帧/秒,和HDTV1920*1080输出时,72帧/秒的输出速度。

4:高动态模式下的动态范围可达120分贝.

DYNAMAX-11采用了CLCC封装,非常便于客户的安装焊接和结构设计。DYNAMAX-11 适合3/4英寸的光学尺寸。同时,DYNAMAX-11对应高清电视格式要求(HDTV,1080i,16:9),也设计了感兴趣区域的2/3英寸的200万像素光学格式(对角线11毫米)。

DYNAMAX-11彩色和黑白两种芯片的样片正提供给PVI的客户.


cmos图像传感器的历史、应用领域及未来发展趋势

cmos图像传感器始于“拍照和录像应用”,盛行于“移动市场”,最近几年,又受到高附加值下游市场的驱动。那么,未来哪些将成为cmos图像传感器的高增长领域呢?消费类、无人机、机器人还是VR?

cmos图像传感器具有体积小、功耗低等优势,在cmos图像传感器领域占有率达到90%。随着背照式和堆栈式技术等新型CMOS图像传感器技术的进步,以及双摄像头、3D摄像头陆续出现并成为智能手机的新卖点。再加上汽车、无人机、VR以及AR技术等新兴市场的推动,cmos图像传感器正迎来新一轮的产业成长高峰。

cmos图像传感器


cmos图像传感器应用趋势

1、消费市场依然占据主导地位

众所周知,移动端一直是cmos图像传感器重要的市场。据预测,未来智能手机中将广泛采用双摄像头和3D摄像头,随着这两种应用的普及,CMOS无疑将迎来新一轮的爆发。同时这将驱动着cmos图像传感器产业发生变化,从成像质量到人机交互,这是一个从成像到传感和用户界面的大转变。


2、汽车是增长最快的细分市场

汽车电子是cmos图像传感器增长最快的细分市场,2015年全球销售额为4.8亿美元,占CMOS市场的4.8%,预计2020年销售额可达18亿美元,市场占比将达到11%。

ADAS系统的不断进步使得汽车上需要搭载后视、前视、环绕视CMOS摄像头,以直接获取周围环境的图像信息,实现前向碰撞预警、车道偏离警示、自动泊车、路况记录、车辆/行人/障碍物识别、车内环境监控等功能。目前高端汽车ADAS系统包含5-8个摄像头,未来随着无人驾驶技术的发展,汽车搭载的CMOS传感器数量有望超过10个。


3、医疗应用需求涌现

传统的电荷耦合设备(CCD)图像传感器技术已不能满足医疗图像抓取应用的需要。cmos图像传感器凭借其六大优势席卷医疗电子应用,主要优势包括:系统集成度更高、动力要求较低、图像抓取功能更为灵活、界面智能化程度更高、动态范围更大、感光度更高。一些常用的医疗器械如医疗内窥镜均因为cmos图像传感器使得性能有大幅度提升。

ams的cmos图像传感器已经在以上这些领域广泛应用,ams CEO Alexander Everke就曾预测其他细分市场未来也有广阔的应用空间:“未来cmos图像传感器将在3D建模、AR/VR、手势、脸部识别、3D扫描和游戏六大领域爆发。”

下游需求旺盛,产业竞争激烈,在cmos图像传感器界占有重要地位的ams以一系列高性能的产品组合,并不断致力于技术创新的战略来面对。


4、面型图像传感器

包含CMV、CHR系列产品,广泛应用于工业视觉、科学研究、航天军事及医疗仪器相关领域。

cmos图像传感器


5、线型图像传感器

包含Orion Line Scan、Dragster Line Scan及4LS Line Scan三大系列产品,广泛应用于工业视觉及医疗仪器相关产业。

cmos图像传感器


6、微缩模块

Naneye系列产品,可应用于医疗仪器和监控检测相关产业。

cmos图像传感器


cmos图像传感器基本工作原理

下图为cmos图像传感器的功能框图。

cmos图像传感器

首先,外界光照射像素阵列,发生光电效应,在像素单元内产生相应的电荷。行选择逻辑单元根据需要,选通相应的行像素单元。行像素单元内的图像信号通过各自所在列的信号总线传输到对应的模拟信号处理单元以及A/D转换器,转换成数字图像信号输出。其中的行选择逻辑单元可以对像素阵列逐行扫描也可隔行扫描。行选择逻辑单元与列选择逻辑单元配合使用可以实现图像的窗口提取功能。模拟信号处理单元的主要功能是对信号进行放大处理,并且提高信噪比。另外,为了获得质量合格的实用摄像头,芯片中必须包含各种控制电路,如曝光时间控制、自动增益控制等。为了使芯片中各部分电路按规定的节拍动作,必须使用多个时序控制信号。为了便于摄像头的应用,还要求该芯片能输出一些时序信号,如同步信号、行起始信号、场起始信号等。

从某一方面来说,cmos图像传感器在每个像素位置内都有一个放大器,这就使其能在很低的带宽情况下把离散的电荷信号包转换成电压输出,而且也仅需要在帧速率下进行重置。cmos图像传感器的优点之一就是它具有低的带宽,并增加了信噪比。由于制造工艺的限制,早先的CMOS图像传感器无法将放大器放在像素位置以内。这种被称为PPS的技术,噪声性能很不理想,而且还引来对cmos图像传感器的种种干扰。

然而今天,随着制作工艺的提高,使在像素内部增加复杂功能的想法成为可能。现在,在像素位置以内已经能增加诸如电子开关、互阻抗放大器和用来降低固定图形噪声的相关双采样保持电路以及消除噪声等多种附加功能。实际上,在Conexant公司(前Rockwell半导体公司)的一台先进的CMOS摄像机所用的cmos图像传感器上,每一个像素中都设计并使用了6个晶体管,测试到的读出噪声只有1均方根电子。不过,随着像素内电路数量的不断增加,留给感光二极管的空间逐渐减少,为了避免这个比例(又称占空因数或填充系数)的下降,一般都使用微透镜,这是因为每个像素位置上的微小透镜都能改变入射光线的方向,使得本来会落到连接点或晶体管上的光线重回到对光敏感的二极管区域。

因为电荷被限制在像素以内,所以CMOS图像传感器的另一个固有的优点就是它的防光晕特性。在像素位置内产生的电压先是被切换到一个纵列的缓冲区内,然后再被传输到输出放大器中,因此不会发生传输过程中的电荷损耗以及随后产生的光晕现象。它的不利因素是每个像素中放大器的阈值电压都有细小的差别,这种不均匀性就会引起固定图像噪声。然而,随着CMOS图像传感器的结构设计和制造工艺的不断改进,这种效应已经得到显著弱化。

这种多功能的集成化,使得许多以前无法应用图像技术的地方现在也变得可行了,如孩子的玩具,更加分散的保安摄像机、嵌入在显示器和膝上型计算机显示器中的摄像机、带相机的移动电路、指纹识别系统、甚至于医学图像上所使用的一次性照相机等,这些都已在某些设计者的考虑之中


CMOS图像传感器阵列结构

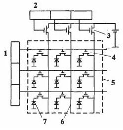
下图所示的是CMOS像敏元阵列结构,它由水平移位寄存器、垂直移位寄存器和CMOS像敏元阵列组成。

cmos图像传感器

(1一垂直移位寄存器:2一水平移位寄存器;3一水平扫描开关;4一垂直扫描开关;5一像敏元阵列;6一信号线;7一像敏元)

下图是CMOS摄像器件的原理框图。

cmos图像传感器

如前所述,各MOS晶体管在水平和垂直扫描电路的脉冲驱动下起开关作用。水平移位寄存器从左至右顺次地接通起水平扫描作用的MOS晶体管,也就是寻址列的作用,垂直移位寄存器顺次地寻址列阵的各行。每个像元由光敏二极管和起垂直开关作用的MOS晶体管组成,在水平移位寄存器产生的脉冲作用下顺次接通水平开关,在垂直移位寄存器产生的脉冲作用下接通垂直开关,于是顺次给像元的光敏二极管加上参考电压(偏压)。被光照的二极管产生载流子使结电容放电,这就是积分期间信号的积累过程。而上述接通偏压的过程同时也是信号读出过程。在负载上形成的视频信号大小正比于该像元上的光照强弱。


cmos图像传感器结构类型

CCD型和CMOS型固态图像传感器在光检测方面都利用了硅的光电效应原理,不同点在于像素光生电荷的读出方式。典型的CMOS像素阵列,是一个二维可编址传感器阵列。传感器的每一列与一个位线相连,行允许线允许所选择的行内每一个敏感单元输出信号送入它所对应的位线上,位线末端是多路选择器,按照各列独立的列编址进行选择。

cmos图像传感器

根据像素的不同结构,cmos图像传感器可以分为无源像素被动式传感器(PPS)和有源像素主动式传感器(APS)。根据光生电荷的不同产生方式APS又分为光敏二极管型、光栅型和对数响应型,现在又提出了DPS(digital pixel sensor)概念。

1、无源像素被动式传感器

cmos图像传感器

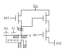
PPS出现得最早,结构也最简单,使得cmos图像传感器走向实用化,其结构原理如图3所示。每一个像素包含一个光敏二极管和一个开关管TX。当TX选通时,光敏二极管中由于光照产生的电荷传送到了列线col,列线下端的积分放大器将该信号转化为电压输出,光敏二极管中产生的电荷与光信号成一定的比例关系。无源像素具有单元结构简单、寻址简单、填充系数高、量子效率高等优点,但它灵敏度低、读出噪声大。因此PPS不利于向大型阵列发展,所以限制了应用,很快被APS代替


2、光敏二极管像素单元

cmos图像传感器

光敏二极管像素单元是由光敏二极管,复位管,源跟随和行选通开关管组成,此外还有电荷溢出门管M3,M3的作用是增加电路的灵敏度,用一个较小的电容就能够检测到整个光敏二极管的n+扩散区所产生的全部光生电荷,它的栅极接约1V的恒定电压,在分析器件工作原理时可以忽略将其看成短路。电荷敏感扩散电容用做收集光生电荷。复位管M4对光敏二极管和电容复位,同时作为横向溢出门控制光生电荷的积累和转移。源跟随器M1的作用是实现对信号的放大和缓冲,改善APS的噪声问题。源跟随器还可加快总线电容的充放电,因而允许总线长度增加和像素规模增大。因此,APS比PPS具有低读出噪声和高读出速率等优点,但像素单元结构复杂,填充系数降低,填充系数一般只有20%到30%。它的工作过程是:首先进入“复位状态”,复位管打开,对光敏二极管复位;然后进入“取样状态”,复位管关闭,光照射到光敏二极管上产生光生载流子,并通过源跟随器放大输出;最后进入“读出状态”,这时行选通管打开,信号通过列总线输出。


3、光栅型APS

cmos图像传感器

光栅型APS是由美国喷气推进实验室(JPL)首先推出的。其中感光结构由光栅PG 和传输门TX构成。光栅输出端为漂移扩散端,它与光栅PG被传输门TX隔开。像素单元还包括一个复位晶体管,一个源跟随器和一个行选通晶体管。当光照射在像素单元时,在光栅PG处产生电荷;与此同时,复位管打开,对势阱复位;然后复位管关闭,行选通管打开,复位后的电信号由此通路被读出并暂存起来,之后传输门TX打开,光照产生的电信号通过势阱并被读出,前后两次的信号差就是真正的图像信号。


4、对数响应型CMOS-APS

对数响应型CMOS-APS拥有很高的动态范围。它由光敏二极管、负载管、源跟随器和行选通管组成,负载管栅极是一恒定偏置电压(不一定要是电源电压),该像素单元输出信号与入射光信号成对数关系,它的工作特点是光线被连续地转化为信号电压,而不像一般APS那样存在复位和积分过程。但是,对数响应型CMOS-APS的一个致命缺陷就是对器件参数相当敏感,特别是阈值电压。

PPS和APS都是在像素外进行模/数(A/D)转换的,而DPS将模/数(A/D)转换集成在每一个像素单元里,每一个像素单元输出的是数字信号,工作速度更快,功耗更低。


cmos图像传感器参数


1、传感器尺寸

cmos图像传感器的尺寸越大,则成像系统的尺寸越大,捕获的光子越多,感光性能越好,信噪比越低。目前,cmos图像传感器的常见尺寸有1英寸、2/3英寸、1/2英寸、1/3英寸、1/4英寸等。

cmos图像传感器


2、像素总数和有效像素数

像素总数是指所有像素的总和,像素总数是衡量cmos图像传感器的主要技术指标之一。cmos图像传感器的总体像素中被用来进行有效的光电转换并输出图像信号的像素为有效像素。显而易见,有效像素总数隶属于像素总数集合。有效像素数目直接决定了cmos图像传感器的分辨能力。


cmos图像传感器

3、动态范围

动态范围由cmos图像传感器的信号处理能力和噪声决定,反映了cmos图像传感器的工作范围。参照CCD的动态范围,其数值是输出端的信号峰值电压与均方根噪声电压之比,通常用DB表示。

cmos图像传感器


4、光谱响应特性

cmos图像传感器的信号电压Vs和信号电流Is是入射光波长λ的函数。光谱响应特性就是指CMOS图像传感器的响应能力随波长的变化关系,它决定了CMOS图像传感器的光谱范围。


5、灵敏度

图像传感器对入射光功率的响应能力被称为响应度。对于cmos图像传感器来说,通常采用电流灵敏度来反映响应能力,电流灵敏度也就是单位光功率所产生的信号电流。


6、分辨率

分辨率是指cmos图像传感器对景物中明暗细节的分辨能力。通常用调制传递函数(MTF)来表示,同时也可以用空间频率(lp/mm)来表示。


7、光电响应不均匀性

cmos图像传感器是离散采样型成像器件,光电响应不均匀性定义为cmos图像传感器在标准的均匀照明条件下,各个像元的固定噪声电压峰峰值与信号电压的比值。




联系方式:邹先生

联系电话:0755-83888366-8022

手机:18123972950

QQ:2880195519

联系地址:深圳市福田区车公庙天安数码城天吉大厦CD座5C1


请搜微信公众号:“KIA半导体”或扫一扫下图“关注”官方微信公众号

请“关注”官方微信公众号:提供 MOS管 技术帮助