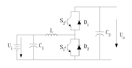
通过改变MOS管的开断,可以改变输出电流的方向,合理运用输入输出端口,既可以...通过改变MOS管的开断,可以改变输出电流的方向,合理运用输入输出端口,既可以实现降压功能,也可以实现升压功能。它由两个MOS管和两个二极管组成。
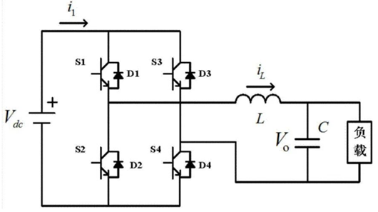
逆变器:通过控制开关器件(如IGBT、MOSFET)的通断,生成脉宽调制(PWM)波形...逆变器:通过控制开关器件(如IGBT、MOSFET)的通断,生成脉宽调制(PWM)波形,合成所需频率和幅值的交流电。其电路复杂度通常高于整流器。
bms专用mos管KND2904A漏源击穿电压40V,漏极电流130A,极低导通电阻RDS(开启...bms专用mos管KND2904A漏源击穿电压40V,漏极电流130A,极低导通电阻RDS(开启) 2.5mΩ(典型值)@VGS=10V,减小损耗、提高效率;低跨导、快速切换,高效低耗;10...
为了确保无闩锁操作,电路会自动感测器件中的最负电压,并确保N沟道开关源极-基...为了确保无闩锁操作,电路会自动感测器件中的最负电压,并确保N沟道开关源极-基板结不存在正向偏置。振荡器频率的标称频率为10kHz(VCC=5V),但可以通过向振荡器(...
实亿国际为了实现两个电流方向的阻断,必须将两个MOSFET以相反的极性串联。如图,在这种...为了实现两个电流方向的阻断,必须将两个MOSFET以相反的极性串联。如图,在这种情况下,如果不是两个FET都打开,那么其中总有一个体二极管可以阻断对向的电流。这...
KNP1906A场效应管漏源击穿电压60V,漏极电流230A,极低导通电阻RDS(开启) 2.2m...KNP1906A场效应管漏源击穿电压60V,漏极电流230A,极低导通电阻RDS(开启) 2.2mΩ,最大限度地减少导电损耗,提高效率;具有高输入阻抗、低功耗、开关速度快、高雪...