实亿国际dcdc变换器工作原理,双向dcdc电路-KIA MOS管
实亿国际信息来源:本站 日期:2025-04-27
dcdc变换器通过开关器件周期性通断控制能量存储与释放,实现直流电压转换dcdc变换器是一种利用开关电源技术将直流输入电压转换为不同数值直流输出电压的电子装置。
工作原理:
储能阶段
当开关器件(如MOSFET或IGBT)导通时,输入电源向电感或电容输送能量。电感通过电流建立磁场储存磁能,电容则存储电荷。此过程遵循电磁感应定律,能量以磁场(电感)或电场(电容)形式暂存。
释能阶段
开关器件关断后,电感通过续流二极管向负载释放能量,电容则放电维持输出电压稳定。此时电感产生的反电动势可能与输入电压叠加(升压)或独立供电(降压)。
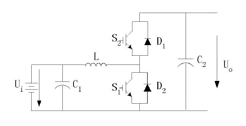
半桥结构的双向DC/DC拓扑如下图所示,一般低压侧为储能电池或超级电容等,高压侧为DC/AC换流器或直流负载(电机)。
当电池放电时,从Ui往Uo方向看,变换器工作在boost模式;反之,当给电池充电时,从Uo往Ui看,变换器工作在buck模式。
双向DC-DC电路就是在保持输入、输出电压极性不变的情况下,根据实际所需的改变电流的方向,实现双象限运行的双向直流变换器。
通过改变MOS管的开断,可以改变输出电流的方向,合理运用输入输出端口,既可以实现降压功能,也可以实现升压功能。它由两个MOS管和两个二极管组成。其电路结构图如图所示。
双向DC-DC电路基本电路结构
联系方式:邹先生
座机:0755-83888366-8022
手机:18123972950(微信同号)
QQ:2880195519
联系地址:深圳市龙华区英泰科汇广场2栋1902
搜索微信公众号:“KIA半导体”或扫码关注官方微信公众号
关注官方微信公众号:提供 MOS管 技术支持
免责声明:网站部分图文来源其它出处,如有侵权请联系删除。
