实亿国际整流器和逆变器的区别,作用详解-KIA MOS管
信息来源:本站 日期:2025-04-27
整流器
整流(AC-DC):输入交流电源通过整流器转换为直流电源 (DC)。 常用的整流器类型包括二极管整流桥和晶闸管整流桥。
逆变器
逆变(DC-AC):直流电源通过逆变器转换为所需的交流电源输出。 逆变器使用功率开关器件(如IGBT、MOSFET)以高频开关的方式产生交流电压。通过控制开关的顺序和占空比,可以控制输出电压的频率和幅度。

整流器将交流电(AC)转换为直流电(DC),而逆变器将直流电(DC)转换为交流电(AC)
功能与能量转换方向
整流器:核心功能是将交流电(AC)转换为直流电(DC),常用于供电装置、蓄电池充电或无线电信号侦测等场景。例如,汽车发电机通过整流器将交流电转为直流电供车载设备使用。
逆变器:将直流电(DC)转为交流电(AC),如太阳能发电系统或UPS(不间断电源)中,将蓄电池的直流电转换为家用交流电。
工作原理差异
整流器:依赖半导体器件(如二极管、晶闸管)的单向导电性,仅允许电流单向通过,再通过滤波电路平滑波形。例如,半波整流仅利用交流电的一个半波,全波整流则利用两个半波。
逆变器:通过控制开关器件(如IGBT、MOSFET)的通断,生成脉宽调制(PWM)波形,合成所需频率和幅值的交流电。其电路复杂度通常高于整流器。
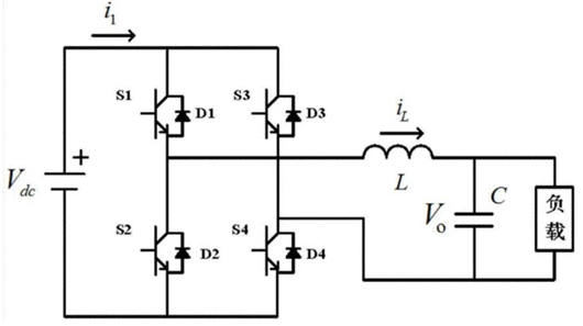
如图,全桥逆变主要由四个MOS管构成,有两个桥臂,在工作时每个桥臂不能同时导通,对边桥臂导通。
联系方式:邹先生
座机:0755-83888366-8022
手机:18123972950(微信同号)
QQ:2880195519
联系地址:深圳市龙华区英泰科汇广场2栋1902
搜索微信公众号:“KIA半导体”或扫码关注官方微信公众号
关注官方微信公众号:提供 MOS管 技术支持
免责声明:网站部分图文来源其它出处,如有侵权请联系删除。
