实亿国际

实亿国际

国家高新企业

cn

新闻中心

tip42c参数-tip42c引脚图电路应用-tip42c规格书下载-KIA MOS管

实亿国际信息来源:本站 日期:2019-03-29 

分享到:

tip42c参数,tip42c引脚图电路图,tip42c

tip42c参数规格书

点击查看规格书。


tip42c参数,tip42c引脚图电路图,tip42c


查看tip42c参数详情

tip42c参数,tip42c引脚图电路图,tip42c


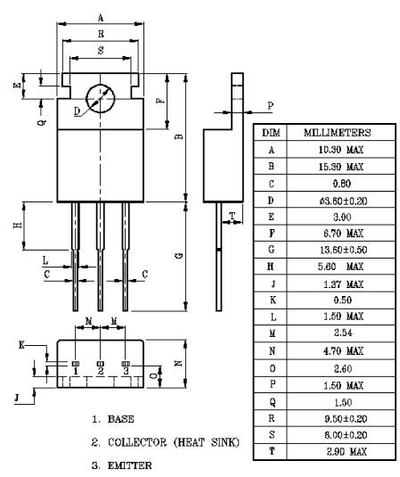
tip42c参数封装尺寸

tip42c参数,tip42c引脚图电路图,tip42c


tip42c概述

tip42是由美国得克萨斯仪表公司生产的,应用材料是SI-NPN.应用于低频,音频,或功率放大之用,TIP41C的极限工作电压max为100V.最大工作电流I=6A。TIP41 NPN中功率三极管,广泛用于信号放大及音频功放用晶体管,可与TIP42 PNP管做互补对称管使用.


tip42c引脚图电路图及引脚定义

tip42c参数,tip42c引脚图电路图,tip42c

1、基集

2、集电极

3、发射极


tip42c应用电路

(一)

当PB01端输入1时,也就是光耦管截止(或开路),则Q2必定截止,Q4跟随截止(继电器断电);当PB01端输入0时,也就是光耦管导通(或短路),则Q2必将导通,Q4也导通(继电器加电);为了控制稳定,必须给Q2提供可靠的集电极电流,就是加个集电极电阻(一端直接接地),如陈坚道先生给的那个图。因为你用了个大功率管,也不知道你继电器电流需要多大,如果Q4基极电流不够,可以去掉R14(即短路掉),R11的值减小些以加大Q2集电极电流。


tip42c参数,tip42c引脚图电路图,tip42c


(二)

tip42c参数,tip42c引脚图电路图,tip42c



联系方式:邹先生

联系电话:0755-83888366-8022

手机:18123972950

QQ:2880195519

联系地址:深圳市福田区车公庙天安数码城天吉大厦CD座5C1


请搜微信公众号:“KIA半导体”或扫一扫下图“关注”官方微信公众号

请“关注”官方微信公众号:提供 MOS管 技术帮助






3000万彩票-追求健康,你我一起成长 乐发IV - welcome u284彩票- 欢迎您 实亿国际(中国区)官方网站 永兴集团yx06 5630彩票(中国区)官方网站 佰利乐·(中国区)有限公司官网 金彩汇 - welcome首页