实亿国际MOS集成电路是一种常用的集成电路。最小单元是反相器,由两只金属一氧化物-半导...MOS集成电路是一种常用的集成电路。最小单元是反相器,由两只金属一氧化物-半导体场效应晶体管组成。这种集成工艺主要用于数字集成电路的制造,电路集成度可以很高...
实亿国际78L06三端稳压管描述 KIA78L06是一种单片固定稳压集成电路。它适用于应用要求...78L06三端稳压管描述 KIA78L06是一种单片固定稳压集成电路。它适用于应用要求电源电流高达100mA。
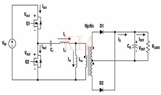
实亿国际在启动之前谐振电容和输出电容完全放电。这些空电容导致Q2体二极管进一步导通并...在启动之前谐振电容和输出电容完全放电。这些空电容导致Q2体二极管进一步导通并且在Q1导通前不会完全恢复。反向恢复电流非常高并且在启动期间足以造成直通问题,如...
实亿国际初级MOSFET的不良体二极管性能可能导致一些意想不到的系统或器件故障,如在各种...初级MOSFET的不良体二极管性能可能导致一些意想不到的系统或器件故障,如在各种异常条件下发生严重的直通电流、体二极管dv/dt、击穿dv/dt,以及栅极氧化层击穿,异...
MOS管6A20V KIA9926A原厂介绍 实亿国际是一家专业从事中...MOS管6A20V KIA9926A原厂介绍 实亿国际是一家专业从事中、大、功率场效应管(MOSFET)、快速恢复二极管、三端稳压管开发设计,集研发、生产和...
实亿国际MOSFET 的功率损耗主要受限于 MOSFET 的结温,基本原则就是任何情况下,结温不...MOSFET 的功率损耗主要受限于 MOSFET 的结温,基本原则就是任何情况下,结温不能超过规格书里定义的最高温度。而结温是由环境温度和 MOSFET 自身的功耗决定的。下...