实亿国际LLC谐振转换器中如何避免出现MOSFET故障?-KIA MOS管
实亿国际信息来源:本站 日期:2022-05-07
为了降低能源成本,设备设计人员正在不断寻找优化功率密度的新方法。通常情况下,电源设计人员通过增大开关频率来降低功耗和缩小系统尺寸。
由于具有诸多优势如宽输出调节范围、窄开关频率范围以及甚至在空载情况下都能保证零电压开关,LLC谐振转换器应用越来越普遍。但是,功率MOSFET出现故障一直是LLC谐振转换器中存在的一个问题。在本文中,我们将阐述如何避免这些情况下出现MOSFET故障。
初级MOSFET的不良体二极管性能可能导致一些意想不到的系统或器件故障,如在各种异常条件下发生严重的直通电流、体二极管dv/dt、击穿dv/dt,以及栅极氧化层击穿,异常条件诸如启动、负载瞬变,和输出短路。
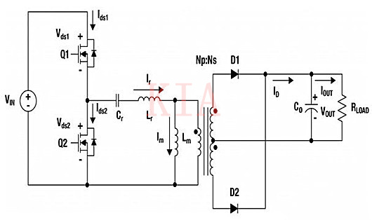
图1:LLC谐振转换器
不同负载条件下LLC谐振转换器的直流增益特性如图2所示。根据不同的运行频率和负载条件可以分为三个区域。
谐振频率fr1右侧(蓝色部分)为零电压开关区域,空载情况下最小次级谐振频率fr2的左侧(红色部分)是零电流开关区域。fr1与fr2之间的区域既可以是零电压开关区域,也可以是零电流开关区域,视负载条件而定。
紫色区域标识感性负载区域,粉色区域标识容性负载区域。对于开关频率fs
图2:LLC谐振转换器的直流增益特性
在导通MOSFET之前,电流流过其他MOSFET的体二极管。当MOSFET开关导通时,其他MOSFET体二极管的反向恢复应力非常严重。
高反向恢复电流尖峰流过其他MOSFET开关,原因是它无法流过谐振电路。它形成高体二极管dv/dt并且其电流和电压尖峰可能在体二极管反向恢复期间造成器件故障。
因此,转换器应该避免在容性区域运行。对于fs》fr1,谐振回路的输入阻抗是感性负载。如图3(b)所示,MOSFET在零电压开关(ZVS)处导通。
导通开关损耗被最小化,原因是存在米勒效应并且MOSFET输入电容不会因为米勒效应而增大。此外,体二极管反向恢复电流是一小部分正弦波,并在开关电流为正时变为开关电流的一部分。
因此,零电压开关通常优先于零电流开关,原因是因反向恢复电流及其结电容的放电,零电压开关能够避免较大的开关损耗和应力。
图3:LLC谐振转换器中的工作模式
联系方式:邹先生
联系电话:0755-83888366-8022
手机:18123972950
QQ:2880195519
联系地址:深圳市福田区车公庙天安数码城天吉大厦CD座5C1
请搜微信公众号:“KIA半导体”或扫一扫下图“关注”官方微信公众号
请“关注”官方微信公众号:提供 MOS管 技术帮助
免责声明:本网站部分文章或图片来源其它出处,如有侵权,请联系删除。
