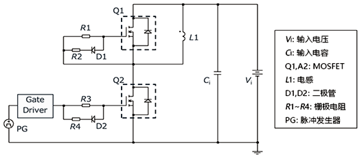
双脉冲测试是广泛应用于MOSFET和IGBT等功率开关元件特性评估的一种测试方法。该...双脉冲测试是广泛应用于MOSFET和IGBT等功率开关元件特性评估的一种测试方法。该测试不仅可以评估对象元件的开关特性,还可以评估体二极管和IGBT一同使用的快速恢复...
实亿国际下面电路就是利用一颗N沟道MOS管来实现上电瞬间输出高电压,核心板启动之后,输...下面电路就是利用一颗N沟道MOS管来实现上电瞬间输出高电压,核心板启动之后,输出低电压:
实亿国际作为放大器,其最重要的功能就是在大信号的支持下且保证一定精度时强调对小信号...作为放大器,其最重要的功能就是在大信号的支持下且保证一定精度时强调对小信号的增益。本文介绍一个公式(未必完全通用,但一定满足本文介绍的四种放大器)并加以...
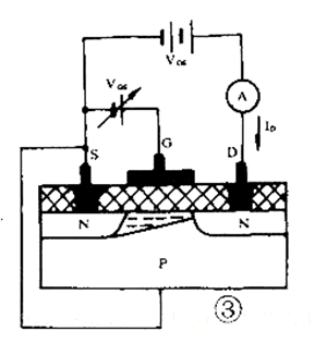
实亿国际导电沟道机理: 如果外部不加控制电压就有导电沟道的是耗尽型。 如果需要外部...导电沟道机理: 如果外部不加控制电压就有导电沟道的是耗尽型。 如果需要外部加控制电压才有导电沟道的是增强型。
78L15稳压管描述 KIA78L15是一种单片固定稳压集成电路。它适用于应用要求电源...78L15稳压管描述 KIA78L15是一种单片固定稳压集成电路。它适用于应用要求电源电流高达100mA。
KIA78L12是单片固定稳压集成电路。它适用于应用要求电源电流高达100mA。KIA78L12是单片固定稳压集成电路。它适用于应用要求电源电流高达100mA。