【MOSFET测试】什么是双脉冲测试?-KIA MOS管
信息来源:本站 日期:2022-05-26
通过双脉冲测试来评估MOSFET体二极管的反向恢复特性,并确认MOSFET损耗情况。
在逆变器电路和Totem Pole型功率因数改善(PFC)电路等具有2个以上MOSFET的桥式电路中,由于流过上下桥臂的电流会使导通损耗增加。
该现象受开关MOSFET和对应桥臂MOSFET的体二极管(寄生二极管)的反向恢复特性影响很大。因此,在桥式电路中,体二极管反向恢复特性优异的MOSFET优势明显。
双脉冲测试是广泛应用于MOSFET和IGBT等功率开关元件特性评估的一种测试方法。该测试不仅可以评估对象元件的开关特性,还可以评估体二极管和IGBT一同使用的快速恢复二极管(FRD)等的反向恢复特性。
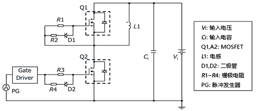
因此,对导通时发生反向恢复特性引起损耗的电路的评估非常有效。双脉冲测试的基本电路图如下所示。
另外,当该电路的Q1是续流用MOSFET、Q2是驱动用MOSFET时,双脉冲测试的基本工作如下表所示。基本工作主要可以分为①、②、③这三种。
当定义脉冲发生器的电压为VPulse、流过电感的电流为IL、Q2的漏源电压为VDS_L、Q2的漏极电流为ID_L时,各模式的工作、电流路径和波形如表所示。
在工作③中,在Q2导通时可以观测到短路电流(ID_L红色部分)。这是由Q1体二极管的反向恢复特性引发的。
当体二极管从ON转换为OFF时,必须将ON时所蓄积的电荷进行放电。此时,设从体二极管释放出的电荷量为Qrr,释放电荷所产生的电流峰值为Irr,Q2的功率损耗为Pd_L,则Q2的导通动作可以如右图所示。
ID_L的三角形面积为Qrr、三角形的高为Irr。
一般情况下,当续流侧元件Q1的体二极管反向恢复特性较差、Qrr也较大时,驱动侧元件Q2的导通损耗会增加。因此,在像逆变器电路这样的流过再生电流的应用和Totem Pole型PFC电路中,需要考虑到体二极管的反向恢复特性对损耗有较大的影响。
联系方式:邹先生
联系电话:0755-83888366-8022
手机:18123972950
QQ:2880195519
联系地址:深圳市福田区车公庙天安数码城天吉大厦CD座5C1
请搜微信公众号:“KIA半导体”或扫一扫下图“关注”官方微信公众号
请“关注”官方微信公众号:提供 MOS管 技术帮助
免责声明:本网站部分文章或图片来源其它出处,如有侵权,请联系删除。
