N沟道MOS管饱和区、逻辑门电路-KIA MOS管
实亿国际信息来源:本站 日期:2022-05-25
导电沟道机理:
如果外部不加控制电压就有导电沟道的是耗尽型。
如果需要外部加控制电压才有导电沟道的是增强型。
为什么N沟道增强型MOS管的存在饱和区?
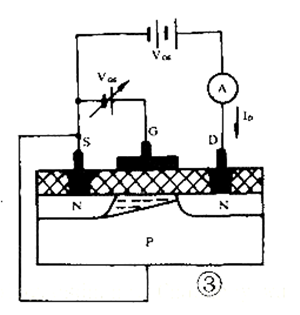
首先明白N沟道增强型MOS管的结构:N管一定是P型衬底,(P管一定是N型衬底,P型衬底的的载流子是电子),在P型衬底上用扩散法制作两个高掺杂浓度的N区。
然后在P型硅表面生长一层很薄的二氧化硅绝缘层,并二氧化硅表面个两个N区表面各安置一个电极,形成栅极g、源级s和漏级d。
1.当栅源之间加正向电压Vgs,且Vgs>=Vt(Vt为开启电压)时,栅极和衬底之间形成足够强的电场,吸引衬底中的少数载流子(电子),使其聚集在栅极的衬底表面,形成N型反型层,该型层就构成了d、s间的导电沟道。
若此时漏级和源级之间夹电压,将会有漏级电流产生。对于初学者,这也能解释为什么N型MOS管高电压导通,低电压截止。
2.当Vgs<Vt,MOS管截止;
3.当Vds<=Vgs-Vt,工作在线性区;
4.当Vds>Vgs>-Vt,工作在饱和区。
有了上面的基础,就可以解释为什么N沟道增强型MOS管的存在饱和区?
也就是预夹断出现的原因。这个对于N沟道增强型MOS管而言,只要Vgs>=Vt,就会出现反型层,也就是在S、D两个高浓度掺杂区之间出现N区,N沟道由此得名。
然后在Vds之间加了电压,这里你注意,D是连接电源正极,根据电子带负电的特性,既然D是正极,在电场力作用下,反型层中的电子就会被吸引到电源正极D,越靠近S,电场能量越小,吸引力越弱,这就导致了反型层在D端比较窄;
而在S端比较宽的情况,如果Vds继续增大,电场越强,吸引电子能力越强,反型层靠近D端的自由电子最终被全部吸引到D区,这样在靠近D端的地方就出现了载流子浓度极低的情况,也就是夹断区出现了。
1.两个N型MOS管并联,形成“与”逻辑;两个N型MOS管串联,形成“或”逻辑。
2.CMOS管总是P管在上,N管在下,成对出现,并且有对偶关系,也就是如果上面是串联,则下面一定是并联;如果上面是并联,则下面一定是串联。

联系方式:邹先生
联系电话:0755-83888366-8022
手机:18123972950
QQ:2880195519
联系地址:深圳市福田区车公庙天安数码城天吉大厦CD座5C1
请搜微信公众号:“KIA半导体”或扫一扫下图“关注”官方微信公众号
请“关注”官方微信公众号:提供 MOS管 技术帮助
免责声明:本网站部分文章或图片来源其它出处,如有侵权,请联系删除。
