实亿国际

实亿国际

国家高新企业

cn

新闻中心

实亿国际三端稳压器的接线图-三端稳压器的接线图分析-KIA MOS管

信息来源:本站 日期:2018-03-01 

分享到:

实亿国际 电子产品中,常见的三端稳压集成电路有正电压输出的78××系列和负电压输出的79××系列。顾名思义,三端IC是指这种稳压用的集成电路,只有三条引脚输出,分别是输入端、接地端和输出端。它的样子象是普通的三极管,TO- 220 的标准封装,也有9013样子的TO-92封装。


实亿国际 用78/79系列三端稳压IC来组成稳压电源所需的外围元件极少,电路内部还有过流、过热及调整管的保护电路,使用起来可靠、方便,而且价格便宜。该系列集成稳压IC型号中的78或79后面的数字代表该三端集成稳压电路的输出电压,如7806表示输出电压为正6V,7909表示输出电压为负9V。


因为三端固定集成稳压电路的使用方便,电子制作中经常采用。


7805是我们最常用到的稳压芯片了,他的使用方便,用很简单的电路即可以输入一个直流稳压电源,他的输出电压恰好为5v,刚好是51系列单片机运行所需的电压,他有很多的系列如ka7805,ads7805,cw7805等,性能有微小的差别,用的最多的还是lm7805,下面我简单的介绍一下他的3个引脚以及用它来构成的稳压电路。

三端稳压管的接线图


图1 7805引脚图

其中1接整流器输出的+电压,2为公共地(也就是负极),3就是我们需要的正5V输出电压了,下面介绍一个简单的7805电路。

三端稳压管的接线图

上图中,变压器、整流桥将220V交流变换成13V直流。R1用220Ω,R2用680Ω的这个是用来调节输出电压的。输出电压公式Uo≈Uxx(1+R2/R1),此稳压电路可在5~12V稳压范围内实现输出电压连续可调节。此三端集成稳压集成电路lm7805最大输入电压为35V,输入输出差需保持2V以上,这样该电路中因为稳压器的直流输入电压是正14V,故该稳压电路的最大输出电压为正12V。此电路的精度一般可达到0.04以上,用lm7805就能满足一般需求了。


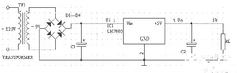
78XX系列集成稳压器的典型应用电路如下图所示,这是一个输出正5V直流电压的稳压电源电路。IC采用集成稳压器7805,C1、C2分别为输入端和输出端滤波电容,RL为负载电阻。当输出电流较大时,7805应配上散热板。

三端稳压管的接线图

下图为提高输出电压的应用电路。稳压二极管VD1串接在78XX稳压器2脚与地之间,可使输出电压Uo得到一定的提高,输出电压Uo为78XX稳压器输出电 压与稳压二极管VC1稳压值之和。VD2是输出保护二极管,一旦输出电压低于VD1稳压值时,VD2导通,将输出电流旁路,保护7800稳压器输出级不被 损坏。

三端稳压管的接线图

实亿国际 78XX系列集成稳压器的典型应用电路如下图所示,这是一个输出正5V直流电压的稳压电源电路。IC采用集成稳压器7805,C1、C2分别为输入端和输出端滤波电容,RL为负载电阻。当输出电较大时,7805应配上散热板。


为输出电压可在一定范围内调节的应用电路。由于R1、RP电阻网络的作用,使得输出电压被提高,提高的幅度取决于RP与R1的比值。调节电位器RP,即 可一定范围内调节输出电压。当RP=0时,输出电压Uo等于78XX稳压器输出电压;当RP逐步增大时,Uo也随之逐步提高。


实亿国际 下图为扩大输出电流的应用电路。VT2为外接扩流率管,VT1为推动管,二者为达林顿连接。R1为偏置电阻。该电路最大输出电流取决于VT2的参数。


联系方式:邹先生

联系电话:0755-83888366-8022

手机:18123972950

QQ:2880195519

联系地址:深圳市福田区车公庙天安数码城天吉大厦CD座5C1


关注KIA半导体工程专辑请搜微信号:“KIA半导体”或点击本文下方图片扫一扫进入官方微信“关注”。

关注「KIA半导体」,做优秀工程师!


长按二维码识别关注

阅读原文可一键关注+技术总汇