实亿国际步进电机控制器原理图,电路图分享-KIA MOS管
实亿国际信息来源:本站 日期:2025-07-24
步进电机控制器通过发出脉冲信号来驱动步进电机,实现对电机转动角度、速度和方向的精确控制,是一种专门用于控制步进电机运行的设备。
步进电机控制系统通常包括一个脉冲信号发生器、一个驱动器和一个控制板。脉冲信号发生器负责产生脉冲信号,驱动器则将脉冲信号转换为步进电机所需的强电流信号,而控制板则负责接收和处理控制信号,实现对步进电机的精确控制。
步进电机的工作步骤
脉冲信号产生:步进电机控制器中的脉冲信号发生器根据预设的参数(如脉冲频率、脉冲数等)产生脉冲信号。这些脉冲信号是控制步进电机转动的关键。
信号传输与放大:产生的脉冲信号通过驱动器进行传输和放大。驱动器将微弱的脉冲信号转换为步进电机所需的强电流信号,以满足电机工作的需要。
步进电机驱动:放大后的强电流信号进入步进电机驱动器,驱动步进电机按照预设的参数进行转动。步进电机驱动器通过控制绕组的通电顺序和通电时间,实现电机转子的精确转动。
反馈与调整:步进电机控制器还具备反馈功能,可以实时监测电机的运行状态并作出调整。通过反馈电路,控制器可以获取电机的实际位置、速度等信息,并与预设值进行比较。如有偏差,控制器会调整脉冲信号的参数,以实现对电机转动的精确控制。
这是仅使用基本部件的简单步进电机控制器的电路图。驱动电路使用四个晶体管(SL100)驱动电机绕组,两个非门和一个异或门解码两位控制逻辑来驱动电机的四个绕组。二极管D1至D4保护相应的晶体管免受电机绕组切换期间产生的瞬变的影响。d0和d1是确定旋转方向和速度的控制逻辑。
该电路的控制逻辑可以从由555非稳态多谐振荡器提供时钟的2位向上/向下计数器获得。计数方向决定旋转方向,非稳态多谐振荡器的频率决定旋转速度。
如上图所示,IC1a IC1b属于同一个IC7404。IC1和IC2的引脚14和引脚7必须分别连接至+5V和地,尽管电路图中未示出。5V可以从基于7805的电源电路获得。
Vcc是步进电机所需的电压。它因电机而异。这里我们可以使用最高24V的步进电机。为了获得更高的工作电压和功率,必须将SL100晶体管替换为更高功率的晶体管。
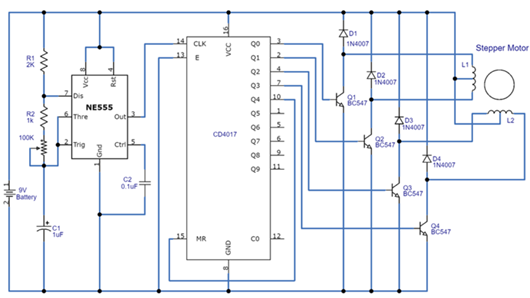
555 定时器步进电机有两个阶段。在第一级中,有一个定时器 IC,它用作非稳态多谐振荡器,并根据定时电阻器和定时电容器的值生成方波脉冲。第二级有一个十进制计数器集成电路CD4017。它对来自定时器 IC 的方波脉冲进行计数,并通过连接在电路中的四个晶体管输出引脚提供步进脉冲输出。我们通过开关晶体管向步进电机的线圈提供所有脉冲。
联系方式:邹先生
座机:0755-83888366-8022
手机:18123972950(微信同号)
QQ:2880195519
联系地址:深圳市龙华区英泰科汇广场2栋1902
搜索微信公众号:“KIA半导体”或扫码关注官方微信公众号
关注官方微信公众号:提供 MOS管 技术支持
免责声明:网站部分图文来源其它出处,如有侵权请联系删除。
